| 货号 | 操作 | 名称 | 描述 | 光谱响应 |
|---|
| 图片 | 名称 | 货号货期 | 描述 | 参数 | 价格 |
|---|
ARTRAY 提供的线阵/面阵,近红外相机/短波红外相机/铟镓砷相机。近红外相机采用铟镓砷(InGaAs)材料,在非制冷条件下,在近红外波段(NIR,SWIR)仍然拥有高灵敏度,量子效率高达80%。光谱探测范围是900-1700nm短波红外波段,并可扩展到400-1700nm和1000-2500nm.
近红外(NIR,SWIR)灵敏度高
高分辨率,高帧频
USB3.0接口
● 激光光斑观测
● 机器视觉和通用红外探测
● 1550nm光斑观测,近红外光斑检测,光斑拍摄与分析,
● 近红外目标识别,荧光成像,荧光材料成像,图像对比增强,夜视成像
● 火焰监测,材料缺陷检测,芯片检测,太阳能电池检测
● 半导体EL/PL检测,食物,蔬果缺陷检测,粮食分选,塑料分选,透视检测
索尼 InGaAs 传感器相机 ARTCAM-990SWIR 全系列
模型 | 接口 | 光谱灵敏度 特征 | 像素 | 光谱 灵敏度 (纳米) | 有效 | 主动成像仪 | 像素尺寸 | 框架 速度 | 快门速度 秒 | 尺寸(毫米) | TEC | |
![]() | ARTCAM-990SWIR-TEC | USB3 | 1.3M | 400~1700 | 1280×1024 | 6.4×5.12 | 5×5 | 72帧/秒 | 20.3μ~2 | 71.6×61.5×78 | ◯ | |
ARTCAM-990SWIR-TEC-CL | Camera Link | |||||||||||
![]() | ARTCAM-990SWIR | USB3 | 50×47×42.7 | - | ||||||||
![]() | ARTCAM-991SWIR-TEC | 0.32M | 640×512 | 3.2×2.56 | 137帧/秒 | 71.6×61.5×78 | ◯ | |||||
ARTCAM-991SWIR-TEC-CL | Camera Link | |||||||||||
![]() | ARTCAM-991SWIR | USB3 | 50×47×42.7 | - | ||||||||
ARTCAM-991SWIR-WOM | USB2 | 131帧/秒 | 50×47×49.7 | |||||||||
【配件】
常见:查看器和二维尺寸测量软件(适用于TNIR)、设备驱动程序、USB电缆、SDK(软件开发工具包)
ARTCAM-990SWIR-TEC-CL/991SWIR-TEC/990SWIR-TEC:交流适配器
【规格】
常见:镜头…C安装,快门类型…全局
ARTCAM-990SWIR/991SWIR/991SWIR-WOM:电源…DC5V(从USB端口提供)
ARTCAM-990SWIR-TEC-CL/991SWIR-TEC/990SWIR-TEC:电源…DC12V(交流适配器)
【选项】
常见:近红外透镜(C卡口透镜)
ARTCAM-990SWIR-TEC-CL/991SWIR-TEC-CL:CameraLink采集板,CameraLink电缆
型号参数
型号 | ARTCAM-990SWIR-TEC |
传感器类型 | 1.3MP InGaAs Image Sensor |
传感器模型 | SONY IMX990-AABA-C |
图像传感器冷却功能 | 电子冷却(≤15°C) |
实际像素阵列 | 1296(H) × 1032(V) |
有效像素阵列 | 1280(H) × 1024(V) |
像素间距 | 5[μm] × 5[μm] |
图像大小 | 6.4[mm] × 5.12[mm] |
光谱范围 | 400nm~1700nm |
快门类型 | 全局快门 |
S/N信噪比 | 51dB (仅供参考) |
A/D分辨率 | 12bit |
接口 | USB3.0批量传输 |
输出位深度 | 12bit |
帧频 | 72fps (12bit) |
快门速度 | 20.3μsec.~ 2sec. |
增益(模拟/数字) | 0~420 ※默认值为0 (0~42 倍 ※默认值:0[dB]) |
ROI 二次进样(法) | ON/OFF ※默认值:OFF ROI:仅垂直(仅在软件上使用水平) 采样:1/2 |
触发 | ON/OFF ※默认值:OFF |
反射 | ON/OFF ※默认值:OFF 垂直和水平 |
同步系统 | 内同步 |
透镜支架 | C Mount |
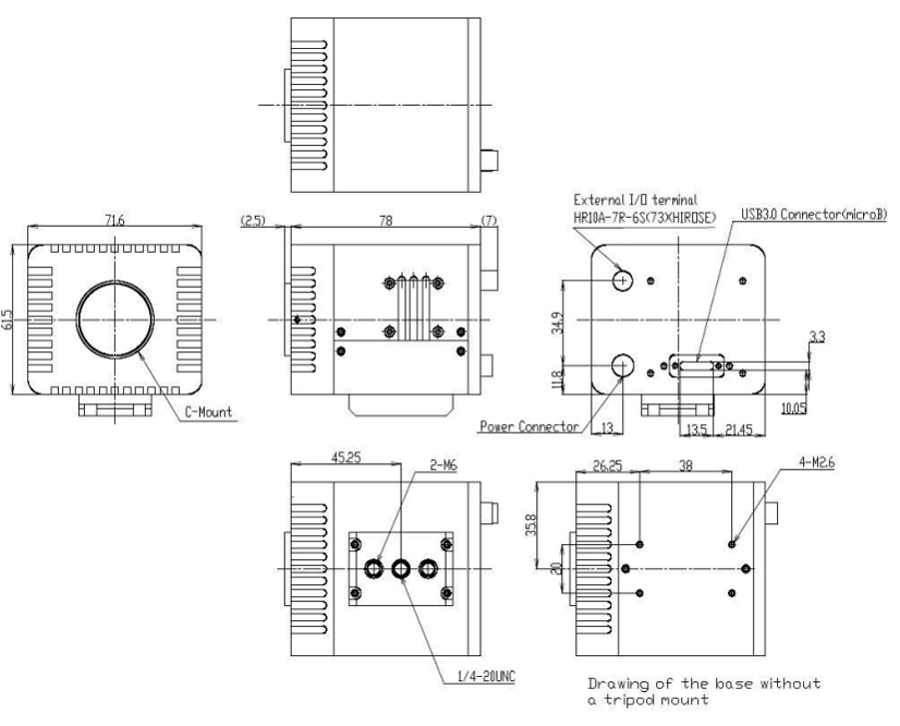
外部 I/O端口 | HR10A-7R-6S(73) (HIROSE) |
供电需求 | DC12V外部输入 |
功耗 | 大约11W |
环境条件 | 工作温度/湿度:10~40°C/10~80%(非冷凝) 贮存温度/湿度:0~60°C/10~95%(非冷凝) |
外形尺寸 | 71.6(W)x61.5(H)x78.0(D)mm ※镜头,三脚架支架和电缆不包括在内 |
重量 | 约440克 |
如何连接一个相机

模拟/数字增益设置
ARTCAM-990SWIR-TEC兼容模拟和数字增益。软件上增益的设置值可从0 ~ 420开始设置,增益将从0.0 dB~42.0 dB开始相应变化。增益可以通过以下公式来计算:
Gain[dB] = value / 10.0[dB]
当设置增益> 180的值时,数字增益将被激活。下图显示了增益的设置值与其放大率之间的关系

尺寸轮廓

传感器信息

传感器位置和光接收表面

H = 5[um] * 1280 = 6400 [um]
V = 5[um] * 1024 = 5120 [um]
视野:镜头与传感器(仅供参考)

※上图中的传感器尺寸(对角线)与镜头尺寸的比值如下
1/2 inch = φ8mm, 2/3 inch = φ11mm, 1 inch = 15.8mm.
请注意,实际视场因镜头不同而不同。
光谱灵敏度特性

外部触发功能
该照相机具有一个外部触发电子电路,它通过光耦合器绝缘,从而能够通过从外部电路接收到的输入信号进行同步拍摄

触发时序

参数 | 指标 | |
t1 | 有效触发输入脉冲 | >10μsec |
t2 | 从外部触发输入的上升沿到传递到传感器的触发信号的下降沿(由于光耦合器而造成的延迟) | <1μsec |
t3 | 从触发信息的下降沿传递给传感器到开始曝光 | Max 0.13μs |
t4 | 曝光时间 | 曝光时间 = 快门速度的设定值*1H |
t5 | 数据传输所需的时间(从传感器到FPGA) | (9+有效垂直像素)*1H |
t6 | 触发器输入禁止周期 | t2+t3+t4+t5 |
※1H=12.96μsec
※当输入连续触发时,请确保触发间隔大于t6
产品包括:
1,相机
2,USB3.0型电缆类型A-microB连接器电缆,约3米。
3,交流适配器(DC12V)
4,专门查看器软件/设备驱动程序CD
5,(可选)NIR镜头(C安装镜头)



