close[X]
您的购物车
型号 数量 货期
查看购物车 结算

1435-1465-1475nm FP高功率激光器带FBG 500mW(Anristu)  

1435-1465-1475nm FP高功率激光器带FBG 500mW(Anristu)
AF4B2 系列GB/GC 型是为光纤拉曼放大器开发的1.4μm 波段的泵浦激光器模块。输出功率高达500mw, 保偏光纤输出, 14引脚蝶形封装。内置TEC 和PD,热敏电阻。


联系客服
 西北华中华东华南 Daisy
18602170419 同微信 可扫码  info@microphotons.com
 华北西南东北 Moli
13061644116 同微信 可扫码  info@microphotons.com
产品型号 3
货号 操作 名称
1435nm 400mW FP高功率激光器带FBG   [PDF] 中心波长 1435nm,光输出功率 400mw,光谱宽度 3.5    价格 : ¥0 库存/货期:请咨询客服
1465nm 400mW FP高功率激光器带FBG   [PDF] 中心波长 1465nm,光输出功率 400mw,光谱宽度 3.5    价格 : ¥0 库存/货期:请咨询客服
1485nm 500mW FP高功率激光器带FBG   [PDF] 中心波长 1485nm,光输出功率 500mw,光谱宽度 3.5    价格 : ¥0 库存/货期:请咨询客服
总览

AF4B2 系列GB/GC 型是为光纤拉曼放大器开发的1.4μm 波段的泵浦激光器模块。输出功率高达500mw, 保偏光纤输出, 14引脚蝶形封装。内置TEC 和PD,热敏电阻。

产品特点

● 光输出功率:A: type GB:300-400mw; B: type GC:420-500mw;

● 波长范围:A: type GB:λT=1420 to 1499nm;B: type GC:λT=1420 to 1485nm

● 偏振保偏光纤(PMF:φ0.25mm UV-coated) 14引脚蝶形封装,内置PD和TEC

产品应用

● 拉曼放大器

通用参数

技术参数:

光电特性(TFBG=25°C, TLD=25°C,TC=25°C)

参数

符号

测试条件

Min.

典型

Max.

单位

阈值电流

Ith

-

-

-

180

mA

中心波长

λC

at Rated power,RMS(-20dB)

λT   -1.0

λT

λT + 1.0

nm

光谱宽度

Δλ

at Rated power,-10dB

3.5

nm

PD监控电流

Im

at Rated power,VRD=5V

100

2000

mA

PD 暗电流

Id

VRD=5V

0.1

mA

跟踪误差

ΔPf

Im=const., Tc= -20 to 70°C

-0.5

0.5

dB

热敏电阻

Rth

TLD=25°C,   B=3900±100K

9.5

10

10.5

kW

消光比

Xp

at Pated power

17

dB


jue对Max. 值参数:

参数

符号

数值

单位

LD正向电流

IF

2200

mA

LD 反向电压

VR

2

V

PD 正向电流

IFD

10

mA

PD 反向电压

VRD

20

V

工作机身温度

TC

-20 to+70

°C

存储温度

Tstg

-40 to +85

°C

Cooler 电流

IC

5.8

A

*超过jue对Max. 评级可能会导致故障。


光输出功率、COOLER特性和功耗(tld=25°C):

中心波长

额定输出功率

LD电流

正向电压

Cooler电流

Cooler电压

λC

Pf

IF

VF

IC

VC

[nm]

[mW]

BOL [A]

BOL [V]

EOL [V]

EOL [A]

EOL [V]

1420 to 1499

300

1150

2.0

2.3

2.20

2.70

320

1200

2.0

2.3

2.20

2.70

340

1300

2.0

2.3

2.30

2.80

350

1400

2.0

2.3

2.35

2.85

360

1400

2.0

2.3

2.40

2.90

380

1400

2.0

2.3

2.45

2.95

400

1400

2.0

2.3

2.50

3.00

1420 to 1485

420

1600

2.2

2.5

2.60

3.10

450

1700

2.2

2.5

2.70

3.20

500

1800

2.2

2.5

2.90

3.40

(注)IF_EOL=IF_BOL x12,Max. 值


保偏尾纤参数:

参数

Min.

典型

Max.

单位

截止波长

1300

1400

nm

模场直径(MFD)@1550nm

10.0

10.5

11.0

mm

包层直径

124

125

126

mm

UV 涂层直径

230

245

260

mm

FBG波长的温度特性

0.01

0.02

nm/°C

弯曲半径

30

mm


引脚定义

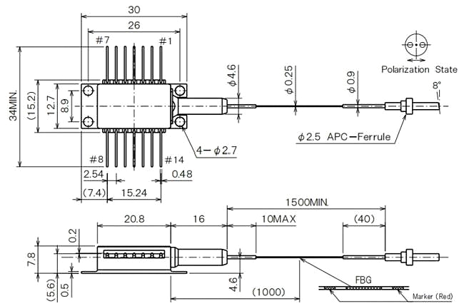
尺寸规格 (unit: mm):

(注)LD的极化方向平行于PMF的慢轴

型号及订购










使用本网站,即表示您同意我们使用cookie.它可以帮助更好地提供会员服务以及短时间内记录您的浏览记录
已知晓 了解详情
提示