close[X]
您的购物车
型号 数量 货期
查看购物车 结算

C band 保偏微秒固态磁光开关 1525-1565nm  

C band 保偏微秒固态磁光开关 1525-1565nm
304永利集团的的微秒系列固态磁光开关是利用法拉第旋光效应来实现光路切换的。该磁光开关采用我司技术上认可技术,不涉及机械移动部件,采用全固态晶体设计。微秒系列磁光开关可以满足严格的开关切换要求,比如高的稳定性和耐久性,超高速响应和高频率的持续工作。我司的常规磁光开关是偏振无关型的,即使用常规的单模光纤,对入射光的偏振态不敏感。针对特殊的应用场,我司开发了保偏型磁光开关,以满足特定的光偏振的要求。


联系客服
 西北华中华东华南 Daisy
18602170419 同微信 可扫码  info@microphotons.com
 华北西南东北 Moli
13061644116 同微信 可扫码  info@microphotons.com
产品型号 1
货号 操作 名称
A80170029  C band 保偏微秒固态磁光开关 1525-1565nm   [PDF] 工作波段范围1525~1565nm 插入损耗dB 0.8(Typ.); 1.1 (Max.) 开关速度μs Regular (200~400); Ultra-fast (10~30) 光纤类型NA Panda PM fiber 单向;标准功率;光纤长度1m;标准尺寸;    价格 : ¥0 库存/货期:请咨询客服
总览

304永利集团的的微秒系列固态磁光开关是利用法拉第旋光效应来实现光路切换的。该磁光开关采用我司技术上认可技术,不涉及机械移动部件,采用全固态晶体设计。微秒系列磁光开关可以满足严格的开关切换要求,比如高的稳定性和耐久性,超高速响应和高频率的持续工作。

我司的常规磁光开关是偏振无关型的,即使用常规的单模光纤,对入射光的偏振态不敏感。针对特殊的应用场,我司开发了保偏型磁光开关,以满足特定的光偏振的要求。


产品特点

无异动部件,使用寿命长
切换速度超快
极其稳定的锁存模式
低功耗
一端出纤-易于绕纤
具有超常的可靠性和稳定

产品应用

● 光路切换  

● 多路信号复用

● 激光雷达  

● 测试测量


通用参数


参数

单位

数值

备注

单向

双向

工作波段范围

nm

1525~1565

Other wavelengths available

插入损耗

dB

0.8(Typ.); 1.1 (Max.)

1.0(Typ.); 1.4(Max.)

Add 0.3dB for high-power version

偏振消光比

dB

>18


回波损耗

dB

>40

>30


串音

dB

>40

>35

Typical >50dB

重复性

dB

+/- 0.01


持久性

Cycle

> 100 Billions


开关速度

μs

Regular (200~400); Ultra-fast (10~30)

Other speed optional

Switching Type

N/A

Latching

Need power only during switching

操作温度

deg

-5~70


存储温度

deg

-40~85


Max. 光功率

mW

 500

Refer to hi-power version for higher power handling requirement

光纤类型

NA

Panda PM fiber

Customizable

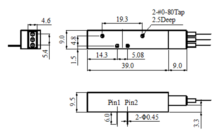
尺寸( L×W×H )

mm

39 × 9.0 × 9.5


^所有指标均为无接头指标,仅在以上波长,偏振和温度范围内确保有效。
*若指标有变恕不另行通知。
***for high-power version: 5W for CW laser, 70oW of peak power for ns-scale脉冲激光

 

尺寸规模图(mm)



电路规格

参数

数值

单位

常规

超快

Switching Speed

200~400

10~30

μs

Switching Voltage (VCC)

5 (+/-5%)

6.0~7.0

V

Switching Current

< 100

< 350

mA

Driving Mode

Voltage or Pulse Driving

Pulse Driving

NA

Pulse Width

>1000

>20

μs

Claim Frequency

<800

< 3000

Hz

备注:

备注:选用我司电路板,需额外付费

高速开关建议采用我司电路板。

为防止损坏高速开关,建议当供电电压在 6.5~7.5V 时,柠电流限制在 800mA 以内












使用本网站,即表示您同意我们使用cookie.它可以帮助更好地提供会员服务以及短时间内记录您的浏览记录
已知晓 了解详情
提示