| 货号 | 操作 | 名称 | 描述 | 中心波长 | 输出功率 |
|---|
| 图片 | 名称 | 货号货期 | 描述 | 参数 | 价格 |
|---|
垂直腔面发射激光器(Vertical-Cavity Surface-Emitting Laser),简称VCSEL,是一种半导体激光器,其激光垂直于顶面射出。以砷化镓半导体材料为基础研制,不同于LED(发光二极管)和LD(激光二极管)。结构由镜面,有源层和金属接触层组成。两个发射镜分别为P型,N型布拉格发射器。有源区由量子肼组成,在P型DBR外表面制作金属接触层,形成欧姆接触,并在P型DBR上制作一个圆形出口,输出激光。
包装: 裸片
芯片工艺: GaAs 垂直腔面发射激光器
激光波长: 894.6 nm
辐射剖面: 单模
ESD: 250 V acc. to ANSI/ESDA/JEDEC JS-001 (HBM, Class 1A)
原子钟
磁力计
Vixar模具图纸:孔径数量

我们目前有以下标准部件可供样品和批量生产
标准产品组合 – 低功耗芯片
| 型号 | 波长 | 模具细节 | 建议Max. 峰值功率 CW,100% DC | 注意 | 数据表 |
|---|---|---|---|---|---|
| 单模 | |||||
| V00145 | 795nm | 0.16 mm x 0.20 mm 单孔径 | 0.15mW | 线宽<100MHz,+/-0.5nm 偏振稳定 | V00145_数据表 |
| V00140 | 895nm | 0.16 mm x 0.20 mm 单孔径 | 0.2mW | 线宽<100MHz,+/-0.5nm 偏振稳定 | V00140_数据表 |
| 多模 | |||||
| V00146 | 680nm | 0.22 mm x 0.22 mm 单孔径 | 7mW | 可见光,效率提高,非高斯光束形状 偏振稳定 | V00146_数据表 |
标准产品组合 – 高功率芯片 – 850 nm
| 型号 | 模具细节 | 建议Max. 峰值功率 CW,100% DC | 建议Max. 峰值功率 100 μs,1% DC | 建议Max. 峰值功率 5 ns,0.1% DC | 数据表 |
|---|---|---|---|---|---|
| V00151 | 0.52 mm x 0.52 mm 100 个孔径 | 0.5W | 1W | 5W | V00151_数据表 |
| V00027 | 0.87 mm x 0.87 mm 281 个孔径 | 2W | 6W | 13W | V00027_数据表 |
| V00124 | 0.90 mm x 1.00 mm 550 个孔径 | 3W | 9W | 35W | V00124_数据表 |
| V00029 | 1.26 mm x 1.26 mm 770 个孔径 | 4W | 12W | 36W | V00029_数据表 |
| V00133 | 1.99 mm x 1.99 mm 1672 个孔径 | 6W | 20W | 78W | V00133_数据表 |
标准产品组合 – 高功率芯片 – 940 nm
| 型号 | 模具细节 | 建议Max. 峰值功率 CW,100% DC | 建议Max. 峰值功率 100 μs,1% DC | 建议Max. 峰值功率 5 ns,0.1% DC | 数据表 |
|---|---|---|---|---|---|
| V00059 | 0.87 mm x 0.87 mm 281 个孔径 | 2W | 6W | 13W | V00059_数据表 |
| V00081 | 0.90 mm x 1.00 mm 550 个孔径 | 3W | 8W | 35W | V00081_数据表 |
| V00156 | 0.90 mm x 1.00 mm 550 孔径 多结 (3J) | 4W | 12W | 110W | V00156_数据表 |
| V00063 | 1.26 mm x 1.26 mm 770 个孔径 | 4W | 11W | 36W | V00063_数据表 |
| V00132 | 1.99 mm x 1.99 mm 1672 个孔径 | 6W | 20W | 76W | V00132_数据表 |
VCSEL低功耗芯片GaAs 894.6nm Max. 额定值
Ta = 80°C
参数 | 符号 | 值 | |
操作/焊接温度 DC = 100% | TS | Min. 值 Max. 值 | -20°C 110°C |
储存温度 | Tstg | Min. 值 Max. 值 | -40°C 125°C |
正向电流(保持单模)直流操作;DC = 100%; TS = 75°C | If | Max. 值 | 1.5 mA |
正向电流直流操作;DC = 100%; TS = 75°C | If | Max. 值 | 3 mA |
反向电压 | 不适合反向操作 | ||
ESD 耐电压 acc. to ANSI/ESDA/JEDEC JS-001 (HBM, Class 1A) | VESD | Max. 值 | 250 V |
注意:超出jue对Max. 额定值范围的应力可能会对设备造成永jiu性损坏。
VCSEL低功耗芯片GaAs 894.6nm 特征
Ta = 80°C, IF = 1.4 mA; DC = 100% - Group 3
参数 | 符号 | 值 | |
正向电流 | VF | 典型值 | 1.78 V |
输出功率 | Φ | 典型值 | 0.3 mW |
阈值电流 | Ith | 典型值 | 0.61 mA |
斜率效能 | SE | 典型值 | 0.37 W / A |
单模抑制比 | SMSR | Min. 值 | 20 dB |
偏振消光比5) | PER | Min. 值 | 15 dB |
峰值波长 | λpeak-v | Min. 值 典型值 Max. 值 | 894.1 nm 894.6 nm 895.1 nm |
光谱线宽度 | Λlinewidth | Max. 值 | 100 MHz |
调频调制带宽 | Fm | Min. 值 | 4.6 GHz |
波长温度系数 | TCλ | 典型值 | 0.06 nm / K |
半峰全宽处视场(50% of Φmax) | φx φY | 典型值 典型值 | 12° 12° |
1/e2处 视场 | φx φY | 典型值 典型值 | 20° 20° |
注意:波长,输出功率根据操作温度和电压的变化而变化。
相对光谱发射 1)

辐射特征 1)

正向电流 1) 2)

光输出功率 1) 2)

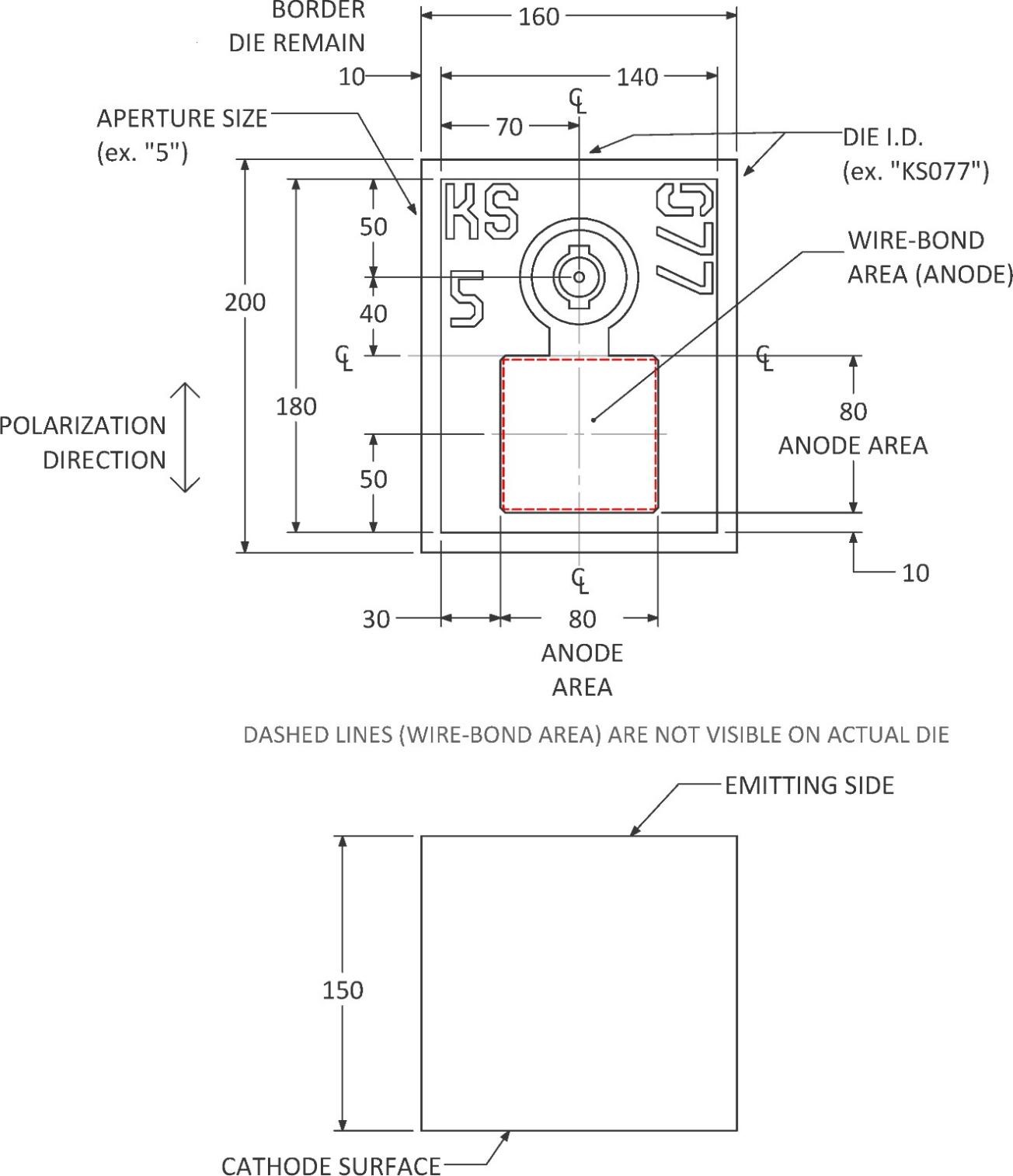
尺寸图 ,单位 mm)

包装

注意事项
根据操作模式的不同,这些设备发射出高度集中的可见光和非可见光,这可能对人眼有害。包含这些设备的产品必须遵循IEC 60825-1中给出的安全预防措施。
除其他物质外,该装置的子组件还含有金属填充材料,包括银。金属填充材料可能会受到含有侵略性
物质的环境影响。因此,我们建议客户在存储、生产和使用过程中尽量减少设备接触腐蚀性物质。当
使用上述试验进行试验时,显示出可见变色的装置在规定的试验持续时间内未显示出故障限值范围内
的性能偏差。
IEC60810中描述了相应的故障限值。
术语
1) 典型值:由于半导体器件制造工艺的特殊条件,技术参数的典型数据或计算关联只能反映统计数字。这些不一定对应于每个产品的实际参数,这些参数可能不同于典型值和计算相关或典型特征线。由于技术改进,这些典型值数据将被更改,恕不另行通知。
3) 尺寸公差:除非图纸中另有说明,公差以±0.1规定,尺寸以mm规定。
4) 波长:连续波长测量,分辨率±0.1 nm。
5) 偏振: 在安装或封装引起的模具应力条件下,偏振消光比会降低。
订购信息
描述 | 工作模式 | 订购代码 |
Group 1 - Die; 2222; 895; S; 1M; S5, S6, S7; 0.2mW; 0.16X0.20mm | Ta = 60±10°C; IF = 1.4 mA; DC = 100%, 894.6nm | V00140 Group: 1 |
Group 2 - Die; 2222; 895; S; 1M; S5, S6, S7; 0.2mW; 0.16X0.20mm | Ta = 70±10°C; IF = 1.4 mA; DC = 100%, 894.6nm | V00140 Group: 2 |
Group 3 - Die; 2222; 895; S; 1M; S5, S6, S7; 0.2mW; 0.16X0.20mm | Ta = 80±10°C; IF = 1.4 mA; DC = 100%, 894.6nm | V00140 Group: 3 |
Group 4 - Die; 2222; 895; S; 1M; S5, S6, S7; 0.2mW; 0.16X0.20mm | Ta = 90±10°C; IF = 1.4 mA; DC = 100%, 894.6nm | V00140 Group: 4 |
Group 5 - Die; 2222; 895; S; 1M; S5, S6, S7; 0.2mW; 0.16X0.20mm | Ta = 100±10°C; IF = 1.4 mA; DC = 100%, 894.6nm | V00140 Group: 5 |
