close[X]
您的购物车
型号 数量 货期
查看购物车 结算

单频窄线宽激光二极管模块 (633/660/785/830/895/1064/1572nm) 30mW  

单频窄线宽激光二极管模块 (633/660/785/830/895/1064/1572nm) 30mW
LDRVMINI 是一款用于蝶形半导体激光器的电流驱动与温度控制模块。其主要功能包括:控制激光器内部温度、产生恒流信号驱动激光器,并可将外部输入电压信号转换为电流驱动。模块具有两种Max. 电流驱动范围,适用于不同功率大小的激光器(通过电路板跳线进行选择)。


联系客服
 西北华中华东华南 Daisy
18602170419 同微信 可扫码  info@microphotons.com
 华北西南东北 Sherry
16628709332 同微信 可扫码  info@microphotons.com
产品型号 2
货号 操作 名称
A80110056  单频窄线宽激光二极管模块 保偏 (633nm 30mw PM630)   [PDF] 中心波长633nm;;输出功率30mw;线宽<1MHz;光纤和连接器类型 PM630 FC/APC    价格 : 请联系客服 库存/货期:请咨询客服
A80110063  单频窄线宽激光二极管模块 单模 (633nm 30mw SM600)   [PDF] 中心波长633nm; 输出功率30mw; 线宽<1MHz; 光纤和连接器类型 SM600 FC/APC    价格 : 请联系客服 库存/货期:请咨询客服
总览

LDRVMINI 是一款用于蝶形半导体激光器的电流驱动与温度控制模块。其主要功能包括:控制激光器内部温度、产生恒流信号驱动激光器,并可将外部输入电压信号转换为电流驱动。模块具有两种Max. 电流驱动范围,适用于不同功率大小的激光器(通过电路板跳线进行选择)。


产品特点

尺寸小巧

远程通讯

可定制(630-1600nm任意波段)


产品应用

量子通信

干涉仪

激光通讯


通用参数

其主要参数如下:

特性

Min.

Max.

单位

注释

电源电压

4.8

5.5

VDC

直流

功率

5

10

W


激光驱动电流

0

149/378/624

mA

可选

激光驱动电压

0

3.1

V

@380mA

响应频率

0

10

MHz

-3db

温度控制范围

0

50

oC


TEC   输出电流

-1.5

1.5

A


TEC   输出电压

-4.4

+4.4

V


模拟输入

-2.5

2.5

V



可选波长

波长(nm)功率(mW)线宽波长(nm)功率(mW)线宽
63330<1MHz105040<1MHz
66030<1MHz106440<1MHz
77010<1MHz15505<1MHz
78510<1MHz1550100<1MHz
83020<1MHz157230<1MHz




典型光谱图







633nm窄线宽光谱图




660nm窄线宽光谱图




785nm 窄线宽激光器光谱图





830nm窄线宽光谱图





895nm 窄线宽激光器光谱图



1064nm窄线宽光谱图                             



1572nm 窄线宽激光器光谱图    




功率稳定性测试






光斑分析




订购信息

PL-NL-□□□□-☆-A8▽-XX

□□□□:波长

☆:输出功率

▽:波长公差范围

XX:光纤和连接器类型

SA=SMF-28E+FC/APC

SP=SMF-28E+FC/PC

PP=PM Fiber+FC/PC

PA=PM Fiber+FC/APC


安装



请务必先参照激光器手册,对应连接器的线序,以及电路板上的连线,确定激光器与当前线序兼容。在不正确的线序下通电可能导致激光器损坏!

模块的电源负极输入,底板及NTC负极均接地。且驱动输出的正极与负极均不接地。当要安装的激光器的有任一功能引脚接地(连接其外壳)时,需要te别注意。

当存在激光功能引脚接地情况(如激光正极接地)时,需要在激光器与底壳之间垫一块粘性导热硅胶,且不要用金属螺钉来固定激光,以使激光器外壳与底壳绝缘。如果不确定,请咨询销售方的工程师。不正确的接地将导致模块功能异常甚至烧毁激光器!


线路配置


在上电之前,模块需要调整电路参数以适应所安装的激光器。参数由电路板上跳线和拨码开关控制。务必在断电情况下操作!

请将LDRVMLN的Max. 驱动电流设置为等于或稍大于激光的Max. 允许电流。如果将驱动电流设置过大,将增加激光器烧毁的风险。设置由电路板上P3、P10跳线:




绿灯表示温度已稳定。用跳线帽短接RX和GND,使电流源开始工作,请在参数完全设置好后再使用本功能!


外部信号输入


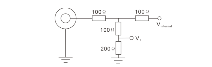
仪器后面板信号输入端INPUT用于接收外部输入,不开启内部偏置信号时,等效电路如下图所示:



激光器的驱动电流为:

        ILaser = (V1/1.25V) x Imax

        Imax=149mA , 378mA etc

当开启内部信号时,等效电路如下:

若仅使用内部信号,应断开INPUT接口上的一切连接。如果要同时使用内部和外部信号,请按照上述的等效电路来自行计算最终效果。


PC控制界面

装回仪器盖板,将控制器连接电源,并用USB线连接电脑。WIN7及以上系统会提示自动联网安装USB驱动。当使用其他系统或无法联网时

请在http://www.ftdichip.com/Drivers/VCP.htm 下载对应驱动。驱动安装好后会在“设备管理器”出现虚拟串行设备。

打开电脑端专用软件,如下图所示:



电脑为主控端(上位机),发送字符串命令。以“:”冒号作为起始符开始一行命令,以回车(\r\n)结束一行,下位机执行后返回信息。以下所有功能均可通过配套软件访问,

建议以配套LDPD软件完成设置并得到正确波形后,点save保存参数至下位机,再转由其他客户端来进行控制。


运行模式如下:

1

运行模式

>>>>>> 发送auto on开始,返回(1)Auto run started.[[OK]]\r\n
>>>>>> 激光器加载所设定的电流

>>>>>> 发送auto off停止, 返回(0)Auto run stopped.[[OK]]\r\n

 

 

参数设置

发送

功能及返回值

about

返回下位机当前的参数:

>> 优秀行 (%f) TEC.\r\n

>> (浮点数,与下发的参数一致)

>> 第二行 (%d,%d,%d) PGA,freq,amp.\r\n

>> (对LDRV模块,以上为无意义参数)

>> 第三行(%d,%d,%d) bias.\r\n

>> (数值与下发命令bias a,b,c一致)

>> 第四行 (%d,%d) dm,phase.\r\n

>> (LDRV上为无意义参数)

version

回复:

RYMLASER<本机型号><版本号>

temp

返回当前环境温度值,激光器温度,返读电流值

tec x

x为摄氏温度,设置激光器的目标温度,可为小数, 

tecp kP kI kD

设定温度控制系统的PID参数,用以保证温度控制系统的稳定,用户可以调整参数以实现快速或慢速响应

限制专业用户使用!不良的PID参数会导致温度震荡,甚至损坏激光器

系统出厂值: kP =1500; kI=4000; kD=10

tecfast

TEC常规模式,使用已存储的PID参数

tecslow

TEC慢速模式,使kP/2, kI/8,将降低温度系统的时间常数

bias a b c

a:电流设定(0~65535)

b:限流设定(0~65535)

c:无意义参数,设置为1以上数值

a和b数值通过下述公式计算

a = (Iset/Imax)*65536

Iset为要设定的电流,Imax为仪器Max. 电流(根据本机型号,在Instruments.ini中查看)

save

保存当前的所有参数,下次开机会自动调用。


安装注意

1、 激光器有功能引脚接外壳情况下(如NEL激光器,通常LD阳极接外壳),必须将激光器外壳与底座绝缘:激光器下方垫一层导热硅胶垫,并且不要使用金属螺钉来固定。

2、 激光电流档位需要通过跳线帽来实现,再通过拨码1来使系统自我识别。两者不匹配将导致系统的自我识别和实际电流不匹配,可能导致激光器烧毁!

3、 建议先连接一个LED灯珠或廉价红色激光器来测试当前设置是否正常工作。

4、 温度震荡说明温控PID参数设置不对(所有温度控制器都有PID参数选择环节,可以参照网上多种说明来调整)。温控参数调节命令为tecp、kp、kl、kd,发送后会立刻产生效果,观察温度的响应精度和速度。调节完成后要用save命令保存。

5、 模块没有开关,连接电源后TEC部分立刻开始工作,但激光电流源不启动。绿灯表示温度已稳定。用跳线帽短接RX和GND,使电流源开始工作,请在参数完quan设置好后再使用本功能。













使用本网站,即表示您同意我们使用cookie.它可以帮助更好地提供会员服务以及短时间内记录您的浏览记录
已知晓 了解详情
提示