close[X]
您的购物车
型号 数量 货期
查看购物车 结算

Saturn 1B 光学扫描振镜 -适用于 1mm - 4mm 光孔径  

Saturn 1B 光学扫描振镜 -适用于 1mm - 4mm 光孔径
Saturn 1B光学扫描仪专为在 1 毫米至 4 毫米孔径范围内实现所有电机驱动镜面中z高的加速度和均方根(RMS)占空比而设计。其应用场景包括激光娱乐显示、小光束激光打标,以及基于振镜的光栅成像(如扫描显微镜中所用的成像方式)。得益于极小直径的动磁体,加之特殊轴承材料的采用,Saturn 1B 振镜扫描仪拥有目前所有动磁式振镜扫描仪中z高的峰值转矩常数与转动惯量比,且其电机常数与转动惯量比甚至比那些转子转动惯量大一倍的竞品振镜还要高出 90% 以上。Saturn 1B 的转子结构与** X3 磁路设计相结合,使其能够以远低于以往的驱动功率和发热量,实现 ILDA 60K/5kHz 的小信号带宽扫描速度;而 ILDA 90K/7.5kHz 的小信号带宽扫描速度也已常规化地提供给客户。Saturn1B 集成了304永利集团Saturn系列其他扫描仪的所有设计特点,包括 0.5 英寸的圆形机……


联系客服
 西北华中华东华南 Daisy
18602170419 同微信 可扫码  info@microphotons.com
 华北西南东北 Moli
13061644116 同微信 可扫码  info@microphotons.com
产品型号 1
货号 操作 名称
光学扫描振镜 --适用于1mm至4mm光孔径   [PDF] 最佳镜面尺寸 1–4毫米通光孔径,旋转角度 > ± 27.5度数    价格 : ¥0 库存/货期:请咨询客服
总览

Saturn 1B光学扫描仪专为在 1 毫米至 4 毫米孔径范围内实现所有电机驱动镜面中z高的加速度和均方根(RMS)占空比而设计。其应用场景包括激光娱乐显示、小光束激光打标,以及基于振镜的光栅成像(如扫描显微镜中所用的成像方式)。

得益于极小直径的动磁体,加之特殊轴承材料的采用,Saturn 1B 振镜扫描仪拥有目前所有动磁式振镜扫描仪中z高的峰值转矩常数与转动惯量比,且其电机常数与转动惯量比甚至比那些转子转动惯量大一倍的竞品振镜还要高出 90% 以上。Saturn 1B 的转子结构与** X3 磁路设计相结合,使其能够以远低于以往的驱动功率和发热量,实现 ILDA 60K/5kHz 的小信号带宽扫描速度;而 ILDA 90K/7.5kHz 的小信号带宽扫描速度也已常规化地提供给客户。

Saturn1B 集成了304永利集团Saturn系列其他扫描仪的所有设计特点,包括 0.5 英寸的圆形机身直径、背部支撑镜架设计,以及高输出、低噪声的位置探测器。

目前,Saturn 1B 已推出针对激光显示和特定成像应用优化的线圈配置版本。

产品特点

● 更强的磁场

● 更坚固的转子与轴

● 一体式背部支撑镜架

● 长寿命 SV30 / 二氧化硅陶瓷混合轴承

● 具有高输出、低噪声的梯形位置传感器

● 运行温度更低的电机磁体设计

● z高速的小镜面扫描与定位

● 广角扫描,光学角度可达 110 度

● 便捷的封装尺寸,兼容多种现有 XY 轴安装座

● 低线圈电阻,扫描时发热量小

● 低热阻,散热能力更强

● 低晃动与低抖动

产品应用

● 激光娱乐(灯光秀)显示

● 小光束光学相干断层扫描(OCT)与显微镜

● 小光束激光打标

● 光学布局模板

● 光栅图像投影

通用参数

参数

参数

-80P

标准

-80S

单位

z佳镜面尺寸

1 – 4

Millimeters, clear aperture

旋转角度2)

+/- 27.5

Degrees, Maximum (110 degrees optical)

转子转动惯量

0.010

Gram • Centimeters2

转矩常数

13,000

18,500

26,000

Dyne • Centimeters per Ampere

z高转子温度1)

110

Degrees Celsius

工作温度范围 (3)

-10 to +85

Degrees Celsius, non-condensing

热阻

1.25

1.5

1.25

Degrees Celsius per Watt, Maximum

线圈电阻

0.75

1.8

2.8

Ohms

线圈电感

53

100

212

µh

反电动势电压2)

22.7

32.3

45.4

µV per degree per second

峰值电流

20

Amperes, Maximum

均方根电流

6.6

3.75

3.3

Amperes at Tcase of 50°C

电功率处理能力

40

33

40

Watts at Tcase of 50°C

小角度阶跃响应

75

90

200

µS with 3mm mirror set

峰峰值 20 度范围内的光电二极管(PD)线性度 (2)

99.9

% Minimum

峰峰值 40 度范围内的光电二极管(PD)线性度2)

99.5

% Typical

光电二极管(PD)输出信号(共模)2)

640

µA with LED current of 40mA

光电二极管(PD)输出信号(差模) (2)

43.6

µA per degree, with LED current of 40mA

质量

25

Grams

所有规格参数均基于壳体温度为 25°C 的条件。所有机械和电气规格的公差为 ±10% 

此类扫描器可根据需求灵活配置。欢迎联系我们说明您的具体要求。

备注

1. 图表显示的是在外壳温度为 50°C 时,因热限制导致的扫描仪理论Max. 性能。其他因素(如伺服驱动器和电源)可能会阻碍扫描仪达到该Max. 值。

2. 角度规格为机械角度。对于大多数应用,光学角度 = 机械角度的 2 倍。

3. 多种因素会影响工作温度范围。如需在极限温度下或之外运行,请在使用前与我们联系。


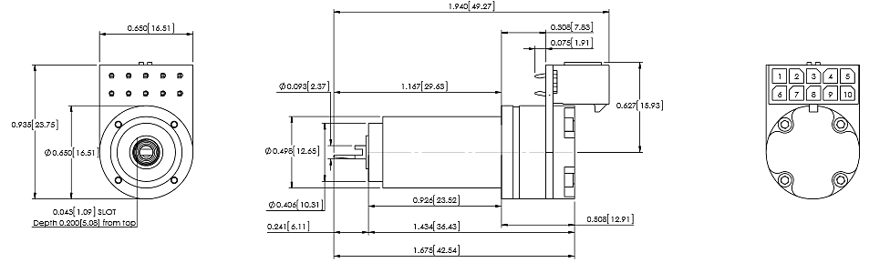
轮廓图


所有尺寸单位均为英寸(mm)



1.1.png













使用本网站,即表示您同意我们使用cookie.它可以帮助更好地提供会员服务以及短时间内记录您的浏览记录
已知晓 了解详情
提示