close[X]
您的购物车
型号 数量 货期
查看购物车 结算

单模DFB激光器 1550nm 10/30mW(14pin蝶形封装 2.5G通讯专用)  

单模DFB激光器 1550nm 10/30mW(14pin蝶形封装 2.5G通讯专用)
凭借经过优化的光学特性,1550nm单模DFB成为高要求传感系统应用的理想选择。创新型芯片设计已对高阶纵向与横向模式加以抑制,同时具有线性偏振稳定性。激光器具有出光功率高,线宽窄以及良好的一致性目前深受国内科研客户青睐。目前我们现有库存波长涵盖1000-2400nm,针对客户某些特定用用领域额我们可以为客户提供定制芯片筛选服务。


联系客服
 西北华中华东华南 Daisy
18602170419 同微信 可扫码  info@microphotons.com
 华北西南东北 Moli
13061644116 同微信 可扫码  info@microphotons.com
产品型号 2
货号 操作 名称
A80012257  1550nm 10mW 单模DFB激光器   [PDF] 中心波长 1550nm;波长偏差 ±1nm;输出功率 10mW;14pin蝶形封装;单模SMF-28E输出;带TEC;带PD监控    价格 : 请联系客服 库存/货期:请咨询客服
A80012258  1550nm 30mW 单模DFB激光器   [PDF] 中心波长 1550nm;波长偏差 ±1nm;输出功率 30mW;14pin蝶形封装;单模SMF-28E输出;带TEC;带PD监控    价格 : 请联系客服 库存/货期:请咨询客服
总览

凭借经过优化的光学特性,1550nm单模DFB成为高要求传感系统应用的理想选择。创新型芯片设计已对高阶纵向与横向模式加以抑制,同时具有线性偏振稳定性。激光器具有出光功率高,线宽窄以及良好的一致性目前深受国内科研客户青睐。目前我们现有库存波长涵盖1000-2400nm,针对客户某些特定用用领域额我们可以为客户提供定制芯片筛选服务。

产品特点

● 超高输出功率

● 窄线宽 

● 内部TEC和热敏电阻       

●2 nm TEC的可调性

产品应用

● 光纤通讯

● 种子源

通用参数

参数

符号

Min. 值

典型值

Max. 值

单位

备注

发射波长

λR

1549

1550.12

1551

nm

T = 20°C, ITEC = 0, POP= 20mW

阈值电流

ITH


10

35 

mA

T = 20°C

输出功率

Popt

20

 30

 40

mW

T = 0 … 50°C

阈值电压

UTH


1.80


V


激光电流

IOP



200

mA

Popt = 20mW

激光电压

UOP


2.0


V

Popt = 20mW

电光转换率

ηWP


12


%

Popt = 20mW

斜率效能

ηS


0.74


W/A

T = 20℃

3dB调制带宽

ν@3dB

0.10



GHz

Popt = 20mW

(由于ESD防护二极管)

相对噪声强度

RIN


-130

-120

dB/Hz

Popt = 0.3 mW @1 GHz

波长调谐电流



0.01


nm/mA


波长调谐温度



0.1


nm/deg


热电阻

Rthermal

3


5

K/mW


边模式抑制


30



dB


光束发散度

θ

10


25

°

Popt = 20mW满1/e2带宽

光谱带宽

Δν


3


MHz

Popt = 20mW

TEC电流

ITEC



1000

mA

需适当散热器

NTC热敏电阻


9.5

10.0

10.5

T= 25℃

NTC温度依赖性


10/exp[3892·(1/298K-1/TOP)]


dg.png

jue对Max. 值  

● 储存温度         -40 … 125℃ 

● 工作温度         -20 … 80℃

● 电功率损耗      5 mW

● 正向激光电流  2000 mA

● 反向电流        10 mA  

● 焊接温度*       270℃

(*TEC 温度必须低于 70℃)


光谱图

1550.jpg

L-I-V曲线



TEC电流调谐下的温度/波长



光束质量分析

763.jpg

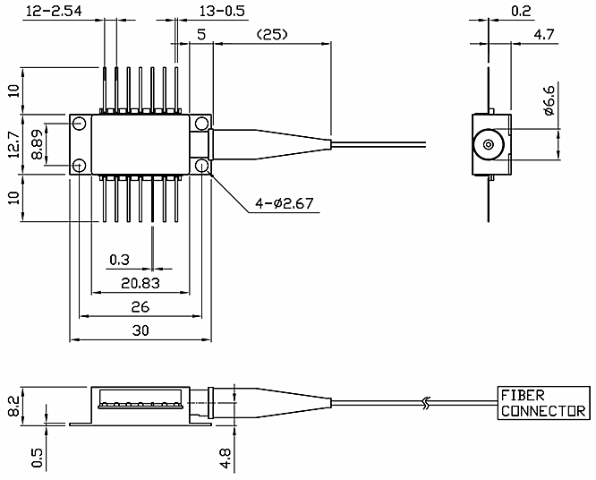
产品尺寸(单位mm

1153.png

引脚定义(带TEC)

6220WKCJ(1A(H9U)CV9Z~04.png

1

Thermistor

8

NC

2

Thermistor

9

NC

3

NC

10

NC

4

PD Monitor Anode   (-)

11

Laser Anode (+),Case Ground

5

PD Monitor Cathode   (+)

12

RF Laser Input Cathode (–)

6

Thermoelectric Cooler (+)

13

Laser Anode (+),Case Ground

7

Thermoelectric Cooler (–)

14

NC











使用本网站,即表示您同意我们使用cookie.它可以帮助更好地提供会员服务以及短时间内记录您的浏览记录
已知晓 了解详情
提示