close[X]
您的购物车
型号 数量 货期
查看购物车 结算

集成电光调制器  

集成电光调制器
1 电光调制器1.1 集成光波导集成光波导能够沿类似于光纤的确定路径引导光。它们被制造在平面基板上或平面基板内,而该基板的性质决定了波导性质,例如电光调制。图1.1 集成光波导方案波导由一个与周围材料相比折射率更高的通道组成(图 1.1)。通道壁上的折射率过渡可以是阶梯状的,也可以是平滑的,就像这里描述的一样。光通过通道壁上的全内反射进行引导。根据波长、基底折射率、折射率增加、通道的宽度和深度,可以激发一个或多个横向振荡状态(模式)。单模操作非常有趣,因为它对于许多集成光学元件的功能至关重要。集成光学元件通常配备光纤,te别是在光通信技术中。为了实现与光纤的良好耦合效率,单模波导的宽度和深度通常为 3 到 9 微米,具体取决于波长。可以使用集成光波导实现各种元件,如 Y 型分支、极化提升器、相位和振幅调制器、开……


联系客服
 华北西南东北 Moli
13061644116 同微信 可扫码  info@microphotons.com
 西北华中华东华南 Daisy
18602170419 同微信 可扫码  info@microphotons.com
产品型号 0
总览

1 电光调制器

1.1 集成光波导

集成光波导能够沿类似于光纤的确定路径引导光。它们被制造在平面基板上或平面基板内,而该基板的性质决定了波导性质,例如电光调制。

图1.1 集成光波导方案

波导由一个与周围材料相比折射率更高的通道组成(图 1.1)。通道壁上的折射率过渡可以是阶梯状的,也可以是平滑的,就像这里描述的一样。光通过通道壁上的全内反射进行引导。根据波长、基底折射率、折射率增加、通道的宽度和深度,可以激发一个或多个横向振荡状态(模式)。单模操作非常有趣,因为它对于许多集成光学元件的功能至关重要。集成光学元件通常配备光纤,te别是在光通信技术中。为了实现与光纤的良好耦合效率,单模波导的宽度和深度通常为 3 到 9 微米,具体取决于波长。可以使用集成光波导实现各种元件,如 Y 型分支、极化提升器、相位和振幅调制器、开关或波长多路复用器。


通用参数

1.2 线性光电效应

线性电光效应,也称为普克尔斯效应,是一种光学二阶非线性效应。它描述了在施加外部电场时光学材料的折射率的变化。折射率的变化量与电场强度、方向和光的偏振成正比。这种相互作用用电光张量来描述,并且大多是各向异性的。这种效应发生在极性材料中,包括铁电晶体。制造集成光调制器的Shou选材料是铌酸锂 (LiNbO3),它也用于本文描述的调制器。在这种晶体中,最强的相互作用发生在晶体 z 方向 (E3) 的外部电场和折射率为 n3 的 z 偏振光之间。这相当于:

电光系数 r33 为33 pm/V。确定函数需要使用线性偏振光。


1.3. 相位调制器

如果使用长度为 L 的电极将电场施加到波导上,则电极之间区域的折射率会发生变化,随后引导光发生相移。由于波导横截面非常小,因此无法放置电极来产生均匀的电场。因此,优秀在晶体表面上布置共面电极(图 1.2)。

图1.2 相位调制器

这会产生非均匀场分布,其效率 Γ 低于 1。在用 x 切割晶体制成的铌酸锂调制器中,其效率约为 0.65。

图1.3 相位调制器特性曲线

相移与施加的电压成线性关系(图 1.3)。相移的良好近似值可以用以下公式描述:

引起 π 相移的半波电压 Vπ 计算如下:

这通常相当于几伏。在给定的电极几何形状下,较长波长的电压高于较短波长的电压。例如,在 635 nm 的红光中,电压预计为 3 V,在约 1550 nm 的电信波长范围内,电压预计为 10 V。由于Max. 适用电压约为 ±30 V,因此可以达到红光 20 π 和 1550 nm 6 π 之间的相移。由于电光响应非常快,加上低控制电压和使用复杂的行波电极几何形状,可以在千兆赫范围内实现频率调制。


1.4 振幅调制器

将相位调制器插入到集成式马赫-曾德尔干涉仪中,形成振幅调制器(图 1.4)。

图 1.4  Mach-Zehnder 振幅调制器

在两个干涉仪臂上以推挽方式放置电极是有利的。施加电压会导致两个分支产生相位差,从而通过干涉改变设备输出端的输出功率。因此,设备传输可以控制在Min. 值和Max. 值之间(Pmin 到 Pmax)。从开启状态切换到关闭状态或反之亦然,需要 π 的相位差。所需电压称为幅度调制器的半波电压 Vπ。由于推挽操作,幅度调制器的半波电压是具有相同电极长度的相位调制器的一半。例如,可以预期在 635 nm 的红色中为 1.5 V,在约 1550 nm 的电信波长范围内为 5 V。消光比由Max. 输出与Min. 输出之比决定。在红光范围内,消光比通常为 500:1,在红外范围内,消光比通常为 1000:1 以上。输出功率与控制电压的关系呈周期性(图 1.5),呈余弦形式:


图 1.5 幅度调制器特性曲线

操作点不同于理论值 V0 = 0。如果合适,必须由特殊电子设备控制。将射频信号作为调制电压施加到电极上,此电输入被转换成幅度信息(图 1.6)。此幅度输出取决于电压幅度和形状,因此与调制器操作点的位置有关。该图描绘了二进制脉冲电输入到二进制光输出信号的传输。如果电压电平不正确,即电压过高或偏移不正确,调制器将在二进制操作中对不正确的光输出电平做出反应,或在模拟操作中对更高的谐波做出反应。

图 1.6 Mach-Zehnder 幅度调制器操作


2 选择标准

由LiNbO3制成的集成光学调制器可用于不同的应用和波长。选择取决于所需的应用。


2.1 波长和波长范围

调制器的各种特性,te别是半波电压和

插入损耗,取决于工作波长。虽然半波电压在较短的波长下会降低,但

插入损耗会增加,这主要是由于瑞利散射,也有一小部分是由于吸收。

调制器正确操作的可用波长范围(光谱或光学带宽)受波导的模态行为限制。它取决于

基板材料和中心波长。在此范围内可保证单模操作和明确的调制。

对于调制器所制造的给定中心波长,调制器可以接受图 2.1 中彩色范围之外的激光波长。例如,在 1060 nm 中心波长处,光带宽为 ± 60 nm,即调制器可以在 1000 nm 和 1120 nm 之间工作。

图 2.1 可用波长范围

在较长的波长下,插入损耗由于波导截止而增加,而在较短的波长下,调制由于较高振荡模式的干扰而不确定,从而导致幅度调制器中的对比度损失或相位调制器中的残余幅度调制。

图 2.2 保偏光纤的两种类型:熊猫型、领结型

2.2 光纤尾纤和光的偏振

线性偏振光是调制器操作所必需的。由于铌酸锂中使用的波导类型是偏振的,如果输入偏振不是线性的或调整不够充分,则会导致传输损耗。

调制器采用标准长度为 1 米的光纤尾纤制成。

可根据要求提供其他长度

在输入端口需要保偏光纤。输出光纤也是保偏的,但也可根据要求提供标准单模(非 PM)光纤。

光纤中的偏振通常与应力杆在慢轴方向上对齐。标准使用蝴蝶结光纤。可根据要求提供熊猫光纤。

图 2.3  FC 连接器中的极化对齐

2.3 光学功率

连续波操作

可传输光功率取决于波长。对于波长大于 1 µm 的波长,设备输入端的光功率z高可达 0.3 瓦。在红色范围内,其功率为 20 mW,在绿色范围内为 10 mW。


脉冲操作

由于半波电压取决于波长,因此调制器设计用于在一个窄带波长下工作。由于干涉操作原理,光谱宽度的增加会导致幅度调制器的消光比降低。虽然在零阶附近,消光对于大多数情况来说已经足够,但对于更高阶的干涉,消光会急剧下降。这对于脉冲操作也是有效的。图 2.4 显示了连续波操作和脉冲操作下 1060 nm 处某些干涉阶的操作曲线。光谱宽度为 8 nm FWHM 的 150 fs 脉冲被馈入输入光纤。在光纤传输过程中,脉冲扩展至 3 ps,30 nm FWHM。

这发生在光纤的前几厘米内,调制器不再影响光谱。在z低阶中,消光比约为 1000:1,然后是 100:1,然后是 30:1,依此类推。


2.4 光的光谱宽度


3 技术数据

调制器适用于各种波长。原则上,如果有波长接近所需波长的激光器,则可以提供 532 nm 至 1650 nm 之间每个波长的调制器。以下描述了一些标准波长的调制器数据。

幅度调制器AMXXX:

类型

AM635

AM705

AM830

AM1064

AM1550

波长 [nm](其他波长可应要求提供)

635

705

830

1064

1550

光谱带宽(nm)

±20

±20

±30

±40

±50

插入损耗,典型值(dB)

7

7

6

5.5

4.5

消光,典型值

500 : 1

500 : 1

800 : 1

1000 : 1

1000 : 1

Min. 光上升时间 10/90

200 ps

200 ps

200 ps

200 ps

200 ps

光连接,输入

标准

保偏单模光纤*

光纤接头

裸光纤, FC/PC 或 FC/APC 接头**

光连接,输出

标准

保偏单模光纤*

可选

单模或多模光纤

光纤接头

裸光纤, FC/PC 或 FC/APC 接头**

半波电压,典型值

2.5 V

2.5 V

2.5 V

3 V

5 V

Max. 偏置调制频率(正弦)(kHz)

1

1

1

1

1

Max. 光输入功率(cw)

20 mW

20 mW

30 mW

300 mW

300 mW

尺寸 L*W*H (mm) (外壳,无光纤馈通)

96*19*10

* 标准:蝴蝶结型,可选:熊猫型

** 标准:宽键连接器,可选:小键连接器


幅度调制器AMXXXb

类型

AM635b

AM705b

AM830b

AM1064b

AM1550b

波长 [nm](其他波长可应要求提供)

635

705

830

1064

1550

光谱带宽(nm

±20

±20

±30

±40

±50

插入损耗,典型值(dB

7

7

6

5.5

4.5

消光,典型值

500 : 1

500 : 1

800 : 1

1000 : 1

1000 : 1

光连接,输入

标准

保偏单模光纤*

光纤接头

不带 FC/PC FC/APC 接头**

光连接,输出

标准

保偏单模光纤*

可选

单模光纤

光纤接头

不带 FC/PC FC/APC 接头**

半波电压rf/偏置(V

2.5 / 2.5

2.5 / 2.5

2.5 / 2.5

3 / 3

5 / 5

Max. 偏置调制频率(正弦)(kHz

1

1

1

1

1

Max. 光输入功率(cw[mW]

20

20  

30

300

300

尺寸 L*W*H mm(外壳,无光纤馈通)

96*31*10


相位调制器

类型

PM635

PM705

PM830

PM1064

PM1550

波长 [nm](其他波长可应要求提供)

635

705

830

1064

1550

光谱带宽(nm)

±20

±20

±30

±40

±50

插入损耗,典型值(dB)

6

5

5

4

3

Min. 光学上升时间10/90,典型值

200 ps

200 ps

200 ps

200 ps

200 ps

光连接,输入

标准

保偏单模光纤*

光纤接头

裸光纤, FC/PC 或 FC/APC 接头**

光连接,输出

标准

保偏单模光纤*

可选

单模或多模光纤

光纤接头

裸光纤, FC/PC 或 FC/APC 接头**

半波电压rf/偏置(V)

2.5 / 2.5

2.5 / 2.5

2.5 / 2.5

3 / 3

5 / 5

Max. 偏置调制频率(正弦)(kHz)

1

1

1

1

1

Max. 光输入功率(cw)[mW]

20

20

30

300

300

尺寸 L*W*H (mm) (外壳,无光纤馈通)

96*19*10

* 标准:蝴蝶结型,可选:熊猫型

** 标准:宽键连接器,可选:小键连接器


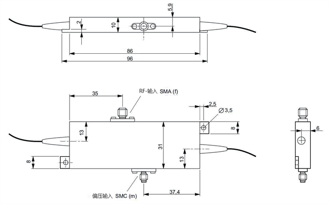
尺寸测量

调节器采用标准外壳。其尺寸如下:





图 3.2 - 具有分离偏置输入的幅度调制器外壳(AMXXXb)


4 调制器的电气控制

4.1 调制器的内部接线

1. 标准相位和幅度调制器接线方案(AMXXX、PMXXX)

               图 4.1.a - 标准接线图(AMXXX)                                                     图 4.1.b - 标准接线图(PMXXX)


图 4.1.c - 调制器外壳(标准接线图)

相位调制器 PMXXX 和幅度调制器 AMXXX 可在不带电子元件的情况下在调制器外壳内使用(图 4.1.a-c)。调制器晶体上的热电极的两端都连接到 SMA 连接器。接地电极连接到调制器外壳以及 SMA 连接器的接地。一个 SMA 连接器可用作射频输入,第二个连接器处建议使用 50 Ω 终端电阻,以避免射频信号的反射,因为反射可能会干扰调制和控制电子元件。

输入调制器阻抗为 50 Ω,两个端口之间的欧姆电阻在 5 到 10 Ω 之间。电容约为 20 pF。可以移除终端器以进行测量或将调制器与其他电子设备连接起来。调制器在电气和光学上是对称的。在较高的调制速度(500 MHz 或更高)下,光传输方向必须与电传输方向相同。

如果施加阶梯状短上升时间电输入信号,则Min. 光上升时间约为 200 ps。必须将控制操作点所需的偏置添加到射频电压中,并导致电流通过热电极,这可能会加热电极和终端器。可以使用后续章节中描述的布线方案来防止这种情况。

图 4.2.a - 接线图,带分离偏置输入的调制器(AMXXXb)

2. 带有独立射频和偏置输入的幅度调制器内部接线图(AMXXXb)

调制器外壳中集成了如图 4.2 a-c 所示的接线方案,以分离射频输入和偏置输入。所有调制器电极都与调制器外壳电气隔离。 热电极在内部终止,而接地电极通过使用电容器接地,这会导致射频连接,但偏置分离。 因此,偏置可以由第二个连接器馈送至电容器变为透射频率的频率。 这大约是 1 kHz。 其他频率也是可能的。如果施加阶梯状短上升时间电输入信号,则Min. 光学上升时间约为 500 ps。 偏置不会导致电流通过热电极。 偏置引起的电流是由于电容电阻引起的,因此与频率有关。 在直流时,偏置引起的电流为零。

图 4.2.b - 带有分离偏置输入的调制器外壳

图 4.3 - 偏压分离外部接线图


3. 使用具有标准调制器接线方案的幅度调制器分离射频和偏置

如果使用具有标准接线方案 (AMXXX) 的调制器,则可以在外部构建所述偏置方案。此处必须将调制器外壳隔离放置并使用电容器接地(图 4.3)。将调制器外壳和周围电路放置在射频密封外壳中很有用。如果导线长度足够短,则电气和光学特性与上一章中描述的集成版本相同。优点是可以将调制器从外壳中取出并用作标准调制器。


4.2. 调制器的驱动

调制器驱动不需要特殊驱动器。任何电压源,只要其输出电压幅度可控为 6 - 10 V(连接到 50 Ω),具体取决于调制器类型,偏移可控,且速度足够快,就适合用于调制器驱动。如果电源输出电压不足,则可能需要额外的电压放大器。施加到调制器的电压不应超过 ±20 伏。

调制器操作的调整:

图 4.4 - 调制器设置 (AMXXX)


图 4.5 - 调制器设置 (AMXXXb)


调制器可用于模拟和数字调制。对于模拟调制,必须考虑周期特性曲线。对于数字调制,可以使用快速脉冲发生器。其上限和下限电压电平(即幅度和偏移)必须独立可调(AMXXX,图 4.4),或者将射频信号施加到射频输入,并使用直流源调整偏置(AMXXXb,图 4.5)。在某些情况下,需要偏置控制,请参阅第 4.3 章。激光器或激光二极管耦合到调制器输入光纤。调制器输出光纤将其光发送到光电二极管。电调制器输入使用同轴电缆连接到频率发生器和高欧姆示波器 x 输入。光电二极管连接到 50 欧姆示波器 y 输入。x-y 图显示特性曲线,其中 Vπ 和 Vo 可在应用正弦或三角电压函数时确定。使用计算机保存曲线数据并进行余弦拟合很有用。


脉冲生成:

调制器可以以两种模式驱动以生成光脉冲 - 用于短光脉冲生成的脉冲模式和用于调制器切换的切换模式。将使用 Vπ = 2 V 和 V0 = 1,5 V 的调制器进行解释。


脉冲模式:



图 4.6 脉冲模式

图 4.7 生成 1 ns 脉冲

切换模式:

调制器在两个电压电平之间切换,其中一个电压电平的光输出为零,另一个电压电平的光输出为Max. (图中为 -0.5 和 1.5 伏)。调制器从关闭状态切换到下一个开启状态(图 4.8 中的蓝线和蓝色箭头)。它将被打开或关闭,反之亦然。光上升时间对应于输入电压的上升时间。如果要生成光脉冲,其长度对应于开启和关闭之间的时间(图 4.9 中为 100 纳秒)。

图 4.8 脉冲模式

图 4.9 生成 1 ns 脉冲

4.3. 铌酸锂调制器的直流行为

铌酸锂制成的波导调制器对直流电压有所谓的直流漂移反应(图 4.10)。施加直流电压后,晶体中会发生电荷传输。这就是为什么施加到电极上的电场得到部分补偿,因此有效电场会随时间部分减小。该过程分别与自由电荷载体的数量以及晶体的暗导率和光电导率有关。由于暗导率取决于温度和晶体纯度,而光电导率取决于晶体纯度、波长和光功率密度(即波导中的光功率),因此补偿过程的持续时间取决于这些值。它需要几分钟到几小时的时间。温度和光功率密度越高,波长越短,持续时间就越短。补偿在初始值的约 75% 处饱和。补偿时间与初始电压无关。这意味着,在更高的直流电压下,单位时间的漂移量(即曲线相位对时间的一阶导数)变得更快。通过波导的电场的这种部分补偿过程会导致由施加电压引起的初始光相移的部分回移。在相位调制器中,可以使用干涉仪直接测量。在幅度调制器的情况下,由于其余弦特性曲线,光相移之后是光输出的幅度调制。这可以测量为 V0 的偏移。Vπ 不会改变其值。


图 4.10 - 直流漂移:施加直流电压时的光相位回漂(在振幅调制器上测量,1550 nm,几毫瓦光输入功率)

该图显示了在室温下用几毫瓦光功率在 1550 nm 振幅调制器上测量的相位漂移示例。相位以初始值的百分比表示,是使用调制器的余弦特性曲线计算得出的。施加的电压 (2 V) 略高于 Vπ (1.59V),这意味着初始相位已经是稳定所需的 1.25 倍。可以看出,如果调制器在红外波段以中等光功率使用,则需要超过一小时。如果使用更高的光功率或更短的波长,漂移会更快,但调制器对光和环境条件的变化反应也更大。

可以按如下方式稳定操作点:

1. 动态模式:

由于输出信号的周期性,可以在特性曲线的不同部分进行调制,这些部分相差 2*Vπ 的倍数。操作点应在两个具有交替符号的等效电压值之间跳跃,在图中表示为 V 和 V+(图 4.11)。然后调制在特性的两个蓝色草图部分上交替发生。

图 4.11 - 具有两个等效工作点的调制器特性曲线


为了避免直流漂移,应测量施加的电压 V ,并在足够短的时间内(< 1 秒)对直流漂移持续时间进行积分,同时调制器在工作点 V- 工作。此时具有:

时将达到值A-。

此后,工作点必须切换到 V+,调制器在此工作,直到达到值 A+ :

其中必须满足方程式:

然后,工作点必须再次切换到V-,依此类推。这会导致施加电压的平均值是零,并且不会发生直流漂移。必须考虑到调制器在 V-和 V+ 之间切换时会通过周期特性,这会产生不必要的光功率调制。

2. 偏置模式:

必须使用偏置来设置操作点。偏置可以在调制器的射频输入端使用偏置 T 来施加,这会将直流或低频偏置添加到射频信号中(图 4.4)。但这会导致电流通过调制器电极和终端器,这对电压源来说是负载,并导致电极和终端器发热。更好的方法是使用外部偏置方案或集成偏置电路,如上一章和图 4.5 中所述。但偏置模式无法避免直流漂移。

如果调制是周期性的,则施加电压的平均值是恒定的。此外,如果温度和光功率均不变,漂移将在一定时间后饱和,通过校正偏置电压可以达到稳定的工作状态。在非周期性调制或环境条件变化的情况下,必须使用反馈回路。必须使用光纤耦合器或部分镜将光调制器输出的一部分分开,并馈入光电二极管,该二极管与偏置控制电路相连,以校正工作中的偏置值。校正电子器件的类型取决于调制。这里无法提供满足所有可想到的需求的方案。例如,如果必须生成具有相对较长延迟的短光脉冲或必须拾取脉冲,则只需将偏置保持在导致Min. 平均输出功率的电压上即可,因为集成地下信号是平均功率的相当大一部分,而不是脉冲功率本身。如果需要模拟调制,则必须测量实际输出信号并将其与所需输出信号进行比较。在某些情况下,例如在图像生成中,可以在不需要调制器输出的时间内自动测量特性曲线。偏置电压的量不应太大,因为相移曲线的斜率在较高偏置下变得更陡,并且必须在较短的时间内完成校正。


5. 应用示例

5.1. 脉冲切片

调制器的一个重要应用是使用连续激光产生和整形短脉冲。其优点是脉冲形状可以独立于激光类型进行控制。这在某些激光应用中是必需的,尤其是在光纤振荡器-放大器装置中。

图 5.1 - 产生 1 ns 脉冲


图 5.2 - 产生 5 ns 脉冲

例如,如果施加幅度为 2xV 的电端或幅度为 Vπ 的电脉冲(图 5.1 和 5.2,可以用 V =2V 和 V0 =1.5V 进行光脉冲的π 波整形)。模拟温度 π 以类似的方式产生,就像使用两步脉冲所描绘的那样(图 5.3)。此外,可以缩短或整形长激光脉冲,例如从微秒到纳秒范围。

图 5.3 - 两步脉冲的产生

5.2. 脉冲拾取

可以从快速激光脉冲链中选择单个脉冲或脉冲梳。因此,幅度调制器用作脉冲拾取器,以降低激光的重复率。

图 5.4 - 脉冲拾取

图 5.4 解释了从 1060 nm、150 fs、76 MHz 脉冲链中拾取脉冲。该图显示了较低的脉冲缩小率,以获得更好的可见性,即比率为 20 和 40。在大多数情况下,需要按 100 到 1000 之间的倍数进行拾取。

“脉冲选择器 IOM”(图 5.5)设计用于与 AMXXXb 系列或类似系列的调制器配合使用,这些调制器具有 50 欧姆 RF 输入和高电阻偏置输入。它将脉冲选择器驱动器与自动偏置控制相结合。


图 5.5 - 脉冲选择器 IOM

脉冲激光器将其光发送到处于关闭状态的振幅调制器中。从脉冲激光器获取的电或光同步信号馈送到电延迟线。该激光脉冲用于均衡光纤和电线中脉冲的运行时间和驱动器的每 20 个脉冲传输操作时间。计数器对同步信号脉冲进行计数,直到达到预设数。然后,计数器向脉冲发生器发送信号,脉冲发生器每传输 40 个脉冲驱动调制器,从而打开调制器以传输一个或多个光脉冲。电脉冲的长度设置为振幅 Vπ,时间 [ns] 决定了允许通过调制器的光脉冲数。图 5.4 - 脉冲拾取。

图 5.6-脉冲选择器设置方案

该驱动器能够以高达 150 MHz 的触发频率工作,并产生长度至少为 5 ns、幅度高达 5 V 的电脉冲,足以驱动波长为 1600 nm 或更短的调制器。分频系数为 2,z高可达 65000。操作数据由 PC 通过 USB 设置。内置光电二极管控制反馈环路以进行偏置控制。InGaAs 型将操作波长限制为 1000 nm 至 1700 nm 之间的红外波长。

图 5.7 - 触发脉冲链(深蓝色)调制器打开窗口(红色)拾取脉冲(浅蓝色)

图 5.7 是“脉冲选择器 IOM”操作的示波器打印输出。打印了激光脉冲链、调制器打开窗口和拾取脉冲。由于采用自动偏置控制,调制器的消光比可达到 1:1000 以上。


6. 术语说明

插入损耗 (D)

光通过调制器传输时的光功率损耗


D = 10 lg (Pin/Pout)


Pin:在输入光纤中引导的光功率


Pout:在调制器传输Max. (开启状态)时在输出光纤中引导的光功率


(使用光纤切割法测量)

消光 (E)

对于振幅调制器,开启和关闭状态下传输的光功率之比

(对比度)

E = Pmax/Pmin  (在直流电压下测量)

半波电压 (Vπ)

对于振幅调制器,将调制器从开启状态切换到关闭状态或反之亦然的电压差


对于相位调制器,将光输出信号的相位偏移π的电压差

偏移 (V0)

  与 0 V 相比的z低电压,在此电压下,振幅调制器的传输Max. (开启状态)

输出光纤的偏振

如果使用保偏光纤,则输出光纤中光的偏振比

光谱带宽

在消光和插入损耗没有显著减少的情况下,窄带工作波长可能偏离调制器的中心波长(相对于中心波长,插入损耗增加 10% 或消光减少 10%

上临界频率

电输入对光输出信号的影响减少一半的频率

Min. 光上升时间

如果应用精确的电阶跃函数在开启和关闭状态之间切换调制器,则振 幅调制器的光信号在Max. 传输值的 10% 和 90% 之间上升或下降的时间











使用本网站,即表示您同意我们使用cookie.它可以帮助更好地提供会员服务以及短时间内记录您的浏览记录
已知晓 了解详情
提示