| 货号 | 操作 | 名称 | 描述 |
|---|
| 图片 | 名称 | 货号货期 | 描述 | 价格 |
|---|
PLD-CW-1000-ZIF-TII 是一款恒流激光二极管驱动器,用于为需要在低信号射频调制模式下工作的 14 引脚蝶形激光二极管模块供电。该驱动器可提供精确的低纹波恒流调节。
驱动器电路由一个 5 伏直流电源供电。驱动器为双向比例积分微分(PID)热电冷却器控制器(TEC)供电,电流为 1.5A,电压为 4V。
PLD-CW-1000-ZIFTII 的主要参数(输出电流、温度设定、监控光电二极管信号)由计算机接口控制。图形用户界面可控制通过 CAN/USB 集线器连接的多个驱动器。
PLD-CW-1000-ZIF-TII 配有推入式连接器,便于将蝶形激光二极管直接连接到驱动板上,并配有大型散热器,可稳定散热。
专为 10/14 引脚蝶形激光二极管的特殊设计
恒流模式
输出电流高达 1000 mA
兼容电压高达 3 V
低电流纹波
高电流稳定性
USB、RS-232、CAN、UART 接口
兼容 LabView
Python 库
模拟射频调制
光功率稳定模式
内置 TEC 控制器
5 伏直流输入电源
由散热器完成
尺寸小巧,85 mm x 60 mm x 21 mm
参数 | Min. 值 | 典型值 | Max. 值 | 单位 |
输入 | ||||
电压 | 4.8 | 5.0 | 5.2 | V |
电流 | - | - | 2 | A |
RF 调制* | 0.005 | - | 200 | MHz |
输出 | ||||
电流 | - | - | 1000 | mA |
电流设置步长 | - | 0.1 | - | mA |
电流纹波 | - | - | 1 | % |
电流稳定性 | - | - | 0.2 | % |
电流设定精度 | - | - | 1 | % |
恒流制输出电压 (Compliance Voltage) | 1 | - | 3 | V |
TEC 电流设置范围 | -1.5 | - | +1.5 | A |
TEC电压 | 1 | 4 | V | |
TEC温度设置 | 5 | 25 | 50 | ℃ |
TEC温度步长 | - | 0.1 | - | ℃ |
TEC温度设定精度 | - | - | 0.1 | % |
温度 | ||||
工作 | +10 | - | +50 | ℃ |
储存 | -20 | - | +70 | ℃ |
湿度,非冷凝状态 | - | - | 95 | % |
连接 | ||||
电源和接口连接器 | 接线板(1-282834-0 TE 连接) | |||
USB | Mini-USB, Type B (1734035-1 TE连接) | |||
联锁装置 | 接线板(282834-2 TE 连接) | |||
机械装置 | ||||
尺寸 | 85 mm x 60 mm x 31 mm | |||
重量,不超过 | 160 g | |||
*性能取决于激光二极管的特性
尺寸和连接


引脚 | 名字 | 描述 | |
1 | - | 5VDC | 设备接地 |
2 | + | 电源输入 | |
3 | H | CAN | CAN 总线高电平 |
4 | L | CAN 总线低电平 | |
5 | TX | RS232 | RS232 端口传输 |
6 | RX | RS232 端口接收 | |
7 | GND | 设备接地 | |
8 | TX | UART | UART 端口发送 |
9 | RX | UART 端口接收 | |
10 | INT | 联锁 | |
联锁
连接至外部联锁电路。打开: 设备已锁定,
闭合:设备工作。通过 1 kΩ 电阻器将内部电压拉高至 3.3V。使用集电极开路或干接触。
注意: 只有当联锁电路关闭时,才能启动激光发射。
兼容激光器引脚
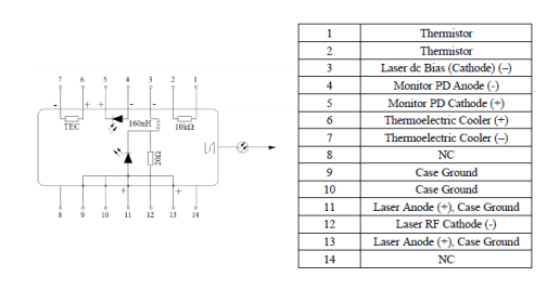
14 引脚蝶形封装 2 型(电信)

1 | 热敏电阻 |
2 | 热敏电阻 |
3 | 激光直流偏压(阴极)(-) |
4 | 监控器 PD 阳极(-) |
5 | 监控器 PD 阴极(+) |
6 | 热电冷却器(+) |
7 | 热电冷却器(-) |
8 | NC |
9 | 外壳接地 |
10 | 外壳接地 |
11 | 激光器阳极(+),外壳接地 |
12 | 激光射频阴极(-) |
13 | 激光器阳极(+),外壳接地 |
14 | NC |
