| 货号 | 操作 | 名称 | 描述 |
|---|
| 图片 | 名称 | 货号货期 | 描述 | 价格 |
|---|
● 针对 77 K 工作温度优化的有源元件材料
● te别设计的扁平封装(无窗口),可轻松在液氮金属杜瓦瓶中自行组装
● 可由 VIGO Photonics 组装在液氮金属杜瓦瓶(Kadel KR163-FSMA2、Kadel KR-323)中(根据要求)
● 可提供 0.25 mm × 0.25 mm 的有效面积尺寸(根据要求)
● 可提供其他接收角值(根据要求)
● FTIR 光谱
系列配置:
PN# | 制冷 | 温度传感器 | 光敏面,A,mm×mm | 光学浸没 | 封装 | 接受角,Φ, deg. | 窗口 |
PC-LN2-16.6-1x1-VFP-NW-50 | LN2 (for operation in 77 K) | no | 1x1 | no | VFP (flatpack) | 50 | no |
规格(Tamb = 293 K, Tchip = 77 K, Ib = 15 mA)
PN# | 峰值波长 | 截止波长 (10%) | 探测能力 | 电压响应度 | 阻抗 | 偏置电流 |
λpeak | λcut-off | D*(λpeak, 20kHz) | Rv(λpeak) | R | Ib | |
µm | µm | cm·Hz1/2/W | V/W | Ω | mA | |
Typ. | Typ. | Typ. | Typ. | Typ. | Typ. | |
PC-LN2-16.6-1x1-VFP-NW-50 | 14.3 | 18.1 | 1.5×1010 | 500 | 40 | 15 |
光谱响应 (Typ., Tamb = 293 K, Tchip = 77 K, Ib = 15 mA)

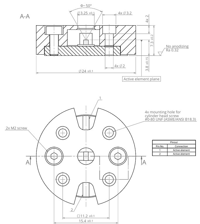
机械布局和信号输出
LN2-VFP(2p),PC探测器技术图纸



jue对Max. 额定值:
参数 | 测试条件及备注 | 值 | 单位 |
环境工作温度,Tamb | 在环境温度 (Tamb) > 30°C 的条件下操作可能会增加杜瓦瓶中的液氮消耗量 | -20 to 30 | °C |
储存温度,Tstg | -20 to 50 | °C | |
储存湿度 | 无结露 | 10 to 90 | % |
Max. 入射光功率密度 | 连续波 (CW) 或单脉冲,持续时间 > 1 μs | 100 | W/cm2 |
单脉冲,持续时间 < 1 μs | 1 | MW/cm2 | |
Max. 偏置电流,Ib max | 测试条件及备注 | 25 | mA |
