| 货号 | 操作 | 名称 | 描述 | 光谱响应 | 感光规格 |
|---|
| 图片 | 名称 | 货号货期 | 描述 | 参数 | 价格 |
|---|
C30902EH高性能硅雪崩光电二极管(APD)的感光面直径为0.5 mm,适合于生物医学和分析应用。 这种Si APD设计为双扩散“穿透式”结构,可在400和1000 nm之间提供高响应度,以及在所有波长处都极快的上升和下降时间。
器件的响应度与最高约800 MHz的调制频率无关。探测器芯片采用经过修改的TO-18封装,密封在平玻璃窗后面。
C30902和C30921系列
用于微光应用的高速固态探测器
C30902EH系列雪崩光电二极管非常适合广泛的应用,包括激光雷达、测距、小信号荧光、光子计数和条形码扫描。
Excelitas Technologies的C30902EH系列雪崩光电二极管采用双扩散“穿透”结构制造。这种结构在400到1000纳米之间提供了高响应度,并且在所有波长上都提供了极快的上升和下降时间。该器件的响应度与高达800 MHz的调制频率无关。探测器芯片密封在一个改进的TO-18封装的平板玻璃窗后面。感光表面的有效直径为0.5 mm。
C30921EH封装在TO-18光管中,该光管允许从聚焦点或直径高达0.25 mm的光纤将光有效耦合到探测器。密封的TO-18封装允许光纤与光管端部匹配,以最大限度地减少信号损失,而无需担心危及探测器稳定性。C30902EH-2或C30902SH-2(带内置905nm通带滤波器的密封TO-18封装)和C30902BH(带密封球透镜)构成了C30902系列。
C30902SH和C30921SH均选用具有极低噪声和体暗电流的C30902EH和C30921EH光电二极管。它们适用于超微光级应用(光功率小于1 pW),可在增益高达250或更高的正常线性模式(Vr
光子计数在门控和符合技术用于信号检索的情况下也是有利的。
主要特征
高量子效率:在830 nm时为77%
C30902SH和C30921SH可在盖革模式下运行
C30902EH/SH-2型,带内置905 nm过滤器
C30902BH型,带球形透镜
密封包装
室温下的低噪音
高响应度–内部雪崩增益超过150
光谱响应范围- (10%Q.E.点)400至1000纳米
时间响应–通常为0.5纳秒
宽工作温度范围-40°C至+70°C
符合RoHS标准
应用
•激光雷达
•测距
•小信号荧光
•光子计数
•条形码扫描
表1。电光特性
测试条件:外壳温度=22˚C,除非另有规定,请参见下页的注释。
C30902EH/C30902EH-2 | C30902SH | C30902SH-TC | ||||||||
Detector Type | C30902BH C30921EH | C30902SH-2 C30921SH | C30902SH-DTC | |||||||
Parameter | Min | Typ | Max | Min | Typ | Max | Min | Typ | Max | Units |
感光区 | ||||||||||
有效直径 | 0.5 | 0.5 | 0.5 | mm | ||||||
active area | 0.2 | 0.2 | 0.2 | mm² | ||||||
光管特性(C30921) | ||||||||||
光管数值孔径 | 0.55 | 0.55 | [no units] | |||||||
岩芯折射率(n) | 1.61 | 1.61 | [no units] | |||||||
芯径 | 0.25 | 0.25 | mm | |||||||
Field of view α (see Figure 15) 视野α(见图15)
| ||||||||||
带标准/球形透镜窗口 (-2)内置905 nm滤光片
| 90 55 | 90 55 | 122 N/A | Degrees | ||||||
带灯管(在空气中)
| 33 | 33 | N/A | |||||||
Field of view α’ (see Figure 15) | ||||||||||
带标准窗口/球透镜 | 114 | 114 | 129 | Degrees | ||||||
(-2)内置905 nm滤光片 | 78 | 78 | N/A | |||||||
击穿电压, Vbr | 225 | 225 | 225 | V | ||||||
反向偏置温度系数, Vr,恒定增益电压 | 0.5 | 0.7 | 0.9 | 0.5 | 0.7 | 0.9 | 0.5 | 0.7 | 0.9 | V/˚C |
探测器温度(见注2) | ||||||||||
-TC | 0 | ˚C | ||||||||
-DTC | -20 | ˚C | ||||||||
Gain (see note 1) | 150 | 250 | 250 | |||||||
响应度 | ||||||||||
830 nm时(不适用于-2) | 70 | 77 | 117 | 128 | 128 | A/W | ||||
at 900 nm | 55 | 65 | 92 | 108 | 108 | A/W | ||||
量子效率 | ||||||||||
at 830 nm (not applicable for -2) | 77 | 77 | 77 | % | ||||||
at 900 nm | 60 | 60 | 60 | % | ||||||
Dark current, id | 15 | 30 | 15 | 30 | 15 | 30 | nA | |||
-TC (at 0 °C) | 2 | nA | ||||||||
-DTC (at -20 °C) | 1 | nA | ||||||||
Noise current, in (see note 3) -TC (at 0 °C) | 0.23 | 0.5 | 0.11 | 0.2 |
0.04 | pA/ÖHz pA/ÖHz | ||||
-DTC (at -20 °C) | 0.02 | pA/ÖHz | ||||||||
电容 | 1.6 | 2 | 1.6 | 2 | 1.6 | 2 | pF | |||
Rise/Fall time, RL=50 Ω 10% to 90% points |
0.5 |
0.75 |
0.5 |
0.75 |
0.5 |
0.75 |
ns | |||
90% to 10% points | 0.5 | 0.75 | 0.5 | 0.75 | 0.5 | 0.75 | ns | |||
最大驱动电流 | ||||||||||
-TC | 1.8 | A | ||||||||
-DTC | 1.4 | A | ||||||||
最大偏置电压 | ||||||||||
-TC | 0.8 | V | ||||||||
-DTC | 2.0 | V | ||||||||
5%光子探测概率下的暗计数率 (830 nm) Dark count rate at 5% photon detection probability (830 nm) (see Figure 9 and note 4) |
5000 |
15000 | 1100 (-TC) 250 (-DTC) |
15000 |
cps | |||||
电压高于Vbr,5%光子探测概率(830 nm) Voltage above Vbr for 5% photon detection probability (830 nm) (见图7和注4) |
2 |
2 |
V | |||||||
5%光子探测概率(830 nm)下的脉冲比后(注5) After-pulse ratio at 5% photon detection probability (830 nm) (note 5) | 2 | 15 | 2 | % | ||||||
1.在特定直流反向工作电压下,Vop或Vr,随每个装置提供,光斑直径为0.25 mm(C30902EH,SH)或0.10 mm(C30921EH,SH)。在180至250V的电压下运行,设备将满足上述电气特性限制。
2.热敏电阻的温度(开尔文)可为
使用以下方程式计算:[𝐾] = 𝛽 ,
项次(𝑅/𝑟∞)
式中,R是测量的热敏电阻电阻,单位为Ω,
𝛽 = 3200,R0=5100Ω,T0=298.15 K和r∞ =
− 𝛽R e ≅ 0.1113
表2–最大额定值
1.雪崩光电二极管中散粒噪声电流的理论表达式为in=(2q(Ids+(IdbM²+PORM)F)BW)½,其中q是电子电荷,Ids是暗表面电流,Idb是暗体电流,F是过量噪声系数,M是增益,PO是器件上的光功率,BW是噪声带宽。对于这些装置,F=0.98(2-1/M)+0.02 M(参考文献:PP Webb,RJ McIntyre,JJ Conradi,“RCA审查”,第35卷第234页,(1974年))。
2.C30902SH和C309021SH可在更高的检测概率下运行。(参见盖革模式操作部分)。
3.主脉冲后1µs至60秒发生脉冲后。
Parameter | Symbol | Min | Max | Units |
储存温度 | TS | -60 | 100 | °C |
工作温度 | Top | -40 | 70 | °C |
Soldering for 5 seconds (leads only) 焊接5秒钟(仅限引线) | 260 | °C | ||
室温反向电流 | ||||
平均值,连续运行 | 200 | µA | ||
峰值(1s持续时间,非重复) | 1 | mA | ||
室温正向电流 | ||||
平均值,连续运行 | IF | 5 50 | mA mA | |
峰值(1s持续时间,非重复) | 60 | mW |
电光特性 图1–22°C外壳温度下的典型光谱响应度

图2–典型量子效率与波长的关系,作为外壳温度的函数

图3–830nm处的典型响应度与工作电压(作为外壳温度的函数)


图4–典型噪声电流与增益

图5–典型暗电流与工作电压
外壳温度为22°C

图6–典型增益–作为增益函数的带宽乘积
外壳温度为22°C

图7–盖革模式,830nm处光电子探测概率作为高于Vbr电压的函数
外壳温度为22°C

图8–盖革模式下C30921SH的载重线

图9– 5%光子探测效率(830nm)下的典型暗计数与温度

图10–有源淬火电路中下一个100ns内的后脉冲概率与延迟时间
(典型用于Vbr下的C30902SH和C30921SH,外壳温度为22°C时)

包装图纸(其他包装可根据要求提供)
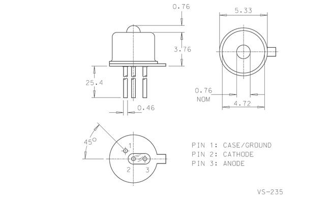
图11–C30902EH和C30902SH,参考尺寸以毫米(英寸)为单位

图12–C30921EH和C30921EH,灯管的包装轮廓和剖面,参考尺寸
以毫米[英寸]为单位显示

图13–C30902EH-2和C30902SH-2所示参考尺寸,单位为毫米[英寸]

图14–C30902BH,参考尺寸以mm为单位

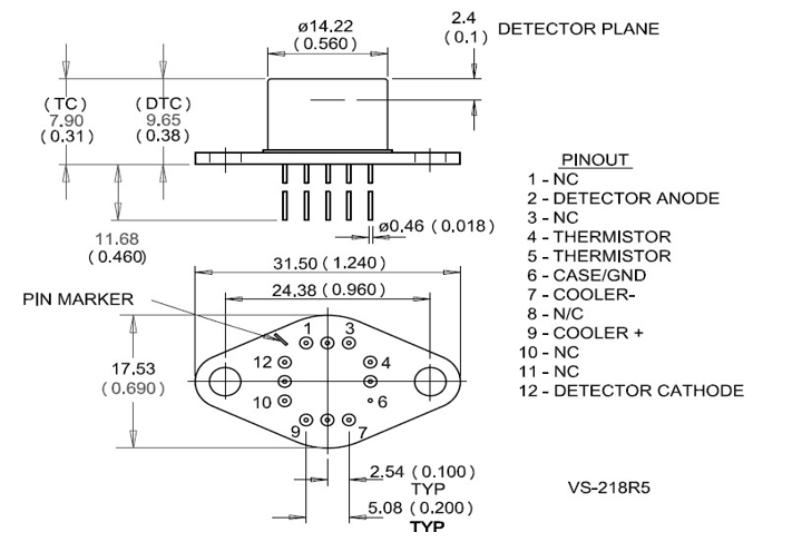
图15–C30902SH-TC/-DTC,TO-66,带法兰轮廓,参考尺寸以毫米(英寸)为单位

图16–近似视野–C30902和C30921系列
角入射辐射≤ 𝘢/2、感光面完quan发光。
入射辐射角度>𝘢/2,但是≤ 𝘢 /2、感光面部分发光

“-TC”和“-DTC”TE冷却版本
TE冷却的APD可用于不同的原因(图15)。大多数应用程序得益于-TC(单)或-DTC(双)版本,
原因有二: 1.如前所述,降低用于非常小信号检测的热噪声。TC版本设计用于将APD运行至0C而-DTC版本可在-20下运行C当环境温度为22℃时C
2.无论环境温度如何,保持恒定的APD温度。由于APD击穿电压随温度降低而降低,TE冷却器允许单一工作电压。此外,这种配置允许在扩展的环境温度范围内保持恒定的APD性能。 装置内的热敏电阻可用于监测APD温度,并可用于实施TE冷却器反馈回路,以保持APD温度恒定或/和对APD偏置电压进行温度补偿。需要一个合适的散热器来散热APD和TE冷却器产生的热量。 定制设计 认识到不同的应用程序有不同的性能要求,Excelitas为这些APD提供了广泛的定制,以满足您的设计挑战。暗计数选择、自定义设备测试和打包是许多应用程序特定的解决方案之一 盖革模式操作 当偏置电压高于击穿电压时,雪崩光电二极管通常会传导大电流。但是,如果电流限制在小于特定值(约50A对于这些二极管),电流不稳定,可以自行关闭。对这一现象的解释是,在任何时候,雪崩区的载流子数量都很小,而且波动很大。如果数字恰好波动到零,电流必须停止。If随后保持关闭状态,直到雪崩脉冲被大块或光生载流子重新触发。 选择“S”型以产生小批量暗电流。这使得它们适用于盖革模式下低于VBR的低噪声操作或高于VBR的光子计数。在这种所谓的盖革模式中,单个光电子(或热产生的电子)可触发雪崩脉冲,使光电二极管从其反向工作电压Vr放电到略低于VBR的电压。该雪崩发生的概率如图7所示为“光电子检测概率”,可以看出,它随着反向电压Vr的增加而增加。对于给定的Vr Vbr值,光电子探测概率与温度无关。为了确定光子探测概率,需要将光子探测概率乘以量子效率,如图2所示。量子效率也相对独立于温度,除了在1000 nm截止附近。
“S”型可在盖革模式下使用“无源”或“有源”脉冲熄灭电路。下面讨论每种方法的优缺点。
无源熄灭电路 最简单的,在许多情况下是一种完quan合适的熄灭击穿脉冲的方法,是通过使用限流负载电阻器。这种“被动”淬火的示例如图17所示。电路的负载线如图8所示。要在Vbr下处于导通状态,必须满足两个条件: 1.雪崩必须由进入二极管雪崩区的光电子或体产生的电子触发。(注:硅中的空穴在开始雪崩时效率很低。)上面讨论了触发雪崩的概率。
2.为了继续处于导电状态,必须有足够大的电流(称为闭锁电流ILATCH)通过器件,以便在雪崩区域始终存在电子或空穴。通常在C30902SH和C30921SH中,ILATCH=50A.对于远大于ILATCH的电流(Vr Vbr)/RL,二极管保持导通。如果电流(Vr Vbr)/RL远小于ILATCH,则二极管几乎立即切换到非导通状态。如果(Vr Vbr)/RL近似等于ILATCH,则二极管将在任意时间从导通状态切换到非导通状态,这取决于雪崩区域中的电子和空穴数量统计波动到零的时间。 当RL较大时,光电二极管正常导通,且在非导通状态下工作点位于Vr IDSRL。雪崩击穿后,该器件以时间常数RLC重新充电至电压Vr-IDSRL,其中C是包括杂散电容在内的总器件电容。使用C=1.6 pF和RL=200 k 充电时间常数为0.32s是计算出来的。上升时间很快,为5到50ns,随着Vr-Vbr的增加而减少,并且非常依赖于负载电阻器、引线、电容器的电容,
图17–无源淬火电路示例

主动淬火电路
在C30902SH充电之前,检测到另一个入射光电子的概率相对较低。为避免在高于Vbr的大电压下运行时出现过多死区,可使用“主动淬火”电路。在检测到雪崩放电后,电路会暂时将偏置电压降低几分之一微秒。这个延迟时间允许收集所有电子和空穴,包括那些暂时“捕获”在硅中不同杂质位置的电子和空穴。当重新施加更高的电压时,耗尽区中没有电子触发另一次雪崩或锁定二极管。通过一个小的负载电阻,充电可以非常迅速。或者,可以保持偏置电压,但负载电阻器由晶体管替换,该晶体管在雪崩后短时间保持关闭,然后开启一段足以对光电二极管充电的时间。
定时分辨率
对于光子计数应用,当在曲线上绘制并平均半高宽时,检测到光子后TTL触发脉冲的时间是计时分辨率或时间抖动。半电压点处的抖动通常与上升时间的数量级相同。对于必须具有最小抖动的定时目的,应使用上升脉冲的最低可能阈值。
脉冲后
后脉冲是继光子产生的脉冲之后并由其诱导的雪崩击穿脉冲。后脉冲通常由雪崩期间通过二极管的大约108个载波之一引起。如前所述,该电子或空穴被捕获并捕获在硅中的某个杂质位置。当这个电荷载体被释放时,通常在不到100纳秒但有时几毫秒之后,它可能会开始另一次雪崩。使用图17所示的电路,在高于Vbr 2伏时,超过1微秒后出现后脉冲的概率通常小于1%。
后脉冲随偏压的增大而增大。如果需要减少后脉冲,建议将Vr Vbr保持在低水平,使用具有长延迟线的主动淬火电路,或具有长RLC常数的被动淬火电路。杂散电容也必须最小化。在某些情况下,可以对信号进行电子选通。如果在特定应用中后脉冲是一个严重的并发症,可以考虑在Vbr以下使用良好的放大器进行操作。
暗电流
已选择“S”版本以具有较低的暗计数率。冷却至-25由于暗计数率对温度的依赖性是指数性的,因此C可以将其降低约50倍。
暗计数随着电压的增加而增加,其曲线与光电子检测概率相同,直到电压在脉冲后产生反馈机制,从而显著增加暗计数率。该最大电压取决于电路,除表1中列出的值外,不受保证。在大多数情况下,延迟时间为300纳秒,二极管可在高达Vbr+25V的电压下有效使用。
C30902不应向前偏置,或者在无偏置时,不应暴露在强照明下。这些条件导致暗计数大大增强,可能需要24小时才能恢复到其标称值。
RoHS合规性
C30902和C30921系列雪崩光电二极管的设计和制造完quan符合欧盟指令2011/65/EU–限制在电气和电子设备中使用某些有害物质(RoHS)。
担保
装运后的标准12个月保修适用。如果光电二极管窗口已打开,则任何保修均无效。
关于Excelitas Technologies
Excelitas Technologies是一家全球技术领导者,致力于提供创新的定制解决方案,以满足OEM客户的照明、检测和其他高性能技术需求。
从PerkinElmer、EG&G和RCA开始,Excelitas在45年多的时间里一直为我们的OEM客户群提供光电传感器和模块服务。我们始终致力于创新,致力于为全球客户提供最优质的解决方案。
从航空航天和国防到分析仪器、临床诊断、医疗、工业以及安全和安保应用,Excelitas Technologies致力于帮助我们的客户在其专业终端市场取得成功。Excelitas Technologies在北美、欧洲和亚洲拥有约3000名员工,为全球客户提供服务。
