| 货号 | 操作 | 名称 | 描述 | 中心波长 | 输出功率 | 封装 |
|---|
| 图片 | 名称 | 货号货期 | 描述 | 参数 | 价格 |
|---|
Philips单模VCSEL激光器具有出光功率高,线宽窄以及良好的一致性目前深受国内科研客户青睐。目前我们现有库存波长760nm 用于TDLAS氧气检测,以及795nm用于Rb原子钟实验,还有852nm用于CS原子冷却。
● 垂直腔面发射激光器
● 窄线宽
● 内部TEC和热敏电阻
● 2 nm TEC的可调性
● 为铷共振激发而设计TO46&TEC
● 特定工作条件:激光电流IOP = 2 mA 目标波长 λt = 794.7 nm @ TOP (由TEC调节)
● CPT原子钟
● 光学相干实验
参数 | 符号 | Min. 值 | 典型值 | Max. 值 | 单位 | 备注 |
入射波长 | λ | 794.7nm | ||||
TO温度 | TTO | -10 | 55 | ℃ | ||
芯片温度 | TOP | 20 | 55 | ℃ | 由TEC调节 | |
阈值电流 | ITH | 0.5 | mA | |||
输出功率 | Popt | 0.25 | 1.00 | mW | ||
阈值电压 | UTH | 1.80 | V | |||
激光电压 | UOP | 2.3 | V | |||
电光转换率 | ηWP | 12 | % | |||
斜率效能 | ηS | 0.3 | W/A | |||
微分串联电阻 | RS | 250 | Ω | |||
相对噪声强度 | RIN | -130 | -120 | dB/Hz | @ 1 GHz | |
波长调谐电流 | 0.6 | nm/mA | ||||
波长调谐温度 | 0.06 | nm/K | ||||
热电阻 | Rthermal | 3 | 5 | K/mW | ||
边模式抑制 | 25 | dB | ||||
光束发散度 | θ | 10 | 25 | ° | 满1/e2带宽 | |
光谱带宽 | Δν | 30 | MHz | |||
TEC电流 | ITEC | 加热时-300 | 冷却时+500 | mA | 需适当散热器 | |
NTC热敏电阻 | 9.5 | 10.0 | 10.5 | kΩ | TOP = 25°C, IOP = 0, ITEC = 0 | |
NTC温度依赖性 | 10/exp[3892·(1/298K-1/TOP)] | kΩ | ||||

jue对Max. 值
● 储存温度 -40~125°C
● TO工作温度 -40~85°C
● 正向激光电流 3mA
● VSEL反向电压 3V
● 焊接温度* 270C°
● *TEC 温度必须低于 150°C
波长选择标准:
参数 | 符号 | Min. 值 | 典型值 | Max. 值 | 单位 | 备注 |
入射波长 | λ0 | 792.7 | 794.7 | nm | @TOP = 20°C, IOP = 2mA | |
目标波长 | λt | 794.7 | nm | 由TEC调节 |
光谱图

LIV

TEC电流调谐下的温度/波长
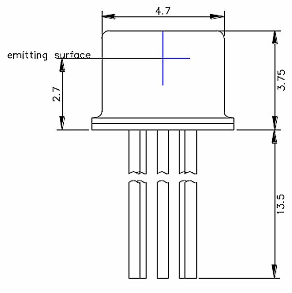
产品尺寸


管脚配置(单位mm)

