| 货号 | 操作 | 名称 | 描述 |
|---|
| 图片 | 名称 | 货号货期 | 描述 | 价格 |
|---|
2013 年,304永利集团发明了一项全新的致动器技术并获得** —— 这项技术能够制造出转动惯量极低、转子刚度很高且扭矩尽可能大的电机。该新技术最初应用于我们的土星系列光学扫描仪,在激光显示、医疗成像和自动驾驶汽车等行业得到了广泛采用。
过去几年中,认识到我们扫描仪优势的客户曾询问我们是否有可能研发一款连续旋转版本。起初这似乎难以实现,因为我们扫描仪的结构设计是在光学扫描应用所涉及的有限角度范围内实现扭矩Max. 化。然而,经过大量基于计算机模型的研究以及实物原型的开发,我们成功研制出了连续旋转电机,其性能可与我们的光学扫描仪相媲美。这一研发成果的标志性特点是其很高的加速能力 —— 该电机技术能够在 1 毫秒内从静止状态加速至 120,000 转 / 分(整个过程仅需旋转一圈)!
这款全新的 “正余弦(Sin-Cos)” 电机采用正余弦驱动方式,并提供正余弦位置反馈。当与我们的 Mach-DSP 伺服驱动器配套使用时,它能够在 360 度范围内的任意方向和角度实现快速点对点运动。同时,它还支持双向连续旋转,且可在极低或很高的转速下运行。
尽管原型机已成功研制且其工作原理得到验证,但我们目前尚未推出 “标准” 产品进入市场。相反,我们正在寻找能够从这项新电机技术中获益的客户和合作伙伴,该技术的尺寸和性能可根据需求进行调整。
● 紧凑的电机封装
● 很高的加速度(>1200 万弧度 / 秒 ² )
● 可在超高转速下运行(>10 万转 / 分 )
● 可在极低转速下运行(<1 转 / 小时 )
● 内置高分辨率编码器(360 度范围内>16 位 )
● 可实现启停及连续旋转
● 线圈电阻低,运行时发热量小
● 热阻低,可更高效地散除产生的热量
● 快速定位光阑轮
● 慢速或快速旋转衍射轮
● 直接 360 度旋转光学元件
参数
参数 | -24S | -46S | 单位 |
旋转角度(1) | 360 | Degrees Continuous, CW and CCW | |
转子转动惯量 | 0.03 | Gram • Centimeters2 | |
转矩常数(2) | 22,500 | 44,000 | Dyne • Centimeters per Ampere |
z高转子 温度 | 110 | °C | |
热阻(2) | 0.7 | °C per Watt | |
线圈电阻(2) | 0.88 | 3 | Ohms, per phase (sine-cosine) |
线圈电感(2) | 54 | 190 | µh, per phase |
反电动势电压(1, 2) | 39.3 | 76.8 | µV per degree per second |
峰值电流(2) | 25 | Amperes Maximum, per phase | |
均方根电流(2) | 8 | 4.3 | Amperes total, at Tcase of 50°C |
电功率处理能力(2) | 72 | Watts at Tcase of 50°C | |
小角度阶跃响应(2) | < 200 | µS with no load | |
编码器输出信号(共模)(1) | 300 | µA with LED current of 20mA | |
编码器输出信号(差模)(1) | 20 | µA per degree, with LED current of 20mA | |
质量 | 36 | Grams | |
注释
1. 角度规格以机械角度为单位。
2. 该技术可轻松通过定制线圈配置实现不同的规格参数。若您对线圈电阻、电感、扭矩、电流或连接器有
特殊要求,请联系我们。
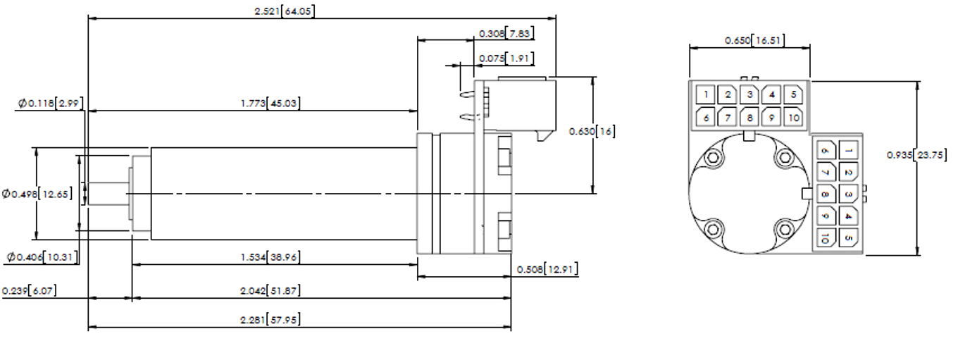
轮廓图

所有尺寸单位均为毫米
更多信息
关于 Compact 和 Saturn 系列光学扫描器以及 VRAD 系列执行器的更多信息,包括额外的
应用提示与建议,可访问 www.ScannerMAX.com。
我们强烈建议 OEM 厂商与我们合作,以确保选用并设计出最合适的扫描器或执行器。
《激光扫描》书籍现已出版
关于振镜扫描器、伺服驱动技术及其应用的详细信息,可参考chang销书 《LASER SCANNERS: Technologies and Applications》,作者为 Pangolin 总裁 William R. Benner, Jr.。该书可在 www.LaserScanningBook.com 获取
304永利集团提供的扫描器与执行器
lVRAD 506:一款低成本开环旋转执行器,可实现大角度旋转——非常适用于光闸应用
lCompact 506:很有性价比、最轻便、最通用的振镜扫描器,适用于 3mm 至 1 英寸光束
lSaturn 1B:具备业内最快矢量扫描速度,专为 3mm 光束优化
lSaturn 2B:替代共振扫描器,用于对 3mm 光束进行高频正弦扫描
lSaturn 5B:适用于 5mm 和 6mm 光束的矢量及光栅扫描
lSaturn 9B:为 8mm 至 10mm 光束提供z佳的大信号矢量扫描性能
lSaturn 9B Plus:用于 10mm 光束光栅扫描,热量产生减少达 40%
lARC 12532:低成本扫描仪,适用于光束直径达 50 毫米的矢量扫描
**与商标信息
德国**(实用新型)号:20 2020 000 420
国际**申请号:PCT/US18/44614
国际**申请号:PCT/US18/44624
其他美国及国际**申请中。
