| 货号 | 操作 | 名称 | 描述 | 光谱响应 | 感光规格 | 封装 |
|---|
| 图片 | 名称 | 货号货期 | 描述 | 参数 | 价格 |
|---|
灵敏度波长范围为800nm ~2600nm 的MTPD260T8-300是一个高灵敏度和高可靠性的产品系列, 非常适合于光通信设备。客户可以定制封装形式。
特点
响应速度快
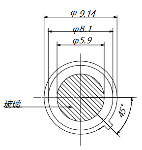
TO-39封装
有效面积3.0mmФ/高灵敏度
光谱范围800nm-2600nm
应用
高速光通信
工业控制
分析气体/水
激光测距
医疗
jue对Max. 额定参数 (Ta=25ºC)
| 参数 | 符号 | 主要指标 | 单位 |
有效光敏面直径 | Ф | 3.0 | mm |
工作温度范围 | Topr | 40 to +85 | ºC |
储存温度范围 | Tstg | 40 to +125 | ºC |
光电参数 (Ta = 25ºC) | ||||||
参数 | 符号 | 条件 | MIN | 典型值 | MAX | 单位 |
击穿电压 | VR | IR=10uA | -- | -- | 1 | V |
灵敏度范围 | λ | VR=0V | 800 | -- | 2600 | nm |
暗电流 | ID | VR=0V | -- | 80 | -- | nA |
暗电流 | ID | VR=1V | -- | 770 | -- | uA |
响应度 | R | λ=2400nm | -- | 1.24 | -- | A/W |
分流电阻 Shunt Resistance | RS | VR=10mV | -- | 0.5 | -- | kOhm |
量子效率 | QE | λ=1840nm | -- | 72 | -- | % |
电容 | C | VR =0V | -- | 3100 | -- | pF |
电容 | C | VR =1V | -- | 500 | -- | pF |
封装尺寸


单位: mm, 误差: ±0.2
光谱响应曲线

量子效率曲线


