| 货号 | 操作 | 名称 | 描述 |
|---|
| 图片 | 名称 | 货号货期 | 描述 | 价格 |
|---|
产品描述:
M2x2光开关通过接通或阻断光信号来实现光路连接。该开关具有非机械配置并通过电气控制信号启动。该开关还具有内置循环器和隔离器功能。产品广泛应用于航空航天、军工装备
• 固态高速
• 高稳定性、高可靠性
• 光路无环氧树脂
• 故障安全闭锁
• 航空航天设备
• 可配置添加/删除
• 系统监控
• 传感系统
性能指标 :
| 参数 | 单位 | 规格 |
波长范围 | nm | 1520 ~ 1580 |
测试波长 | nm | 1550 |
插入损耗 1,2 | dB | ≤ 1.2 |
TDL | dB | ≤ 0.30 |
PDL | dB | ≤ 0.20 |
回波损耗 | dB | ≥ 50 |
串扰 | dB | 双向 ≥ 20 |
单向 ≥ 35 | ||
重复性 | dB | ≤ ±0.01 |
切换时间 | us | ≤ 100 |
脉冲持续时间 | us | ≥ 200 |
耐用性 | Cycles | ≥10 Billions |
开关类型 | NA | Latching |
工作电流 | mA | ≤ 200 |
Max. 光功率 | mW | ≤ 500 |
工作温度 | ℃ | -5 ~ +70 |
储存温度 | ℃ | -40 ~ +85 |
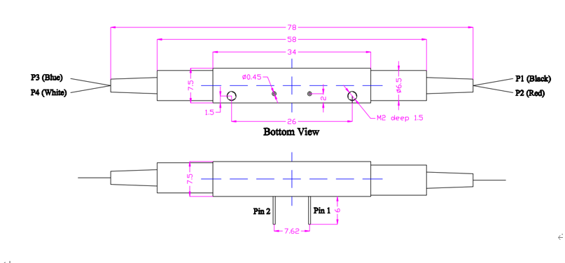
尺寸 | mm | (L)34.0×(W)7.5×(H)7.5 ±0.2 |
注:1 在室温和 SOP 下测试。 | ||
机械尺寸(单位:mm)

电力驱动

功能图


订购参考信息
YFS-M2x2-□-□-□-□-□-□-□
—□ | —□ | —□ | —□ | —□ | —□ | —□ |
开关类型 | 光纤类型 | 电压 | 波长 | 松套管类型 | 光纤长度 | 接头 |
B: U: | SM: | 2.5: | 1550: | 250: | 05: | OO:None |
