| 货号 | 操作 | 名称 | 描述 |
|---|
| 图片 | 名称 | 货号货期 | 描述 | 价格 |
|---|
该产品采用了在包括可见光区域在内的 400~1700nm 近红外区域具有高灵敏度InGaA图像传感器。能够将人眼以及普通 CCD/CMOS 相机难以拍摄的物体可视化。作为一款 InGaAs 传感器,其具备高分辨率,可达 2048×1536 像素,且能够以z高 93 帧 / 秒(fps)的速率进行图像采集。采用与 PC 兼容性强的 USB3.0 接口,无需通过采集卡或主机适配器卡,可直接向 PC 传输图像数据。
● 近红外高灵敏度
● 高分辨率
● USB3.0 接口设计
产品构成:
1) 相机本体
2) USB3.0 线缆(TYPE A-micro B 接口,长度约 3 米)
3) 软件CD
<配件选择>
1) 近红外专用镜头(C 接口镜头)
安装:
相机的连接方法(连接示例)

规格:
项目 | ARTCAM-993SWIR-TEC |
图像传感器 | SONY 制造铟镓砷传感器 型号: IMX992-AABJ-C |
图像传感器冷却方式 | 电子冷却(15℃以下) |
有效像素数 | 2080(宽)×1544(高) |
输出像素数 | 2048(宽)×1536(高) |
像素尺寸 | 3.45μm × 3.45μm |
成像面积 | 7.1mm × 5.3mm |
探测波长范围 | 400~1700nm(全波段) |
快门方式 | 全局快门(Global Shutter) |
信噪比(参考) | 待定(TBD) |
输出接口 | USB3.0 批量传输 |
模数转换分辨率 | 12bit |
帧率 | 93fps(8bit 传输)47fps(12bit 传输) ※因处于开发阶段,数据为预估 |
曝光时间 | 13.04 微秒~2 秒 |
增益(模拟 / 数字) | 0~420※默认值为 0 (0~42 倍※默认值为 0 倍) |
ROI(计划支持)子采样(1/2)像素合并 | - ROI:仅支持垂直方向(水平方向由软件支持) |
触发拍摄(计划支持) | 开关状态:ON/OFF※默认值为 OFF |
镜像反转 | 开关状态:ON/OFF※默认值为 OFF(支持水平和垂直方向) |
工作模式 | 内部同步 |
镜头接口 | C 接口(C-Mount) |
外部 I/O 端子 | HR10A-7R-6S (73)(广濑(Hirose)制造) |
电源 | DC12V 外部输入 约 12W 以下 |
功耗 | 约 12W 以下 |
环境条件 | 工作温度 / 湿度:10~40℃/10~80%(无结露) 存储温度 / 湿度:0~60℃/10~95%(无结露) |
外形尺寸 | 71.6(宽)×61.5(高)×78.0(深)mm ※不含镜头、三脚架板及突起部分 |
重量 | 约 460g |
分光感度特性:

模拟 + 数字增益设置
本相机的传感器配备模拟增益和数字增益功能。
软件上的设定值范围为 0~420,对应增益倍数 0.0dB~42.0dB。
增益倍数计算公式:
Gain [dB] = 增益设定值 / 10.0 [dB]
当增益设定值≥180 时,数字增益将启用。
增益设定值与倍数 [dB] 的关系如下所示。

※ 支持 LCG(低转换增益)模式与 HCG(高转换增益)模式切换。
传感器封装与受光面位置:

H = 3.45[um] * 2560 = 8832[um] V = 3.45[um] * 2048 = 7065.6[um]
镜头对应视野范围(参考):

※ 上图以 1/2 英寸(φ8mm)、2/3 英寸(φ11mm)、1 英寸(φ15.8mm)传感器对角线尺寸作为对比参考,但实际视野范围会因镜头规格不同而存在差异。
相机外形尺寸如:

传感器周边尺寸图:

外部触发功能(配件选择):

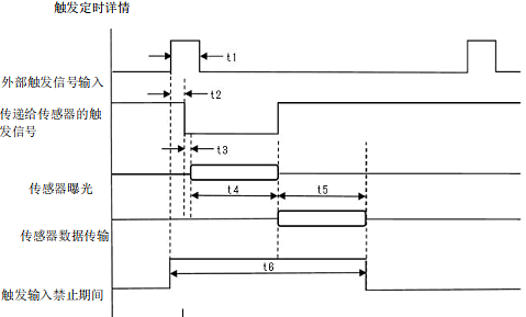
触发时序图:(ITR模式)

项目 | 时间 | |
t1 | 有效触发输入脉冲宽度 | ≥10μs |
t2 | 外部触发输入上升沿至传感器触发信号下降沿的光耦延迟(光耦隔离延迟) | ≤1μs |
t3 | 传感器触发信号下降沿至曝光开始的Max. 延迟 | ≤0.13μs |
t4 | 曝光时间 | 快门速度设定值 × 1H 时间(1H 为水平扫描周期,例如 2560 像素时 1H≈14μs) |
t5 | 数据传输时间(传感器→FPGA) | (9+ 有效垂直像素数) × 1H 时间 |
t6 | 触发输入禁止期 | T2+t3+t4+t5 |
1H = 6.52 微秒
连续输入触发信号时,请将触发信号的间隔设置得比 t6 更长 。
推荐配置:
● 主机控制器
本产品支持 USB3.0
若连接至 USB2.0 主机控制器,运行速度可能会极度下降,或出现无法正常运行的情况。
● CPU
本产品的驱动程序支持 “x86” 或 “amd64” 架构的处理器 。由于 CPU 性能会影响图像的绘制速度和图像处理速度,建议尽可能使用高性能的 CPU 。
● 可用内存
查看软件会在内部保留可存储 4 - 8 张图像的缓冲区,因此至少需要有能存储约 8 张图像的可用内存容量 。
(※例如,对于 130 万像素的彩色相机,所需内存为 1280×1024×3×8 [字节] = 30 [MB] )
尤其是使用高分辨率相机时,建议可用内存预留充足的余量 。
● 兼容操作系统
仅标准兼容 NT 系列 Windows(32 位 / 64 位),且已在 Windows 10 及更高版本的操作系统上完成标准运行测试 。
同时,推荐在 Windows 11 上使用 。
