| 货号 | 操作 | 名称 | 描述 |
|---|
| 图片 | 名称 | 货号货期 | 描述 | 价格 |
|---|
Optoplex的6端口90°光学混频器,由信号光与本振光可相干混频产生4个复数域的解调信号,可由两对平衡探测器接收,并经DSP处理后恢复原始信号。可用于光学相干技术的接收,例如QPSK接收器。
纯被动式(无需外部电源)
紧凑型尺寸
基于自由空间微光学设计
有分别处理偏振态的版本

光学相干检测的关键部件
QPSK解调
90°光学混频器在相干接收器中的应用可见下图:

利用自由空间微光学技术,Optoplex的90°光学混频器适用于相干信号解调,如BPSK 或QPSK信号解调。如上图所示,此设备可输入两路光信号(S & L),并产生4路输出光信号:S+L, S-L, S+jL, S-jL。当两对平衡接收机检测到这些信号时,这些输入信号中的振幅和相对相位信息可以通过差分检测与数字信号处理的方式提取出来。此外,在相干系统中,光相位的保持可以用于经济有效地补偿电域中的光传输损耗。
功能框图

端口 | 功能 | 相位差 | 数值 | 备注 |
1 | Local | L | ||
2 | Signal | S | ||
3 | M1 | 0 | S + L | |
4 | M2 | π | S - L | |
5 | M3 | π/2 | S + jL | |
7 | M4 | -π/2 | S - jL |
Parameter | Unit | Specification | |||
波长 1 | C- Band | nm | 1525 ~ 1570 | ||
L - Band | nm | 1570 ~ 1610 | |||
C+L Band | nm | 1525 ~ 1610 | |||
O-Band | nm | 1310 +/-30 | |||
相位差1,2 (between M1, M2 and M3, M4) | deg | 90 ± 10 | |||
插入损耗1(无连接器) | S→Mi | dB | < 9.0 | ||
L→Mi | dB | < 9.0 | |||
插入损耗差异1 | between S→M1 and S→M2 | dB | < 1.2 | ||
between S→M3 and S→M4 | dB | < 1.2 | |||
between L→M1 and L→M2 | dB | < 1.2 | |||
between L→M3 and L→M4 | dB | < 1.2 | |||
光回波损耗 | dB | > 27 | |||
光路差(M1和M2之间以及M3和M4之间的偏斜) | ps | < 1 | |||
工作温度 | ℃ | -5 ~ +65 | |||
储存温度 | ℃ | -40 ~ 85 | |||
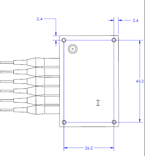
尺寸(L×W×H) 3 | mm | 30×30×15.5 | |||
纤维类型4 | - | SMF-28e with 900 m loose tube | |||
连接器类型5 | - | FC/APC | |||
注:
1.在规定的光谱和工作温度范围以及所有偏振态上。
2.可提供相位误差为90+/-5度的优质产品。有关详细信息,请联系Optoplex。
3.如有变化,不包括从相邻两侧延伸21 mm的准直器套管。
4.所有端口均采用SMF标准设计。可根据要求提供其他选项。
5.标准连接器,FC/APC。其他类型可用。请参阅订购信息。
机械尺寸


端口分配

90度光学混频器的热门型号列表- 2023
| - | Products | MPN | Wavelength | Fiber-Type | ||
Signal-Input | Lo- Input | Outputs | ||||
C-Band | 90度光学混合,C波段,适用于所有端口的SMF,相位90±10° | HB-C0AFAS002 | C-Band | SMF | SMF | SMF |
90度光学混合,C波段,适用于所有端口的SMF,相位90±5° | HB-C0AFAS013 | C-Band | SMF | SMF | SMF | |
90度光学混合,C波段,用于输入端口(信号和低)的PMF,用于所有输出端口的SMF,相位90±10° | HB-C0AFAC016 | C-Band | PMF | PMF | SMF | |
90度光学混合,C波段,用于输入端口(信号和低)的PMF,用于所有输出端口的SMF,相位90±5° | HB-C0AFAC057 | C-Band | PMF | PMF | SMF | |
90度光学混合,C波段,适用于所有输入和输出端口的PMF,相位90±10° | HB-C0AFAC055 | C-Band | PMF | PMF | PMF | |
90度光学混合,C波段,适用于所有输入和输出端口的PMF,相位90±5° | HB-C0AFAS066 | C-Band | PMF | PMF | PMF | |
L-Band | 90度光学混合,L波段,适用于所有端口的SMF,相位90±10° | HB-L0AFAS094 | L-Band | SMF | SMF | SMF |
90度光学混合,L波段,适用于所有端口的SMF,相位90±5° | HB-L1AFAS094 | L-Band | SMF | SMF | SMF | |
90度光学混合,L波段,用于输入的PMF;输出PMF,相位90±10° | HB-L0AFAP095 | L-Band | PMF | PMF | PMF | |
90度光学混合,L波段,用于输入的PMF;输出PMF,相位90±5° | HB-L1AFAP095 | L-Band | PMF | PMF | PMF | |
90度光学混合,L波段,用于输入的PMF;输出SMF,相位90±10° | HB-L0AFAX096 | L-Band | PMF | PMF | SMF | |
90度光学混合,L波段,用于输入的PMF;输出SMF,相位90±5° | HB-L1AFAX096 | L-Band | PMF | PMF | SMF | |
C+L Band | 90度光学混合,C+L波段,SMF适用于所有端口,相位90±10° | HB-T0AFAS101 | C+L Band | SMF | SMF | SMF |
90度光学混合,C+L波段,SMF适用于所有端口,相位90±5° | HB-T1AFAS101 | C+L Band | SMF | SMF | SMF | |
90度光学混合,C+L波段,适用于所有端口的PMF,相位90±10° | HB-T0AFAP102 | C+L Band | PMF | PMF | PMF | |
90度光学混合,C+L波段,适用于所有端口的PMF,相位90±5° | HB-T1AFAP102 | C+L Band | PMF | PMF | PMF | |
90度光学混合,C+L波段,PMF用于输入,SMF用于输出,相位90±10° | HB-T0AFAX103 | C+L Band | PMF | PMF | SMF | |
90度光学混合,C+L波段,PMF用于输入,SMF用于输出,相位90±5° | HB-T1AFAX103 | C+L Band | PMF | PMF | SMF | |
O-Band | 90度光学混合,O波段,适用于所有端口的SMF,相位90±10° | HB-Q0AFAS1310 | O-Band | SMF | SMF | SMF |
90度光学混合,O波段,适用于所有端口的SMF,相位90±5° | HB-Q1AFAS1310 | O-Band | SMF | SMF | SMF | |
90度光学混合,O波段,用于输入的PMF;SMF用于输出。相位90±10° | HB-Q0AFAX1310 | O-Band | PMF | PMF | SMF | |
90度光学混合,O波段,用于输入的PMF;SMF用于输出。相位90±5° | HB-Q1AFAX1310 | O-Band | PMF | PMF | SMF | |
90度光学混合,O波段,适用于所有端口的PMF。相位90±10° | HB-Q0AFAP1310 | O-Band | PMF | PMF | PMF | |
90度光学混合,O波段,适用于所有端口的PMF。相位90±5° | HB-Q1AFAP1310 | O-Band | PMF | PMF | PMF | |
1064nm | 90度光学混合,1064+/-5nm,适用于所有端口的HI1060 SMF,相位90±10° | HB-A0AFAS1064 | 1064nm | HI-1064 | HI-1064 | HI-1064 |
90度光学混合,1064+/-5nm,适用于所有端口的HI1060 SMF,相位90±5° | HB-A1AFAS1064 | 1064nm | HI-1064 | HI-1064 | HI-1064 | |
90度光学混合,1064+/-5nm,PM光纤(PM980 Panda)输入,HI1060 SMF用于输出,相位90±10° | HB-A0AFAX1064 | 1064nm | PM980 | PM980 | HI-1064 | |
90度光学混合,1064+/-5nm,PM光纤(PM980 Panda)输入,HI1060 SMF用于输出,相位90±5° | HB-A1AFAX1064 | 1064nm | PM980 | PM980 | HI-1064 | |
90度光学混合,1064+/-5nm,PM光纤(PM980 Panda),用于所有输入和输出端口,相位90±10° | HB-A0AFAP1064 | 1064nm | PM980 | PM980 | PM980 | |
| 90度光学混合,1064+/-5nm,PM光纤(PM980 Panda),用于所有输入和输出端口,相位90±5° | HB-A1AFAP1064 | 1064nm | PM980 | PM980 | PM980 | |
注:
1) 默认情况下,连接器为FC/APC。其他连接器类型可用,如FC/UPC、LC/UPC、LC/APC、SC/UPC等。
2) 默认的90度相位为90+/-10度。Premium为90+/-5deg。
可提供其他波段的定制设计。
具有光纤尾纤输入和输出的90度光学混合器件
·设备尺寸:48 x 31 x 8.5mm(不包括套筒和光学准直器)
·重量:96克
