| 货号 | 操作 | 名称 | 描述 | 中心波长 | 输出功率 |
|---|
| 图片 | 名称 | 货号货期 | 描述 | 参数 | 价格 |
|---|
FOL1437系列(带FBG)1480nm激光器设计用于光放大器系统,比如用于光传输系统的光纤拉曼放大器,也可用于DWDM波分复用系统。 激光二极管芯片封装在工业标准的14针引脚蝶形封装中,内置TEC,热敏电阻和PIN光电二极管。双透镜系统将来自激光芯片的圆形光有效地耦合到光纤,输出功率可高达500mw。
产品特点:
输出功率高达500mw
14引脚蝶形封装
内置内置TEC,热敏电阻和PIN光电二极管
保偏光纤输出
带FBG锁定波长
产品应用:
掺铒光纤放大器的泵浦源
C和/或L波段EDFA
单通道放大器到DWDM放大器
拉曼放大器的泵浦源
技术参数:
参数 | 符号 | Min. | 典型 | Max. | 单位 |
中心波长 | λc | 1479 | 1480 | 1481 | nm |
输出功率 | Pf | - | 500 | - | mW |
正向电流@Pf=500mw | If | - | - | 1800 | mW |
正向电压@Pf=500mw | Vf | - | - | 2.5 | V |
监控电流 @Pf=500mw | Im | 0.1 | - | 2 | mA |
光谱宽度 @Pf=500mw | △λ | - | 0.8nm | 3 | nm |
阈值电流 | Ith | - | - | 120 | mA |
热敏电阻 | Rth | 9.5 | 10 | 10.5 | KΩ |
TEC电流 | Ic | - | - | 3.4 | A |
TEC电压 | Vc | - | - | 4.1 | V |
总功耗 | Wtotal | - | - | 17 | W |
偏振消光比 | PER | 16 | - | - | dB |
jue对Max. 值参数:
参数 | 符号 | Min. | Max. | 单位 |
存储温度 | Tstg | -40 | 85 | ℃ |
工作机身温度 | Tc | -20 | 70 | ℃ |
LD正向电流 | If | - | 2100 | mA |
LD反向电压 | Vr | - | 2 | V |
TEC电流 | Ic | - | 4.5 | A |
TEC 电压 | Vc | - | 4.5 | V |
光谱图

功率曲线图

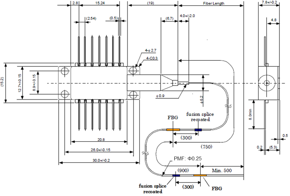
尺寸信息和引脚定义



订购信息:

