| 货号 | 操作 | 名称 | 描述 | 中心波长 | 输出功率 |
|---|
| 图片 | 名称 | 货号货期 | 描述 | 参数 | 价格 |
|---|
304永利集团 PHX-C-F-D-C34 DFB 激光器,具有超低的RIN 噪声和超窄的线宽等特性以及高输出光功率等优点, 目前被广泛应用于车载激光雷达及光纤传感探测系统和高精度测量等应用,可根据客户的需求提供定制服务, 并提供相应的技术支持。
性能特点
线宽:70KHz -200KHz
光功率:80mW
RIN 噪声:-163dBc/Hz @100KHz
规格参数
指标 | 符号 | 最小值 | 典型值 | 最大值 | 单位 | 条件 |
输出功率 | Po | 60 | 80 | mW | CW | |
中心波长 | λc | λI-0.5 | *λI | λI+0.5 | nm | T=25℃ |
光谱线宽(FWHM) | ΔνL | 200 | 300 | KHz | 洛伦兹线宽 | |
边摸抑制比 | SMSR | 40 | dB | CW, @Po | ||
偏振消光比 | PER | 20 | dB | 适用保偏,沿慢轴 | ||
相对强度噪声 | RIN | -163 | -155 | dB/Hz | ||
光隔离度 | ISO | 40 | dB | |||
TEC 设置温度 | TTEC | 15 | 40 | ºC | ||
阈值电流 | Ith | 15 | 30 | mA | @TTEC | |
LD 工作电流 | Ib | 400 | mA | CW, Po | ||
LD 工作电压 | Vf | 1.5 | 1.8 | V | CW, Po | |
PD 偏压 | VR | 4.75 | 5 | 5.25 | V | 阴极对阳极 |
PD 电流 | Imc | 2 | mA | @Po | ||
PD 暗电流 | Imd | 1 | nA | VR=5V | ||
工作温度 | To | -40 | 25 | 80 | ⁰C | |
存储温度 | Ts | -40 | 80 | ⁰C |
*λI:C Band ITU Standard 可选 ITU-CXX (XX= 24, 28, 32 ,36, 44)
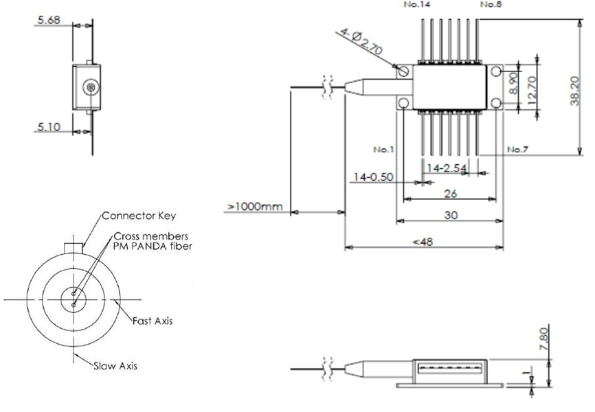
尺寸及管脚定义

引脚 | 描述 | 引脚 | 描述 |
1 | 热敏电阻 | 8 | NC |
2 | 热敏电阻 | 9 | NC |
3 | LD 阴极(-) | 10 | NC |
4 | PD 阳极(-) | 11 | LD 阳极(+) |
5 | PD 阴极(+) | 12 | NC |
6 | TEC 阳极 (+) | 13 | 外壳 |
7 | TEC 阴极(-) | 14 | NC |
典型的光电曲线

型号示例
PL-DFB-□□□□ - △-☆-A8▽-XX-NL
□□□□:波长
1550:1550nm
*****
1560:1560nm
△:窄线宽
70:70KHz
☆:输出功率
50:50毫瓦
100:100mW
150:150mW
▽: 波长容差
1:±1nm
2:±2nm
XX:光纤和连接器类型
SA=SMF-28E+ FC/APC
SP=SMF-28E+ FC/PC
PP=PM 光纤+FC/PC
PA=PM 光纤+ FC/APC
NL:窄线宽@70KHZ
