close[X]
您的购物车
型号 数量 货期
查看购物车 结算

VCSEL单模垂直腔面发射激光器低功耗芯片GaAs 795nm 0.13mW  

VCSEL单模垂直腔面发射激光器低功耗芯片GaAs 795nm  0.13mW
垂直腔面发射激光器(Vertical-Cavity Surface-Emitting Laser),简称VCSEL,是一种半导体激光器,其激光垂直于顶面射出。以砷化镓半导体材料为基础研制,不同于LED(发光二极管)和LD(激光二极管)。结构由镜面,有源层和金属接触层组成。两个发射镜分别为P型,N型布拉格发射器。有源区有量子肼组成,在P型DBR外表面制作金属接触层,形成欧姆接触,并在P型DBR上制作一个圆形出口,输出激光。


联系客服
 西北华中华东华南 Daisy
18602170419 同微信 可扫码  info@microphotons.com
 华北西南东北 Moli
13061644116 同微信 可扫码  info@microphotons.com
产品型号 5
货号 操作 名称
I80015035  795nm VCSEL单模低功耗芯片 GaAs 0.13mW (Group1 Ta=60±10°C)   [PDF] Group 1 - Die; 2222; 795; S; 1M; S5;S6;S7; 0.13mW; 0.16X0.20; Ta = 60±10°C; IF = 1.4 mA; DC = 100%; 795nm; 建议最大峰值功率CW 100% DC:0.15mW     价格 : ¥0 库存/货期:请咨询客服
I80015036  795nm VCSEL单模低功耗芯片 GaAs 0.13mW (Group2 Ta=70±10°C)   [PDF] Group 2 - Die; 2222; 795; S; 1M; S5;S6;S7; 0.13mW; 0.16X0.20; Ta = 70±10°C; IF = 1.4 mA; DC = 100%; 795nm; 建议最大峰值功率CW 100% DC:0.15mW     价格 : ¥0 库存/货期:请咨询客服
I80014001  795nm VCSEL低功耗芯片GaAs 0.13mW (Group3 Ta=80±10°C)   [PDF] Group 3 - Die; 2222; 795; S; 1M; S5;S6;S7; 0.13mW; 0.16X0.20; Ta = 80±10°C; IF = 1.4 mA; DC = 100%; 795nm; 建议最大峰值功率CW 100% DC:0.15mW     价格 : 请联系客服 库存/货期:请咨询客服
I80015037  795nm VCSEL单模低功耗芯片 GaAs 0.13mW (Group4 Ta=90±10°C)   [PDF] Group 4 - Die; 2222; 795; S; 1M; S5;S6;S7; 0.13mW; 0.16X0.20; Ta = 90±10°C; IF = 1.4 mA; DC = 100%; 795nm; 建议最大峰值功率CW 100% DC:0.15mW     价格 : ¥0 库存/货期:请咨询客服
I80015038  795nm VCSEL单模低功耗芯片 GaAs 0.13mW (Group5 Ta=100±10°C)   [PDF] Group 5 - Die; 2222; 795; S; 1M; S5;S6;S7; 0.13mW; 0.16X0.20; Ta = 100±10°C; IF = 1.4 mA; DC = 100%; 795nm; 建议最大峰值功率CW 100% DC:0.15mW     价格 : ¥0 库存/货期:请咨询客服
总览

垂直腔面发射激光器(Vertical-Cavity Surface-Emitting Laser),简称VCSEL,是一种半导体激光器,其激光垂直于顶面射出。以砷化镓半导体材料为基础研制,不同于LED(发光二极管)和LD(激光二极管)。结构由镜面,有源层和金属接触层组成。两个发射镜分别为P型,N型布拉格发射器。有源区有量子肼组成,在P型DBR外表面制作金属接触层,形成欧姆接触,并在P型DBR上制作一个圆形出口,输出激光。

产品特点

包装: 裸片

芯片工艺: GaAs 垂直腔面发射激光器

激光波长: 795nm

辐射剖面: 单模

ESD: 250 V acc. to ANSI/ESDA/JEDEC JS-001 (HBM, Class 1A)

产品应用

原子钟

磁力计


通用参数

Vixar模具图纸:孔径数量




我们目前有以下标准部件可供样品和批量生产

标准产品组合 – 低功耗芯片

型号波长模具细节建议Max. 峰值功率
CW,100% DC
注意数据表
单模
V00145795nm0.16 mm x 0.20 mm 单孔径0.15mW线宽<100MHz,+/-0.5nm 偏振稳定V00145_数据表
V00140895nm0.16 mm x 0.20 mm 单孔径0.2mW线宽<100MHz,+/-0.5nm 偏振稳定V00140_数据表
多模
V00146680nm0.22 mm x 0.22 mm 单孔径7mW可见光,效率提高,非高斯光束形状 偏振稳定V00146_数据表

 

标准产品组合 – 高功率芯片 – 850 nm

型号模具细节建议Max. 峰值功率
CW,100% DC
建议Max. 峰值功率
100 μs,1% DC
建议Max. 峰值功率
5 ns,0.1% DC
数据表
V001510.52 mm x 0.52 mm
100 个孔径
0.5W1W5WV00151_数据表
V000270.87 mm x 0.87 mm
281 个孔径
2W6W13WV00027_数据表
V001240.90 mm x 1.00 mm
550 个孔径
3W9W35WV00124_数据表
V000291.26 mm x 1.26 mm
770 个孔径
4W12W36WV00029_数据表
V001331.99 mm x 1.99 mm
1672 个孔径
6W20W78WV00133_数据表

 

标准产品组合 – 高功率芯片 – 940 nm

型号模具细节建议Max. 峰值功率
CW,100% DC
建议Max. 峰值功率
100 μs,1% DC
建议Max. 峰值功率
5 ns,0.1% DC
数据表
V000590.87 mm x 0.87 mm
281 个孔径
2W6W13WV00059_数据表
V000810.90 mm x 1.00 mm
550 个孔径
3W8W35WV00081_数据表
V001560.90 mm x 1.00 mm
550 孔径
多结 (3J)
4W12W110WV00156_数据表
V000631.26 mm x 1.26 mm
770 个孔径
4W11W36WV00063_数据表
V001321.99 mm x 1.99 mm
1672 个孔径
6W20W76WV00132_数据表




VCSEL低功耗芯片GaAs 795nm  Max. 额定值

Ta = 80°C

参数

符号

操作/焊接温度

DC = 100%

TS

Min. 值

Max. 值

-20°C

110°C

储存温度

Tstg

Min. 值

Max. 值

-40°C

125°C

正向电流(保持单模)

直流操作; DC = 100%; TS = 75°C

If

Max. 值

1.5 mA

正向电流

直流操作; DC =   100%; TS = 75°C

If

Max. 值

3mA

反向电压

不适合反向操作

ESD耐电压

acc. to ANSI/ESDA/JEDEC JS-001 (HBM, Class 1A)

VESD

Max. 值

250 V

 

注意:超出jue对Max. 额定值范围的应力可能会对设备造成永jiu性损坏。


  

 特征

Ta = 80°C, IF = 1.4 mA; DC = 100% - Group 3

 

参数

符号

正向电流

VF

典型值

1.8   V

输出功率

Φ

典型值

  0.13 mW

阈值电流

Ith

典型值

0.75 mA

斜率效能

SE

典型值

 0.21 W / A

单模抑制比

SMSR

Min. 值

 20 dB

偏振消光比5)

PER

Min. 值

15 dB

峰值波长

λpeak-v

Min. 值

典型值

Max. 值

794.5   nm

795 nm

795.5 nm

光谱线宽度

Λlinewidth

Max. 值

100   MHz

调频调制带宽

Fm

Min. 值

3.4 GHz

波长温度系数

TCλ

典型值

0.055 nm / K

半峰全宽处视场(50% of Φmax)

φx

φY

典型值

典型值

12°

12°

1/e2处 视场

φx

φY

典型值

 典型值

20°

20°

 

注意:波长,输出功率根据操作温度和电压的变化而变化。



相对光谱发射 1)

112.png



辐射特征 1)



113.png

正向电流 1) 2)


114.png

光输出功率 1) 2)


115.png


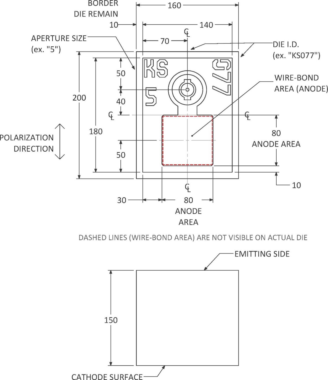
尺寸图 3) 单位mm







116.jpg










包装






117.jpg



注意事项

根据操作模式的不同,这些设备发射出高度集中的可见光和非可见光,这可能对人眼有害。包含这些设备的产品必须遵循IEC 60825-1中给出的安全预防措施。

除其他物质外,该装置的子组件还含有金属填充材料,包括银。金属填充材料可能会受到含有侵略性

物质的环境影响。因此,我们建议客户在存储、生产和使用过程中尽量减少设备接触腐蚀性物质。当

使用上述试验进行试验时,显示出可见变色的装置在规定的试验持续时间内未显示出故障限值范围内

的性能偏差。

 

IEC60810中描述了相应的故障限值。

 


术语

1)          典型值:由于半导体器件制造工艺的特殊条件,技术参数的典型数据或计算关联只能反映统计数字。这些不一定对应于每个产品的实际参数,这些参数可能不同于典型值和计算相关或典型特征线。由于技术改进,这些典型值数据将被更改,恕不另行通知。

2)         测试温度: TA = 85°C ± 2°C

3)         尺寸公差:除非图纸中另有说明,公差以±0.1规定,尺寸以mm规定。

4)         波长:连续波长测量,分辨率±0.1 nm。

5)         偏振: 在安装或封装引起的模具应力条件下,偏振消光比会降低。




订购信息

 

描述

工作模式

订购代码

Group 1 - Die; 2222; 795; S; 1M;

S5,S6,S7; 0.13mW; 0.16X0.20mm

Ta   = 60±10°C; IF = 1.4 mA; DC = 100%, 795nm

V00145 Group: 1

Group 2 - Die; 2222; 795; S; 1M;

S5,S6,S7; 0.13mW; 0.16X0.20

Ta   = 70±10°C; IF = 1.4 mA; DC = 100%, 795nm

V00145 Group: 2

Group 3 - Die; 2222; 795; S; 1M;

S5,S6,S7; 0.13mW; 0.16X0.20mm

Ta   = 80±10°C; IF = 1.4 mA; DC = 100%, 795nm

V00145 Group: 3

Group 4 - Die; 2222; 795; S; 1M;

S5,S6,S7; 0.13mW; 0.16X0.20mm

Ta   = 90±10°C; IF = 1.4 mA; DC = 100%, 795nm

V00145 Group: 4

Group 5 - Die; 2222; 795; S; 1M; 

S5,S6,S7; 0.13mW; 0.16X0.20mm

Ta = 100±10°C; IF = 1.4 mA; DC = 100%, 795nm

V00145 Group: 5

 












使用本网站,即表示您同意我们使用cookie.它可以帮助更好地提供会员服务以及短时间内记录您的浏览记录
已知晓 了解详情
提示