| 货号 | 操作 | 名称 | 描述 | 光谱响应 | 感光规格 |
|---|
| 图片 | 名称 | 货号货期 | 描述 | 参数 | 价格 |
|---|
Marktech的1346系列是高灵敏度和高可靠性的产品系列,非常适合于光通信设备。 客户可以定制其他封装形式,波长灵敏度范围: 600nm ~ 1750nm
jue对Max. 额定参数 (Ta=25℃)
| 参数 | 符号 | 主要指标 | 单位 |
有效光敏面直径 | Ф | 3.0 | mm |
工作温度范围 | Topr | 40 to +85 | ℃ |
储存温度范围 | Tstg | 40 to +125 | ℃ |
产品特点:
高速响应
TO-39封装
有效面积3.0mm /高灵敏度
光谱范围600nm-1750nm
应用:
高速光通讯
管线区域网路
光开关
以太网光纤通道
光电参数 (Ta = 25℃) | ||||||
参数 | 符号 | 条件 | MIN | 典型值 | MAX | 单位 |
击穿电压 | VR | IR=10uA | -- | -- | 5 | V |
灵敏度范围 | λ | VR=0V | 600 | -- | 1750 | nm |
暗电流 | ID | VR=1V | -- | 265 | -- | uA |
电容 | C | VR=1V; *2 | -- | -- | 2090 | pF |
响应度 | R | λ=1.6um | -- | 0.50 | -- | A/W |
分流电阻 Shunt Resistance | RS | VR=10mV | -- | 0.360 | -- | kOhm |
量子效能 | QE | λ=1.6um | -- | 0.40 | -- | % |
弱电流 | IL | λ=1.6um; *1 | -- | 35.4 | -- | µA |
上升下降时间 | Tr,Tf | -- | 102 | -- | ns | |
带宽 | BW | -- | 4.3 | -- | MHz | |
提示:
*1: Ee=1mW/cm2
*2: f=100kHz/1kHz
光谱响应图

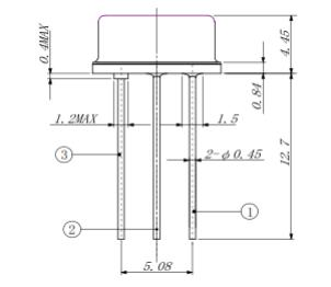
尺寸
单位:mm,公差:±0.2


引脚定义
①Cathode ②Anode ③Case
