| 货号 | 操作 | 名称 | 描述 |
|---|
| 图片 | 名称 | 货号货期 | 描述 | 价格 |
|---|
产品描述:
304永利集团的硅基放大光电探测器感光范围覆盖350nm~1100nm,程控式8档可调增益,可实现定量光电转换,动态范围宽,适用于各种光电开发场景,百分之百器件全国产,性能优秀,性价比高,提供quan方位技术支持,常应用于可见光和近红外光测量。
产品特点:
感光范围覆盖350nm~1100nm,常应用于可见光与近红外光测量
放大型探测器,程控式8档可调增益,定量化光电转换
动态范围宽,适用于各种光电开发场景
百分之百器件全国产
性能优秀,性价比高,quan方位技术支持
提供非标定制服务
应用领域:
可见光与近红外光测量
主要参数:
参数 | 值 | ||
波长范围 | 350-1100nm | ||
感光尺寸 | 3.6mm×3.6mm | ||
峰值波长 | 970nm(Typ.) | ||
放大器GBP | 230MHz | ||
带宽范围 | DC~6.7MHz | ||
增益范围 | Hi-Z负载:1.5kV/A~4.7MV/A;50Ω负载:0.75kV/A~2.35MV/A | ||
信号幅值 | Hi-Z负载:0~10V;50Ω负载:0~5V | ||
增益调节方式 | 程控式调节,共8档。带宽与增益成反比。 | ||
光敏面深度 | 0.06" (1.5mm) | ||
探测器净重 | 0.01kg | ||
工作温度 | 10-40℃ | ||
存储温度 | -20-70℃ | ||
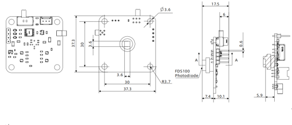
外观尺寸 | 1.47" X 1.47" (37.34 mm X37.34 mm) | ||
供电接口 | 供电开关 | 信号接口 | 增益调节 |
XH2.54mm 3Pin端子 | 滑动开关 | MMCX-KWE母座弯头 | 程控式调节 |
八档定量可调增益参数:
000 | 001 | 010 | 011 | ||||
增益(Hi-Z) | 1.5×103V/A | 增益(Hi-Z) | 4.7×103V/A | 增益(Hi-Z) | 1.5×104V/A | 增益(Hi-Z) | 4.7×104V/A |
增益(50Ω) | 0.75×103V/A | 增益(50Ω) | 2.35×103V/A | 增益(50Ω) | 0.75×104V/A | 增益(50Ω) | 2.35×104V/A |
带宽(BW) | 6.7MHz | 带宽(BW) | 920kHz | 带宽(BW) | 600kHz | 带宽(BW) | 160kHz |
噪声(RMS) | 258uV | 噪声(RMS) | 192uV | 噪声(RMS) | 207uV | 噪声(RMS) | 211uV |
100 | 101 | 110 | 111 | ||||
增益(Hi-Z) | 1.5×105V/A | 增益(Hi-Z) | 4.7×105V/A | 增益(Hi-Z) | 1.5×106V/A | 增益(Hi-Z) | 4.7×106V/A |
增益(50Ω) | 0.75×105V/A | 增益(50Ω) | 2.35×105V/A | 增益(50Ω) | 0.75×106V/A | 增益(50Ω) | 2.35×106V/A |
带宽(BW) | 54kHz | 带宽(BW) | 19kHz | 带宽(BW) | 5kHz | 带宽(BW) | 1.7kHz |
噪声(RMS) | 214uV | 噪声(RMS) | 234uV | 噪声(RMS) | 277uV | 噪声(RMS) | 388uV |
信号偏置 | ±8mV(Typ.) ,±12mV(Max) | ||||||
尺寸图:

响应曲线:

引脚定义:

引脚定义 |
|
Pin1 | GND |
Pin2 | A |
Pin3 | B |
Pin4 | C |
| 注意:Pin2、Pin3、Pin4:A、B、C三个引脚用于调节增益。 |
增益 | C | B | A |
1.5×103V/A | 0 | 0 | 0 |
4.7×103V/A | 0 | 0 | 1 |
1.5×104V/A | 0 | 1 | 0 |
4.7×104V/A | 0 | 1 | 1 |
1.5×105V/A | 1 | 0 | 0 |
4.7×105V/A | 1 | 0 | 1 |
1.5×106V/A | 1 | 1 | 0 |
4.7×106V/A | 1 | 1 | 1 |
附件1:可选配置表
硅基放大光电探测器 | 可选配置 | ||||
产品名称 | 材料 | 类型 | 特点 | 波长范围 感光尺寸 | 预留可选配置 |
PD: "光电探测器" | S:Si硅基 | A:放大型 | A:可调增益 | 3E36:350-1100nm,3.6×3.6mm | 器件全国产:C |
|
|
|
|
|
|
附件2:型号货号对照表
型号 | 货号 | 规格 |
PDSAA3E36C | A80153460 | 350-1100nm硅基放大光电探测器(全国产),感光尺寸3.6×3.6mm,程控式八档定量可调增益,带宽范围DC~6.7MHz,器件全国产 |
