close[X]
您的购物车
型号 数量 货期
查看购物车 结算

NIR-256×1 型 InGaAs 线列探测器 0.9-1.7um  

NIR-256×1 型 InGaAs 线列探测器 0.9-1.7um
NIR-256×1 型 InGaAs 线列探测器 0.9-1.7um


联系客服
 西北华中华东华南 Daisy
18602170419 同微信 可扫码  info@microphotons.com
 华北西南东北 Moli
13061644116 同微信 可扫码  info@microphotons.com
产品型号 1
货号 操作 名称
E80043072  NIR-256X1 型 InGaAs 线列探测器 0.9-1.7um   [PDF] 规模:256x1;光敏面尺寸:50um×50um;像元中心距:50 um;光谱响应波段:0.9~1.7 um; 峰值探测器率:≥1x1012 cm·Hz1/2/W@5°C 1 .55 um;响应非均匀性:≤5%;盲元率:≤0.5%;动态范围 ≥70dB; 量子效率:≥80%;    价格 : 请联系客服 库存/货期:请咨询客服
总览

NIR-256×1 型 InGaAs 线列探测器 0.9-1.7um


通用参数

应用领域:

近红外光谱仪


产品特点:

正照射结构

高长宽比光敏面

灵敏度高

内部集成热电


技术参数

特性参数典型值
规模256×1
光敏面尺寸50um×50um
像元中心距50 um
光谱响应波段0.9~1.7 um
峰值探测器率≥1x1012 cm·Hz1/2/W@5°C 1 .55 um
响应非均匀性≤5%
盲元率≤0.5%
动态范围≥70dB
量子效率≥80%
工作温度-20~ +60 ℃
储存温度-40~+70 c
外形尺寸55 mm (L)×30mm (W)×10 mm (H)
封装形式内部集成热电制冷器、管壳气密封装


典型光谱响应曲线


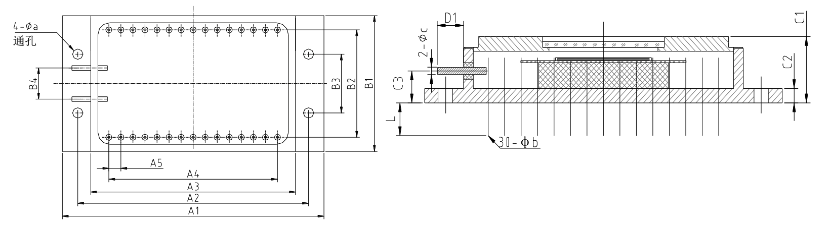
产品结构及尺寸: (单位 mm) 


16736210.png


16736214.png



注意事项:

(1)产品使用过程中,需要防静电保护,操作人员应戴静电手环。 

(2)产品在存贮、运输过程中,应放入防静电的泡沫中,并储存于

防静电盒内。

(3)针脚插拔不能用力过大,针脚弯折不能沿根部弯折超过 45°,防

止弯折造成玻璃珠开裂。

(4)产品需在断电后进行插拔操作。











使用本网站,即表示您同意我们使用cookie.它可以帮助更好地提供会员服务以及短时间内记录您的浏览记录
已知晓 了解详情
提示