| 货号 | 操作 | 名称 | 描述 |
|---|
| 图片 | 名称 | 货号货期 | 描述 | 价格 |
|---|
304永利集团全光纤声光调制器允许用户改变输出光振幅、持续时间和周期/频率。插入损耗可低至2 dB,消光比可高达50 dB,上升时间可低至5纳秒,周期性可高达数百MHz。应用包括开关、脉冲拾取、快速衰减器等。波长范围从近紫外到近红外。 调制器的一个特殊应用是可编程衰减器。衰减器是光纤传输系统设计中的关键元件。衰减器用于将光功率水平与接收器的动态范围相匹配,调整EDFA中的输入和输出水平,均衡不同DWDM信道之间的功率,并测试系统在不同光功率条件下的总体性能。
产品特点:
0级光和1级光光纤输出
保偏或者单模光纤输入输出
高消光比
可根据客户波长和频率的不同制作不同的器件
应用领域:
BODTR
DVS
光开关
产品参数:
AOM 参数
参数 | 单位 | Min. | Max. | 常规 | 备注 |
材料 | TeO2 | ||||
波长 | nm | 1520 | 1580 | 1550 | 可定制 |
平均光功率 | W | 0.5 | |||
超声波声速 | m/s | 4200 | |||
插入损耗 | dB | 1级光<2 0级光<1.5 | |||
消光比 | dB | 1级光>45 0级光>10 | |||
回波损耗 | dB | 40 | |||
上升沿时间 | ns | 60 | 70 | 65 | |
频率 | MHz | 80 | 可定制 | ||
射频功率 | W | 2.5 | 2.5 | ||
电压驻波比 | 1.2:1 | ||||
输入阻抗 | Ω | 50 | |||
器件接口 | SMA | ||||
光纤类型 | SMF-28e/PM1550 | ||||
光纤长度 | m | 1 | |||
光纤接口 | FC/APC | ||||
工作温度 | ℃ | -20~60 | |||
储存温度 | ℃ | -30~70 | |||
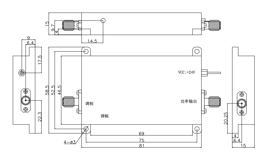
RF射频驱动
该产品具有工作稳定、频率稳定度高、功率输出稳定、功耗小等特点。
RF射频驱动 | |
输出频率(Mhz) | 40、60、80、100、120、150、200 |
工作电压(V) | 24V |
输出功率(W) | 0.1-3 |
阻抗匹配(Ω) | 50 |
控制方式 | TTL、正弦波、音频 |
接口 | SMA |
尺寸图:
AOM Modulator

RF Driver

订购信息
DP-AOM-△带宽-○工作波段-XX
DP:Dual Port
AOM
△带宽:40:40MHZ
80:80MHZ
100:100MHZ
150:150MHZ
200:200MHZ
○工作波段(780-1600nm):
0780:780nm
1064:1064nm
1550:1550nm
..........
XX:Fiber and Connector Type
SA=SMF-28E+ FC/APC
SP=SMF-28E+ FC/PC
PP=PM Fiber+ FC/PC
PA=PM Fiber+ FC/APC
