| 货号 | 操作 | 名称 | 描述 |
|---|
| 图片 | 名称 | 货号货期 | 描述 | 价格 |
|---|
905(p)型可变比耦合器由安装在基板块中的光学接触抛光纤维制成,基板块在接触平面中具有横向运动,以调整芯到芯的分离距离。在PM纤维的情况下,在运动过程中保持快轴和慢轴的方向。可忽略不计的厚油层用于润滑基底块并确保平稳运动。在实验室条件下,长期配比稳定性优于1%。
精细的横向运动是通过微米和杠杆系统来实现的。25∶1的杠杆比在测微计上每0.001英寸的刻度上在耦合器中心提供大约一微米的运动。
然而,这种运动并非没有迟滞或齿隙,并且远程905-M驱动器的特定千分尺读数或选定位置将不对应于特定固定比率,仅对应于标称比率。只有通过观察输出才能进行精确的比率设置。(如果输入A或B,则为X和Y)。如果重复使用该装置,磁滞和齿隙往往会减少。
可用的光纤具有范围从710纳米到1550纳米的截止波长。对于可变耦合器中使用的特定光纤,有用带宽从单模截止波长延伸到截止波长的大约1.3倍,在这里开始发生损耗。
905(P)-M型是905型可变变比耦合器,可以使用新型Focus Picomotor™通过PC(通过USB端口)远程控制 以及控制器/驱动器(the ratio can be remotely controlled with a PC (through a USB port) using a New Focus Picomotor™ and Controller/Driver.)。Picomone也可以使用手动手动旋钮调节。当电机插入驱动器,驱动器打开但不驱动电机时,可以旋转旋钮。只有在控制器发出指令时,驱动脉冲才会发送到Picomone。
Picomotor驱动器(8742-4-KIT)通过USB和以太网通信接口提供计算机控制,可直接从Newport购买。这两个接口都通过Windows DLL得到了很好的支持,示例LabVIEW™ VI和具有设备自动发现功能的直观图形用户界面(GUI)Windows应用程序。
905(P)-M未针对电机位置与耦合比进行校准。Picomotor只是一种远程调节方法。在规定的工作波长下,机组在标称50/50比例的位置装运。比率设置是通过观察输出功率(如果输入A或B,则为X和Y)进行的。
1. 精确的比率调整
2. 低超额损耗
3. 低背向反射
4. 低串扰,低偏振
5. 高工作带宽
6. 保偏型或非保偏型
905(P)/905(P)-M的产品数据
偏振维持(Polarization Maintaining)
可变比率(Variable Ratio)
渐逝波耦合器(Evanescent Wave Couplers)
型号905 SM 为非PM版本
型号905P 为PM版本
905(P)-M型远程控制型版本
905(P) / 905(P)-M产品参数
1. 偏振隔离 Polarization Isolation(室温,连接后测量):
-24dB典型值 - 22dB保证值
2. 标准耦合比:0-99%(根据要求提供其他范围)
3. 超额损失:< 0.15dB
4. 光纤头:1m标准长度(或更长)
5. 波长:0.750至2.04 um
光纤耦合器带宽测试
耦合器带宽
耦合器带宽,即耦合器比随波长的变化而变化,是耦合器比的复杂函数。如下图所示,其中可调谐耦合器(型号905P) 测量的耦合比曲线在波长1537nm和1552nm处叠加。
可调耦合器通过改变纤芯间距来工作;纤芯靠近,耦合增加。如果在纤芯间距Min. 化之前耦合度增加到100%,就会发生过耦合现象。过耦合导致光耦合回原来的光纤,从而降低耦合比。对于间距很小的情况,可能会有几个过耦合周期。

如图1中的A所示,对于优秀次50/50 (3dB)设置,波长变化1%时,会发生3%的耦合变化。
耦合位置也可以设置在150%(过耦合)位置,标记为B,该位置更敏感,耦合变化为7.5%。
下图显示更宽波长的测量耦合曲线。

低损耗 WDM(型号954P-P),例如比率为 1550/980 和 1060/810 的 WDM,可以利用这种耦合关系来制造,如下所示。


包装:
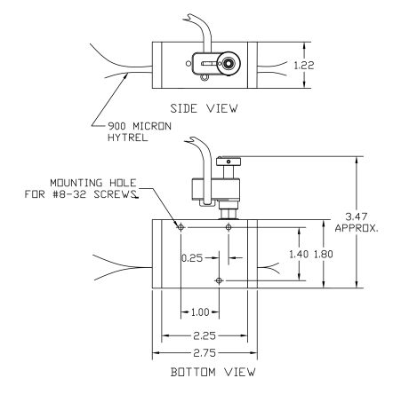
905(P): 31 mm x 46 mm x 69 mm铝制外壳,带30 mm测微计;

905(P)-M可调分光比耦合器,内含42mm的新型Foucus电动机,尺寸见下图。

终端: FC/SPC、FC/APC、LC/APC、SC/APC、SC/PC标准适用于光纤慢轴,可根据要求定制适用于光纤快轴。
