close[X]
您的购物车
型号 数量 货期
查看购物车 结算

适用于5mm至6mm孔径的 Saturn5B 光学扫描振镜  

适用于5mm至6mm孔径的 Saturn5B 光学扫描振镜
Saturn 5B 光学扫描振镜专为满足投影和成像应用对高加速度及高均方根(RMS)占空比的需求而设计,适用于激光娱乐展示、光栅成像、共聚焦显微镜和光学相干断层扫描等场景。在正弦驱动下,Saturn 5B 可使 5mm光束以超过 1kHz 的频率实现 40° 光学角度的扫描。针对 5mm光束,小角度光学步进的响应时间最快可达120微秒,60° 光学步进的响应时间为600微秒,轻松实现 ILDA 60K/5kHz 小信号带宽的扫描速度,且能稳定支持 5 毫米光束的传输。其** X3 磁路的气隙磁通密度超过 14,000 高斯。高强度磁场结合极低的线圈电阻和低转子惯性,使 Saturn 5B 在所有商用 5mm光束光学扫描振镜中,拥有z高的均方根扭矩 - 惯性比。新型–74S 版本采用为光栅成像优化的线圈,进一步降低扫描振镜和驱动器的发热量。Saturn 5B 集成了扫描振镜的所有其他设计特点,包括……


联系客服
 华北西南东北 Sherry
16628709332 同微信 可扫码  info@microphotons.com
 西北华中华东华南 Daisy
18602170419 同微信 可扫码  info@microphotons.com
产品型号 1
货号 操作 名称
光学扫描振镜--适用于5mm至6mm孔径   [PDF] 最佳镜面尺寸 4–8毫米通光孔径,旋转角度 > ± 27.5度    价格 : ¥0 库存/货期:请咨询客服
总览

Saturn 5B 光学扫描振镜专为满足投影和成像应用对高加速度及高均方根(RMS)占空比的需求而设计,适用于激光娱乐展示、光栅成像、共聚焦显微镜和光学相干断层扫描等场景。

在正弦驱动下,Saturn 5B 可使 5mm光束以超过 1kHz 的频率实现 40° 光学角度的扫描。针对 5mm光束,小角度光学步进的响应时间最快可达120微秒,60° 光学步进的响应时间为600微秒,轻松实现 ILDA 60K/5kHz 小信号带宽的扫描速度,且能稳定支持 5 毫米光束的传输。其** X3 磁路的气隙磁通密度超过 14,000 高斯。高强度磁场结合极低的线圈电阻和低转子惯性,使 Saturn 5B 在所有商用 5mm光束光学扫描振镜中,拥有z高的均方根扭矩 - 惯性比。新型–74S 版本采用为光栅成像优化的线圈,进一步降低扫描振镜和驱动器的发热量。

Saturn 5B 集成了扫描振镜的所有其他设计特点,包括半英寸圆形机身直径、背部支撑式反射镜安装设计,以及高输出、低噪声的位置传感器。

产品特点

● 更强的磁场

● 更坚固的转子和轴

● 集成式背部支撑反射镜安装设计

● 长寿命的 SV30 / 二氧化硅陶瓷混合轴承

● 具有高输出、低噪声的梯形位置传感器

● 低发热的电机磁路设计

● 高速反射镜定位

● 广角扫描,光学角度可达 110 度

● 低线圈电阻,扫描时发热量小

● 低热阻,散热能力更强

● 低晃动与低抖动

产品应用

● 激光娱乐(灯光秀)展示

● 光学相干断层扫描(OCT)

● 共聚焦显微镜/光栅成像

● 光学布局模板

● 激光标记

通用参数

产品规格

参数

-46S

标准

-74S

单位

z佳镜面尺寸

4 – 8

Millimeters, clear aperture

旋转角度2)

+/- 27.5

Degrees, Maximum (110 degrees optical)

转子转动惯量

0.026

Gram • Centimeters2

转矩常数

30,000

36,000

46,000

Dyne • Centimeters per Ampere

z高转子温度(1)

110

Degrees Celsius

工作温度范围 (3)

-10 to +85

Degrees Celsius, non-condensing

热阻

0.8

0.9

0.8

Degrees Celsius per Watt, Maximum

线圈电阻

0.9

1.95

2.6

Ohms

线圈电感

98

135

225

µh

反电动势电压2)

52.3

62.8

80.2

µV per degree per second

峰值电流

25

Amperes, Maximum

均方根电流

7.2

4.7

4.3

Amperes at Tcase of 50°C

电功率处理能力

62

55

62

Watts at Tcase of 50°C

小角度阶跃响应

120

140

250

µS with ScannerMAX 5mm mirror set

峰峰值 20 度范围内的光电二极管(PD)线性度 (2)

99.9

% Minimum

峰峰值 40 度范围内的光电二极管(PD)线性度2)

99.5

% Typical

光电二极管(PD)输出信号(共模)2)

640

µA with LED current of 40mA

光电二极管(PD)输出信号(差模) (2)

43.6

µA per degree, with LED current of 40mA

质量

30

Grams

所有规格参数均基于壳温 25°C 条件下测得。所有机械及电气参数的误差范围为 ±10%。

扫描振镜可根据需求轻松定制为其他配置。如需特殊规格,请联系我们说明具体要求。

备注:

1. 表格所示为壳温 50°C 时,受散热限制的扫描振镜理论Max. 性能。实际使用中,扫描振镜可能因伺服驱动器、电源等其他因素无法达到该Max. 值。

2. 角度参数以机械角度为单位。在大多数应用中,光学角度 = 2× 机械角度。

3. 多个因素会影响工作温度范围。如需在极限温度或超出范围的条件下使用,请提前联系我们。


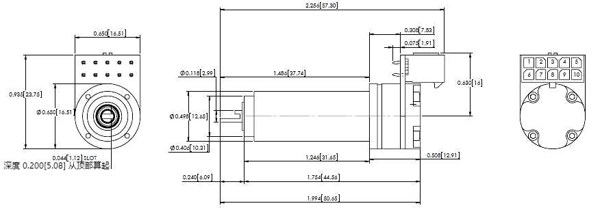
尺寸图










使用本网站,即表示您同意我们使用cookie.它可以帮助更好地提供会员服务以及短时间内记录您的浏览记录
已知晓 了解详情
提示