| 货号 | 操作 | 名称 | 描述 | 中心波长 | 光纤接头 |
|---|
| 图片 | 名称 | 货号货期 | 描述 | 参数 | 价格 |
|---|
1060nm扫频激光光源,基于新型MEMS技术,具有输出功率高,扫频范围宽,高相干长度,可靠性高,体积小巧操作简单等优势。高相干波长扫频光源适用于高速高精度光学频域反射计(OFDR)。 尺寸很小,它可以内置到各种设备中。
● 工作波长: 1060,1300或1550nm三种波长可选
● 扫描宽度:>100nm(@1550nm)
● 扫描频率:Typ. 150 or 1250 Hz
● 输出功率:> 10 dBm
● 相干长度:> 100 m @Sweep Width 50nm (1550nm-band) @Sweep Frequency 150Hz
● OCT应用(光学相干断层成像)
● 光学频域反射计(OFDR)
● 光学器件测量
● 相干相关的应用
● 光谱测量
参数 | 指标 | 备注 |
振荡模式 | 单横截面和自由模式切换 | |
扫频波形 | 正弦波 | |
中心波长 | 1060± 5 nm | 当扫描范围为50nm,中心波长定义为扫描范围的中心波长。 |
波长扫描范围 | 50nm | |
扫描频率 *1 | 1250 ± 50 Hz | |
平均光输出功率 (激光等级) | ≥ +10 dBm [Class 3B *2] | |
光连接器 | FC/APC | |
光纤类型 | SMF | 光纤长度为⪰730mm。Φ0.9mm松套管 |
光源连接器 | DF1B-14DES-2.5RC | Hirose 见图3和表1 |
热敏电阻 Th | 9.8 Ω ≤ Th ≤ 11.7 Ω | Rth = 10.74 kΩ ± 5% @25°C B = 3450 K ± 2% 看图3 (pin No. 9 and 10) |
MEMS线圈电阻 | 7 ± 2 Ω | 看图3(pin No. 5 and 6) |
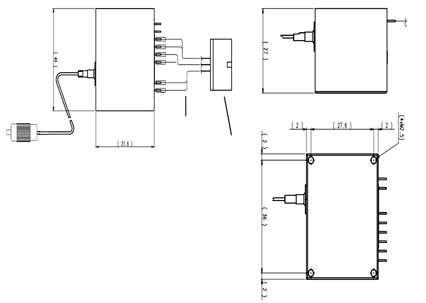
尺寸 *3 | 31.6 x 40.0 x 27.0 mm | 不包括凸出部分 |
重量 | ≤ 200 g |
备注:上电后,设备至少预热30分钟。
jue对Max. 值参数
参数 | Max. 值 | 备注 |
LD正向电流@25°C | 180 mA | 看图3 (pin No. 7 and 8) |
LD反向电压@25°C | 2 V | 看图3 (pin No. 7 and 8) |
MEMS线圈信号*4 | 波长扫描范围不得超过52.5 nm | 正弦波形为Min. 电压为0V和VMEMS的振幅。频率与“扫描频率”相同。 |
工作热敏电阻温度 *5 | +20 ~ +30 °C | ≤85%RH No condensation |
存储温度 | −20 ~ +60 °C | ≤95%RH No condensation |
标准配件
参数 | 名称 | 数量 |
CD-ROM(操作手册) | GQA0600ASK-01 | 1 |
操作手册 | DD-L0020CZ004 | 1 |
光源电缆*6 | - | 1 |
备注:
*1 扫描频率取决于安装在波长扫描光源中的MEMS器件的机械谐振频率,用户无法调整。不要在1250±50Hz的频率范围外驱动MEMS设备。频率范围外的驱动信号会导致MEMS器件的损坏。
*2 GQA0600ASK在波长扫描范围内发射连续激光(CW),其发射等级为安全等级3B(根据IEC 60825-1)。GQA0600ASK作为一个嵌入式部件设计,作为客户系统的一部分。采用GQA0600ASK的系统需要满足激光产品的安全性(根据IEC 60825-1)。
*3 使用底部的四个M2.5螺孔安装本产品。用扭力扳手拧紧螺钉,拧紧力矩为0.07~0.08 N·m。
*4 调整VMEMS,使波长扫描范围不超过52.5 nm。
*5 建议的工作热敏电阻温度为25±2°C。设定值的温度波动范围需要小于±0.1°C。由于该模块不包含 Peltie装置,建议在模块底部安装 Peltie装置以控制温度。
*6 电缆的一端有一个连接器,用于连接光源连接器(图2)。电缆的另一端是自然状态无连接。
*7 GQA0600ASK对机械冲击和振动敏感。请注意不要施加机械冲击和振动。建议采取防震和防振措施。
应用举例


图2:扫频源模块
扫频源连接:

图3:Pinout
表1:连接器规格
参数 | 规格 | 备注 |
连接 | DF1B-14DES-2.5RC | Hirose |
电缆连接长度 | 60 ± 10 mm | 看图2 |
1060nm高相干波长扫频光源
HCWSLS-1060-50-10-SA
中心波长:1060:1060nm
波长扫描范围:50:50nm
平均光输出功率:10:10dBm
SA:SMF,FC/APC
