close[X]
您的购物车
型号 数量 货期
查看购物车 结算

795nm 带致冷TO型VCSEL激光二极管  

795nm 带致冷TO型VCSEL激光二极管
795nm带致冷TO型VCSEL是一种垂直发射的MOVPE生长的砷化镓单模二极管激光器。芯片为TO封装。内置TEC,可通过激光电流和温度调谐来实现波长调谐。专为为TDLAS打造。


联系客服
 西北华中华东华南 Daisy
18602170419 同微信 可扫码  info@microphotons.com
 华北西南东北 Moli
13061644116 同微信 可扫码  info@microphotons.com
产品型号 1
货号 操作 名称
A80041058  795nm带制冷VCSEL激光二极管   [PDF] 795nm带致冷TO型VCSEL是一种垂直发射的MOVPE生长的砷化镓单模二极管激光器。芯片为TO封装。内置TEC,可通过激光电流和温度调谐来实现波长调谐。专为为TDLAS打造。    价格 : 请联系客服 库存/货期:请咨询客服
总览

795nm带致冷TOVCSEL是一种垂直发射的MOVPE生长的砷化镓单模二极管激光器。芯片为TO封装。内置TEC,可通过激光电流和温度调谐来实现波长调谐。专为为TDLAS打造。

通用参数


品描述:

795nm带致冷TO型VCSEL是一种垂直发射的MOVPE生长的砷化镓单模二极管激光器。芯片为TO封装。内置TEC,可通过激光电流和温度调谐来实现波长调谐。专为为TDLAS打造。


特点:

芯片技术:砷化镓VCSEL
红外激光波长:795nm
辐射剖面:单模
ESD:静电保护250V


原子钟
磁力计


产品关键指标:

(热沉温度TSubmount=90℃,环境温度TAmbient=25±5℃)

参数

符号

单位

Min. 值

典型值

Max. 值

备注

阈值电流

Ith

mA

-

-

1

CW

出光功率

POUT

mW

0.1

-

-

CW,IFLD=1.4mA

斜率效率

SE

mW/mA

-

0.2

-

CW,IFLD=Ith~2mA

峰值波长

λP

nm

-

795

-

CW,IFLD=1.4mA

边模抑制比

SMSR

dB

20

-

-

CW,IFLD=1.4mA

峰值波长温度漂移系数

∆λP/∆TSubmount

nm/℃

-

0.055

-

CW,IFLD=1.4mA,TSubmount=80~100℃

峰值波长电流漂移系数

∆λP/∆IFLD

nm/mA

-

0.3

-

CW,IFLD=Ith~2mA


极限参数(TAmbient=25±5℃)


参数

符号

单位

Min. 值

Max. 值

TEC工作电流

ITEC

A

-

0.46

TEC工作电压

VTEC

V

-

1.85


光谱



激光功率测试曲线


驱动电压

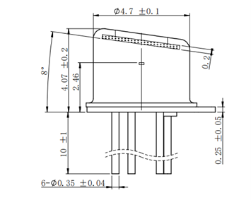
封装尺寸及引脚定义(单位:mm,未注公差:±0.3)


Pin#

功能

1#

Case

2#

Rth

3#

TEC+

4#

VCSEL+

5#

TEC-

6#

VCSEL-/Rth


注意事项


l  本产品工作时有激光出射,严禁激光照射人体任何部位;

l  本产品为静电敏感器件,请在静电保护区域操作使用,并确保使用时与器件直接接触的工具已经规范接地;不当的操作和使用会对产品造成**性、不可逆的损伤;

l  本产品带有光学窗口,使用及存储时请谨慎操作,避免光学窗口脏污、破损。











使用本网站,即表示您同意我们使用cookie.它可以帮助更好地提供会员服务以及短时间内记录您的浏览记录
已知晓 了解详情
提示