| 货号 | 操作 | 名称 | 描述 | 工作波长 | 输出功率 |
|---|
| 图片 | 名称 | 货号货期 | 描述 | 参数 | 价格 |
|---|
304永利集团(上海)光子技术有限公司的扫描式半导体激光器模块是基于自主知识产权的可调激光器模块,具有波长精确、功率稳定、扫描速度快,广泛应用于光纤光栅解调系统和光无源器件测试系统。
产品特点:
可调波长范围1528-1563 nm
高输出功率
低功耗
工作温度范围宽
扫描速度快
通讯接口简单
波长稳定性高
模块内部结构

技术指标:
型号 | GC-76000C | GC-76001C |
波长范围 | 1528.8 -1563.8 nm | 1528 - 1568 nm |
输出功率 | 20 mW | |
Min. 分辨率 | 0.1 GHz or 1 pm | |
波长jue对精度 | +/-10 pm Typ < 5 pm | |
波长相对精度 | +/-5 pm Typ +/- 2 pm | |
波长重复性 | +/-2 pm Typ +/-1 pm | |
波长稳定性( -5 to +65 ℃) | < +/- 2 pm | |
扫描速度 | 1.2 Second for 4000 Points (C-Band) | |
缺省扫描步长 | 1 GHz or 0.5 GHz | |
功率稳定性 | +/- 0.05 dB | |
功率vs 波长平坦度 | < 0.5 dB | |
边模抑制比 | > 40 dB | |
相对强度噪声 | < -135 dB/Hz | |
供电电源 | +3.3 V/3 A | |
线宽 | < 5 MHz, Typ 1 MHz | |
触发信号输出电平 | TTL | |
通信接口 | RS232 | |
通信协议 | OIF-ITLA-MSA-1.2 | |
尺寸 | 120mm x 80mm x 32mm | |
光接口 | FC/UPC 或客户定义 | |
温度范围 | 0-60 ℃ | |
光谱分析测试图:

安装尺寸:

电气特性:
信号插座链接(3M 155210-5303-RB)

电源插座链接(S4B-PH-K-S)(SN)

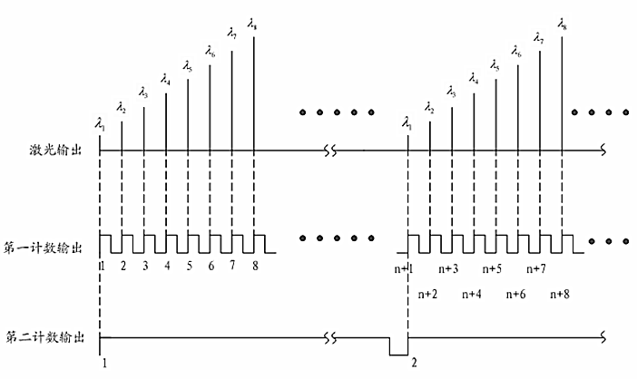
信号时序图:

如图,激光器在每一个波长输出时,在触发输出信号1 有一个同步的上升沿输出,同时在每一个周期的优秀个波长开始时在触发输出信号2 有一个同步的上升沿输出。这样接收端就在触发输出信号2 的上升沿启动计数器,计出触发输出信号1 的个数就可以 根据起始波长和步长信息很容易得到波长信息,方便又准确。
