| 货号 | 操作 | 名称 | 描述 | 工作波长 |
|---|
| 图片 | 名称 | 货号货期 | 描述 | 参数 | 价格 |
|---|
相位可调 90 度光学混频器基于第 2 节中所述的标准 90 度光学混频器的同一平台,在设备内部添加了相位调节机制。相位可调 90 度光学混频器的光学性能与第 3 节中所述的标准 90 度光学混频器相同。此外,用户可以施加调节电压来调节设备,以实现更好的 90 度 I/Q 相位差,即能够在指出的工作波长范围内获得 90+/-0.5 度。
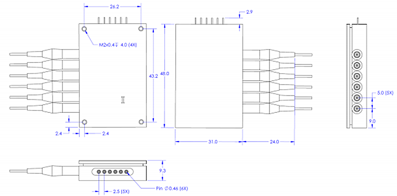
物理特性
参数 | 单位 | 规格 |
尺寸: 长 x 宽 x 高 | mm | 48 x 31 x 10 |

图 5.2.1, 设备机械制图
相位调谐性能
该产品的初始性能为 I/Q 相位差:<= 90+/-5 度。
相位调整用于微调,以在低于限制的波长和温度范围内实现精确的 90 度 I/Q 相位差。
# | 参数 | 单位 | Min. 值 | 典型值 | Max. 值 | 备注 |
1 | 工作波长范围 1) | nm | 1540 | 1560 | ||
2 | 工作温度范围 2) | ℃ | 20 | 35 | ||
3 | I-Chan 相位调谐电压,VPI 3) | V | 0 | 1.5 | ||
4 | Q-Chan 相位调谐电压,VPQ 3) | V | 0 | 1.5 | ||
5 | I/Q 相位差,优化相位调谐下 4) | deg | 89.5 | 90 | 90.5 | 90+/-0.5 5) |
表5.2 相位调谐性能
注意事项
1) 5.3.01 中波长范围更宽的器件(整个 C 波段)可能仍能工作。但是,由于材料的色散特性,光学性能(如相位、插入损耗)或多或少具有一些波长依赖性。
较窄的工作波长将导致更精确(或在指出波长范围内更均匀的性能)。
2) 与波长依赖性类似,由于材料的热膨胀系数 (CTE) 特性,该器件也具有轻微的温度依赖性(尽管它是无热设计的)。将工作温度限制在较窄的范围内将使相位调整更容易。
3) 使用当前设计,1.2VDC 调谐电压将能够在约 5 度内调整相位。增加调谐电压将能够获得较大的相位调谐范围。实现热平衡需要更长的时间。出于对热稳定性的考虑,建议将Max. 调谐电压限制在 < 2.0 VDC。
4) 根据工作波长和温度范围,如果施加准确且稳定的调谐电压,则可能实现更精确的 I/Q 相位 (90 度) 控制。在某些情况下,可能需要使用闭环反馈控制对调谐电压进行主动控制。
5) 无论是 I+/Q+ 还是 I-/Q- 相位差。如果通过相位调谐优化了 I+/Q+,理想情况下,I-/Q- 也应进行优化。但是,由于制造公差,I+/Q+ 和 I- /Q- 之间可能存在 0.5~ 1.0 度的Max. 相位差。
相位调节引脚定义
电气控制引脚(用于相位调节)分配

相位调节引脚功能定义
# | 引脚 # | 符号 | 功能 | 备注 |
1 | 1 | VPI(+) | I 通道调谐电压,0 ~ 1.5VDC | 无极性 |
2 | 2 | VPI(-) | ||
3 | 3 | VPQ(+) | Q 通道调谐电压,0 ~ 1.5VDC | 无极性 |
4 | 4 | VPQ(-) | ||
5 | 5 | RTH(+) | 热敏电阻 (+) | |
6 | 6 | RTH(-) | 热敏电阻 (-) |
表5.4 引脚定义

图 5.4.2 和图 5.4.3 中的图表是在 I/Q 相位 = 88deg 的静态状态下测量的。A:1520 ~ 1560nm;B:1530 ~ 1550nm;C:1540 ~ 1550nm。内容仅供参考。
相位调节:
1) 当 I/Q 相位 < 90 度时;向 Q 通道施加电压并仅调节 Q 通道。保持 I 通道无偏 (V=0V);
2) 当 I/Q 相位 > 90 度时;向 I 通道施加电压并仅调节 I 通道。保持 Q 通道无偏
(V=0V);

注意:
无论 I/Q >90 还是<90,理论上,向 I 通道和 Q 通道施加电压,仍然可以实现 I/Q =~90 度。但是,一个通道的电压可能
太高并导致热稳定性问题。不建议使用这种控制方法。
相位可调 90 度光学混合器的常用零件编号
# | 产品 | 产品编码 | 波长 | 光纤类型 | ||
信号输入 | LO输入 | 输出 | ||||
1 | 90 度光学混合器,C 波段,输入端口(信号和低频)采用 SMF,所有输出端口采用 SMF,I/Q 相位可调 | HB-C2AFAS501 | C-Band | SMF | SMF | SMF |
2 | 90 度光学混合器,C 波段,输入端口(信号和低频)采用 PMF,所有输出端口采用 SMF,I/Q 相位可调 | HB-C2AFAX502 | C-Band | PMF | PMF | SMF |
3 | 90 度光学混合器,C 波段,输入端口(信号和低频)采用 PMF,所有输出端口采用 PMF,I/Q 相位可调 | HB-C2AFAP503 | C-Band | PMF | PMF | PMF |
4 | 90 度光学混合器,L 波段,输入端口(信号和低频)采用 SMF,所有输出端口采用 SMF,I/Q 相位可调 | HB-L2AFAS511 | L-Band | SMF | SMF | SMF |
5 | 90 度光学混合器,L 波段,输入端口(信号和低频)采用 PMF,所有输出端口采用 SMF,I/Q 相位可调 | HB-L2AFAS512 | L-Band | PMF | PMF | SMF |
6 | 90 度光学混合器,L 波段,输入端口(信号和低频)采用 PMF,PMF适用于所有输出端口,I/Q 相位可调 | HB-L2AFAS513 | L-Band | PMF | PMF | PMF |
7 | 90 度光学混合,C+L 波段,输入端口(信号和低频)采用 SMF,所有输出端口采用 SMF,I/Q 相位可调 | HB-L0AFAS094 | C+L-Band | SMF | SMF | SMF |
8 | 90 度光学混合,C+L 波段,输入端口(信号和低频)采用 PMF,所有输出端口采用 SMF,I/Q 相位可调 | HB-L1AFAS094 | C+L-Band | SMF | SMF | SMF |
9 | 90 度光学混合,C+L 波段,输入端口(信号和低频)采用 PMF,所有输出端口采用 PMF,I/Q 相位可调 | HB-L0AFAP095 | C+L-Band | PMF | PMF | PMF |
10 | 90 度光学混合,O 波段 (1310+/-20nm),输入端口(信号和低频)采用 SMF,所有输出端口采用 SMF,I/Q 相位可调 | HB-Q2AFAS531 | 1310+/-20 | SMF | SMF | SMF |
11 | 90 度光学混合,O 波段 (1310+/-20nm),输入端口(信号和低频)采用 PMF,所有输出端口采用 SMF,I/Q 相位可调 | HB-Q2AFAS532 | 1310+/-20 | PMF | PMF | SMF |
12 | 90 度光学混合,O 波段 (1310+/-20nm),输入端口 (信号和低频) 为 PMF,所有输出端口为 PMF,I/Q 相位可调 | HB-Q2AFAS533 | 1310+/-20 | PMF | PMF | PMF |
表5.5 零件编号与光纤类型
