| 货号 | 操作 | 名称 | 描述 |
|---|
| 图片 | 名称 | 货号货期 | 描述 | 价格 |
|---|
M1x4磁光开关通过接通或阻断光信号,实现与光路的连接。该开关具有非机械配置,通过电控制信号激活。该开关还具有内置循环器和隔离器功能。产品广泛应用于航空航天和军事装备。
• 固态高速
• 高稳定性、高可靠性
• 光路无环氧树脂
• 故障安全锁存
• 航空航天设备
• 可配置的光学添加/删除
• 系统监控
• 传感系统
参数规格
| 参数 | 单位 | 技术指标 |
波长范围 | nm | 1520 ~ 1580 |
测试波长 | nm | 1550 |
插入损耗 1, 2 | dB | ≤ 1.2 |
TDL | dB | ≤ 0.30 |
PDL | dB | ≤ 0.20 |
回波损耗 | dB | ≥ 50 |
串扰 | dB | ≥ 40 |
重复性 | dB | ≤ ±0.01 |
切换时间 | us | ≤ 100 |
脉冲持续时间 | us | ≥ 200 |
耐久性 | Cycles | ≥10 Billions |
开关类型 | NA | Latching |
工作电流 | mA | ≤ 200 |
Max. 光功率 | mW | ≤ 500 |
工作温度 | ℃ | -5 ~ +70 |
存储温度 | ℃ | -40 ~ +85 |
尺寸 | mm | (L)40.0×(W)14.0×(H)7.5 ±0.2 |
注意: 1 在室温和 SOP 下测试。 | ||
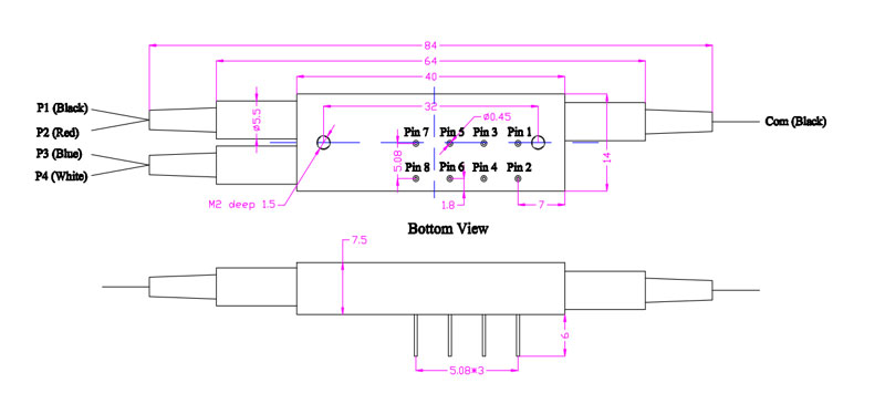
机械尺寸(单位:mm)

电力驱动
类型 | 状态 | 光路 | 电力驱动 | |||||||
引脚组A | 引脚组B | 引脚组C | 引脚组D | |||||||
Pin 1 | Pin 2 | Pin 3 | Pin 4 | Pin 5 | Pin 6 | Pin 7 | Pin 8 | |||
M1x4 | Ⅰ | Com-P1 | V+ | GND | V+ | GND | V+ | GND | GND | V+ |
Ⅱ | Com-P2 | GND | V+ | GND | V+ | V+ | GND | GND | V+ | |
Ⅲ | Com-P3 | V+ | GND | GND | V+ | GND | V+ | V+ | GND | |
Ⅳ | Com-P4 | GND | V+ | V+ | GND | GND | V+ | V+ | GND | |
功能示意图
状态 I | 状态 II |
|
|
状态 Ⅲ | 状态 Ⅳ |
|
|
订购信息
LP-M1x4-□-□-□-□-□-□-□
—□ | —□ | —□ | —□ | —□ | —□ | —□ |
Switch Type | Fiber Type | Voltage | Wavelength | Tube Type | Fiber Length | Connector |
B: | SM: | 2.5: | 1550: | 250: | 05: | OO:None |




