| 货号 | 操作 | 名称 | 描述 |
|---|
| 图片 | 名称 | 货号货期 | 描述 | 价格 |
|---|
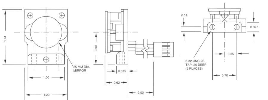
URS(通用共振扫描振镜)是一系列共振型光学扫描振镜,能提供可重复、精确的高性能扫描,且对驱动功率的要求极低。其玻璃反射镜安装在**的柔性支撑结构上,并由电磁线圈装置驱动,最终形成频率和振幅恒定的正弦扫描模式。
URS系列有助于减小设备尺寸、提升性能并降低光学扫描系统的成本。尽管其应用潜力广泛,但事实证明,URS系列尤其适用于条形码读取系统、激光打印机和检测系统。
由于采用机械刚性较强的柔性支撑结构,且共振品质因数(Q值)相对较低,URS扫描振镜对常见的机器振动不敏感,确保性能稳定且在公差范围内。此外,因无易损部件,其使用寿命几乎不受限制。高度可重复的正弦扫描模式能保证扫描和回扫方向上的线条及像素定位准确。
URS 系列扫描振镜配备玻璃反射镜。大尺寸反射镜意味着在高分辨率应用中可实现小光斑尺寸,在成像应用中则能提升聚光光学系统的性能。
● 成本低
● 声学噪声小
● 正弦扫描模式
● 几乎无限制的使用寿命
● 宽扫描角度(可达90°)
● 频率可选范围超过 500Hz
● 高速反射镜定位
● 反射镜可选尺寸超过 30mm圆形
● 横轴摆动小于 6 微弧度
● 检测系统
● 条形码扫描振镜
● 激光打印机
产品规格
以下所示规格适用于所有 URS 系列扫描振镜。扫描频率和扫描角度因扫描振镜型号而异。
参数 | 数值 | 单位 |
横轴摆动 | <6 | µRad |
频率随温度变化 | < -200 | PPM / °C |
频率随振幅变化 | <0.1 | 振幅变化 2 倍时的百分比 |
工作温度范围 | 0到75 | °C |
请注意,我们可以根据您的需求定制设计,并提供带驱动电子元件或不带驱动电子元件的扫描振镜。
尺寸图

