| 货号 | 操作 | 名称 | 描述 | 中心波长 | 输出功率 |
|---|
| 图片 | 名称 | 货号货期 | 描述 | 参数 | 价格 |
|---|
AQA0600A波长扫描光源输出单纵模激光,该激光连续波长相位扫描,无跳模。该模块化光源内置于 40 x 27 x 31.6 mm 金属封装中。
其扫描频率为1.25KHz,是用于医学和化学领域测量应用的理想传感光源。该扫描光源输出1060nm的高相干连续光,具有紧凑的金属封装(40×27×31.6 mm)和低吸水性,非常适合用于医疗和化学OCT、生物成像设备以及薄膜测试仪。
开发背景:使用激光干涉测量的OCT正在作为新的的光学测量技术,被应用于从生物材料的非接触截面测量,到眼科诊断中视网膜的医学观察等各个领域。
为了拓展更多的应用,te别是医学和化学领域的应用,安立公司利用其不一样的MEMS技术开发了这款具有高扫描速度的光源,其具备高相干性以及低吸水率的1060 nm中心波长。
1060nm波段扫描激光器
单纵模调用,无跳模
小型、轻量化的组装
扫描频率:1250Hz,正弦
波长扫描范围:30nm
平均光输出:≥10mW
用于内部结构测量的OCT(Optical Coherence Tomography)
医疗OCT、生物成像和膜厚测量
集成到光纤传感设备中
集成到生物成像设备中
jue对Max. 额定值(Tm=25°C)
名称 | 符号 | 范围 | 单位 |
LD正向电流 | IF | 180 | mA |
LD反向电压 | VR | 2 | V |
MEMS驱动线圈应用 | - | 波长扫描宽度不应超过 32.5 nm | - |
工作热敏电阻温度1) | Tth | +20到+30 | ℃ |
储存温度2) | Tstg | -20到+60 | ℃ |
*超过jue对Max. 额定值可能会导致设备故障。
1)相对湿度:≤85%,无冷凝
2)相对湿度:≤95%,无冷凝
光电特性
名称 | 符号 | 测试条件 | 范围 | 单位 |
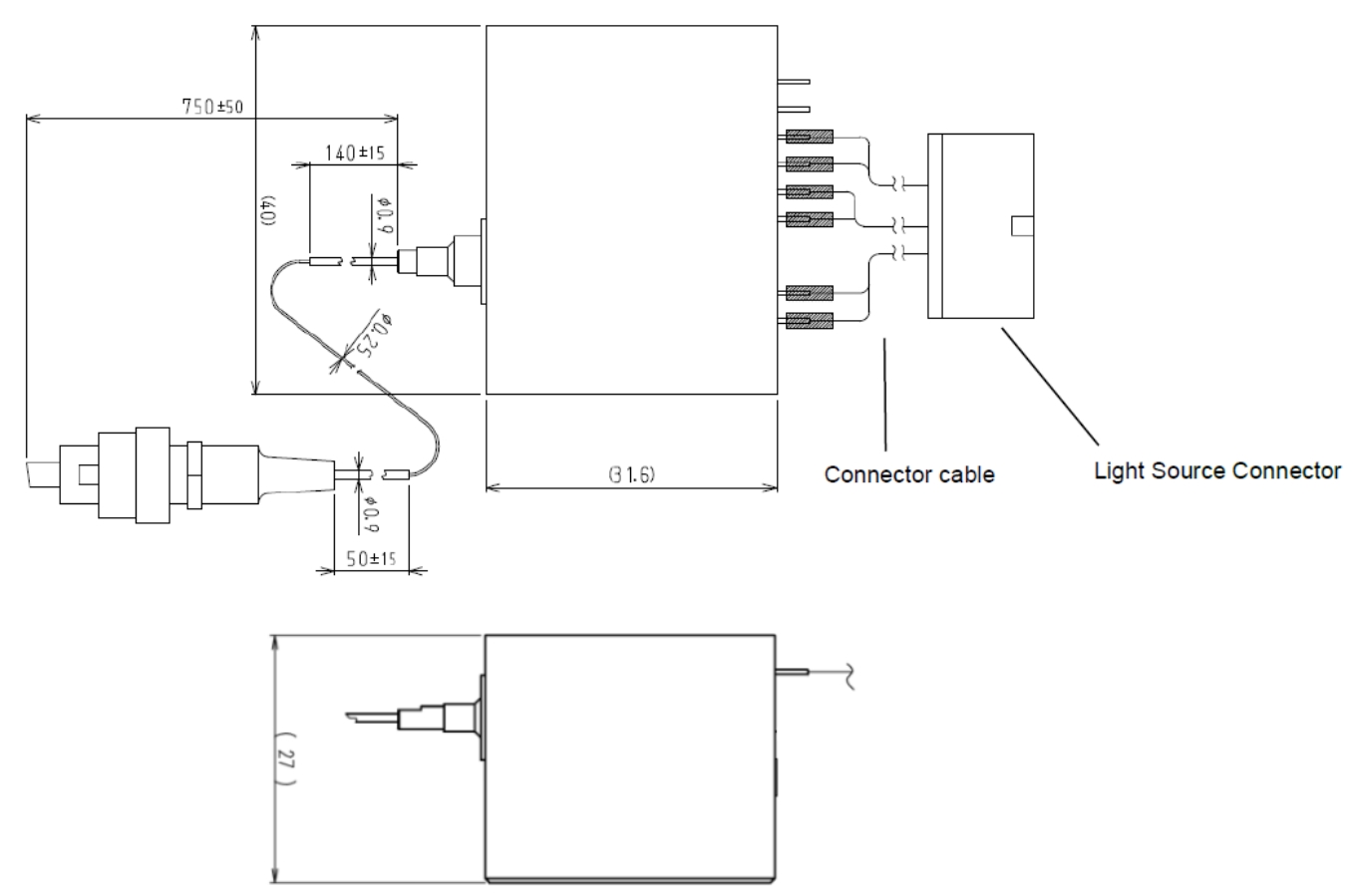
光纤连接器 | - | - | FC/APC | - |
光纤长度 | - | SMF | 750±50 | mm |
振荡模式 | - | - | 单纵向和无模式跳跃 | - |
光输出波长 更改方法 | - | - | 正弦 | - |
中心波长 | λc | 在30nm扫描时 | 1060±5 | nm |
波长扫描范围 | - | - | 30 | nm |
扫描频率 3) | - | - | 1250±50 | Hz |
平均光输出 | Pf | - | ≥10 4) | mW |
光源连接器 | - | - | HIROSE;DF1B-14DES-2.5RC | - |
连接器电缆长度 | - | - | 60±10 | mm |
热敏电阻 | Rth | Tth=25℃,B=3450K±2% | 9.8≤Rth≤11.7 | kΩ |
微机电线圈电阻器 | - | - | 7±2 | Ω |
尺寸 5) | - | 40(W)x 27(H)x 31.6(D) | mm | |
重量 | - | - | <200 | g |
3)扫描频率取决于波长扫描光源内置的MEMS器件的机械操作系统频率,用户无法调整。
请勿使用MEMS器件1250±50 Hz频率范围之外的驱动信号,否则可能会损坏。
4) AQA0600A(本产品)设计为客户电子产品使用的组件。因此,它被排除在 21 CFR 1040.10 合规性之外。
5)本产品在底面使用四个M2.5 螺栓安装。使用扭矩起子将这些螺栓拧紧至0.07 至 0.08 N. m。
光源连接器及引脚定义

引脚 | 功能 | 引脚 | 功能 |
1 | NC | 8 | LD阴极 |
2 | NC | 9 | 热敏电阻 |
3 | NC | 10 | 热敏电阻 |
4 | NC | 11 | NC |
5 | 微机电线圈 | 12 | NC |
6 | 微机电线圈 | 13 | NC |
7 | LD阳极 | 14 | NC |
尺寸 单位:mm

