| 货号 | 操作 | 名称 | 描述 | 中心波长 |
|---|
| 图片 | 名称 | 货号货期 | 描述 | 参数 | 价格 |
|---|
304永利集团 的 MEMS 可调谐滤波器是基于 MEMS(微机电系统)技术和光栅技术原理 ,具有尺寸小、速度快、寿命长、稳定性与可靠性高等特点。
热稳定性及重复性高,寿命长
光学性能表现好,插入损耗低、尺寸小
可定制化(波长与衰减范围)
光信道性能监测
光谱分析
ROADM
信号跟踪
参数 | 指标 | 单位 | |
波长范围 | 1064±20 | nm | |
插入损耗(IL) | <2.5(典型值1.5) | dB | |
响应时间 | ≤5 | ms | |
带宽@3dB | 0.8-1.2 | nm | |
回波损耗(RL) | >40 | Db | |
侧峰抑制比 | ≤25 | dB | |
偏振相关损耗 | 0.5 | dB | |
寿命 | 1*10^9 | cycles | |
Max. 输入光功率 | 20 | dBm | |
工作温度 | -5 | 70 | ℃ |
存储温度 | -40 | 85 | ℃ |
光纤类型 | Hi 1060 | -- | |
光纤长度 | 1+/-0.05m | -- | |
连接头类型 | FC/APC | -- | |
光纤套管 | 50cm裸纤, 50cm 900um松套管 | -- | |
ESD 阈值(HBM) | 500 | V | |
DC 驱动电压 | 0~60 | V | |
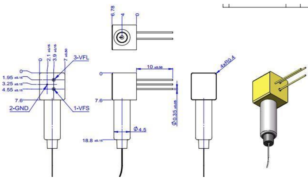
机械尺寸:(单位: mm)

管脚定义:
定义 | 描述 | 说明 | |
PIN1 | VFS | 加电用于短波一侧滤波 | 1. PIN1&PIN2 供电时, 产品工作在 1044nm-1064nm 波段。 2. 加电范围:0-60V |
PIN2 | GND | 接地 | |
PIN3 | VFL | 加电用于长波一侧滤波 | 1. PIN3&PIN2 供电时, 产品工作在 1064nm-1084nm 波段。 2. 加电范围:0-60V |
注意事项:
1, PIN1 和 PIN3 不能同时供电。
2, 保存与操作产品时, 请注意静电保护。
3. 产品损坏电压为 65V
