| 货号 | 操作 | 名称 | 描述 | 中心波长 | 光谱宽度 | 光功率 |
|---|
| 图片 | 名称 | 货号货期 | 描述 | 参数 | 价格 |
|---|
SLD(超辐射发光二极管/SLED)光源提供与激光二极管等效的输出功率和与LED(发光二极管)等效的宽振荡光谱宽度,以及低相干度。由于它发射的光具有相当于激光二极管的窄有源层,因此非常适合进入光纤,并且具有介于LD和LED之间的特性。
AS5B125EM50M为1.55um SLD(超发光二极管)模块作为非相干光源开发,用于各种光学测量。该器件从保偏光纤(PMF)发出具有宽光谱半宽度和高输出功率的非相干光。
特点
光输出:25mW/£500毫安
宽光谱半宽:Δλ=60nm典型值。
内置光隔离器
内置监视器PD和TEC
应用
光纤传感器
光学相干层析成像(OCT)
光学测量
Item | Symbol | Rating | Unit |
SLD Forward Current | IF | 600 | mA |
SLD Reverse Voltage | VR | 2 | V |
PD Forward Current | IFD | 10 | mA |
PD Reverse Voltage | VRD | 10 | V |
Operating Case Temperature | TC | -20 to +75 | °C |
Storage Temperature | Tstg | -40 to +85 | °C |
Cooler Current | IC | 2 | A |
超过绝对最大额定值可能导致故障。
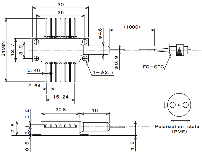
尺寸



光学和电气特性(TSLD=25°C,TC=25°C)
Item | Symbol | Test condition | Min. | Typ. | Max. | Unit |
Forward Voltage 正向电压 | VF | Pf = 25mW | 2.4 | V | ||
Forward Current (BOL) 正向电流(BOL) | IF | Pf = 25mW | 500 | mA | ||
Center Wavelength 中心波长 | λC | Pf = 25mW, -3dB | 1530 | 1550 | 1570 | nm |
Spectrum Bandwidth 频谱带宽 | Δλ | Pf = 25mW, FWHM | 55 | 60 | nm | |
Spectral Ripple 光谱波纹 | M | Pf = 25mW, res = 0.1nm | 0.6 | dB | ||
Monitor Current 监视器电流 | Im | Pf = 25mW, VRD = 5V | 400 | 2000 | μA | |
PD Dark Current PD暗电流 | Id | VRD = 5V | 0.1 | μA | ||
Tracking Error 跟踪错误 | ΔPf | Im = const, TC = -20 to 75°C | 0.5 | dB | ||
Cooler Voltage 冷却器电压 | Vc | IF = *EOL, TC = 75°C | 3.5 | V | ||
Cooler Current 冷却器电流 | Ic | IF = *EOL, TC = 75°C | 1.2 | A | ||
Thermistor Resistance 热敏电阻 | Rth | TSLD = 25°C, B = 3900±100K | 9.5 | 10 | 10.5 | kΩ |
Optical Isolation 光学隔离 | Ro | λ = 1550nm, TSLD = 25°C | 30 | dB |
(注)IF(EOL)=IF(BOL)×1.2
