close[X]
您的购物车
型号 数量 货期
查看购物车 结算

2-12um MCT中红外 非冷却 光浸式多结光伏探测器 PVMI系列


响应波长范围 2-12μm;最佳波长 8μm;相对响应强度≥6×10^7cm×Hz^(1/2)/w@8μm;光敏面大小 1mm×1mm;

✱因产品升级或技术原因,产品配图可能有出入,具体请咨询客服!

货号 : E80040142    
库存 : 请咨询客服
货期 : 请咨询客服
点右侧在线咨询
 
 华北西南东北 Moli
13061644116 同微信 可扫码
 info@microphotons.com
 西北华中华东华南 Daisy
18602170419 同微信 可扫码
 info@microphotons.com
文档下载  ?

产品总览

PVMI系列(PVMI-8/PVMI-10.6)是基于复杂的HgCdTe异质结构的非冷却红外多结光探测器,采用光学浸没的方式改善器件的参数,以达到优秀的性能和稳定性。探测器在λopt入射时性能佳。这是一款te别适用于在2 ~ 12 μm光谱范围内工作的大感光面探测器。

型号参数

产品特点

● 可探测中红外波长范围2-12μm

● 可配专用前置放大器

● 2mm×2mm大尺寸光敏面

● 带有超半球微型砷化镓透镜实现光学浸没,有效提升探测效率


产品应用

● 医学热成像

● 红外光谱分析

● 中红外气体吸收检测

● 中红外激光探测


技术参数

参数

探测器型号

PVMI-8

PVMI-10.6

有源元件材料

外延MCT异质结构

z佳波长λopt(μm)

810.6

相对响应强度D* (λpeak),cm·Hz1/2/W

≥6×108

≥2×108

相对响应强度D* (λopt),cm·Hz1/2/W

≥3×108

≥1×108

电流响应度-光敏面长度乘积Ri(λopt)·L,A·mm/W

≥0.04

≥0.01

时间常数T,ns

≤4

≤1.5

电阻R,Ω

50-300

20-150

感光面尺寸A,mm×mm

1×1

1×1,2×2

封装

TO39,BNC

接收角ϕ

~36°

窗口


探测器光谱响应特性曲线

67d90a87-7cd5-4173-be7f-e8e08c9d8b7e.jpg



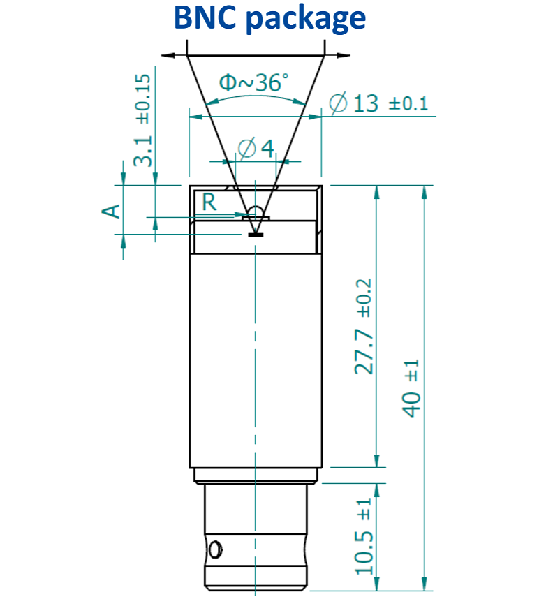
BNC型封装及尺寸

参量

数值

浸没微型透镜形状

超半球形

光学区域面积AOmm×mm

1×1

2×2

R,mm

0.8

1.25

A,mm

5.5±0.30

6.85±0.30

备注:

ϕ—接收角度;

R—超半球微型透镜半径

A—BNC型封装顶部与焦平面的距离


TO39型封装及尺寸

参量

数值

浸没微型透镜形状

超半球形

光学区域面积AO;mm×mm

1×1

2×2

R,mm

0.8

1.25

A,mm

2.4±0.20

3.75±0.20

备注:

ϕ—接收角度;

R—超半球微型透镜半径

A—TO39型封装顶部与焦平面的距离


TO39-引脚定义

引脚定义

功能

引脚号

探测器

1(-),2(+)

接地

3



其它型号
  名称 型号货号         价格
2-12um MCT中红外 两级TE冷却 光浸式多结光伏探测器 PVMI-2TE系列 E80040152
库存/货期:请咨询客服
联系客服或  
 提交询价单  
2-12um MCT中红外 三级TE冷却 光浸式多结光伏探测器 PVMI-3TE系列 E80040153
库存/货期:请咨询客服
联系客服或  
 提交询价单  
2-13um MCT中红外 四级TE冷却 光浸式多结光伏探测器 PVMI-4TE系列 E80040155
库存/货期:请咨询客服
联系客服或  
 提交询价单  
8um MCT中红外 两级TE冷却 多结光伏探测器 PVM-2TE系列 E80040156
库存/货期:请咨询客服
联系客服或  
 提交询价单  
2–12µm 碲镉汞MCT(HgCdTe) 小型化 非冷却 多结光伏探测器 E80040177
库存/货期:请咨询客服
联系客服或  
 提交询价单  
10.6um MCT中红外 四级TE冷却 光浸式多结光伏探测器 PVMI-4TE系列 E80040124
库存/货期:请咨询客服
联系客服或  
 提交询价单  
10.6um MCT中红外 两级TE冷却 多结光伏探测器 PVM-2TE系列 E80040123
库存/货期:请咨询客服
联系客服或  
 提交询价单  

相关产品
相关阅读





使用本网站,即表示您同意我们使用cookie.它可以帮助更好地提供会员服务以及短时间内记录您的浏览记录
已知晓 了解详情
提示