响应波长范围 2.5-6.5μm;最佳波长 3μm;相对响应强度≥6.5×10^9cm×Hz^(1/2)/w@3μm;光敏面大小0.1mm×0.1mm
✱因产品升级或技术原因,产品配图可能有出入,具体请咨询客服!
| 货号 : E80040144 | |
| 库存 : 请咨询客服 | |
| 货期 : 请咨询客服 | |
| 点右侧在线咨询 | |
PV系列是基于复杂的HgCdTe异质结构的非制冷红外光电探测器,具有优秀的性能和稳定性。器件在λ_opt时达到它本身能达到的的佳性能。波长分割可根据需求进行优化。反向偏置电压可以在显著提高响应速度和动态范围的同时提高高频下的性能,但偏置器件中出现的1/f噪声在低频下可能会降低探测器的性能。
产品特点
● 可探测中红外光波范围2.5-6.5μm
● 可配专用前置放大器
● 提供TO39与BNC两种封装形式
产品应用
● 医学热成像
● 红外光谱分析
● 中红外气体吸收检测
● 中红外激光探测
技术参数
参数 | 探测器型号 | |||||||||
PV-3 | PV-3.4 | PV-4 | PV-5 | PV-6 | ||||||
有源元件材料 | 外延MCT异质结构 | |||||||||
z佳波长λopt(μm) | 3 | 3.4 | 4 | 5 | 6 | |||||
相对响应强度D* (λpeak),cm·Hz1/2/W | ≥8.0×109 | ≥7.0×109 | ≥5.0×109 | ≥2.0×109 | ≥1.0×109 | |||||
相对响应强度D* (λopt),cm·Hz1/2/W | ≥6.5×109 | ≥5.0×109 | ≥3.0×109 | ≥1.0×109 | ≥5.0×108 | |||||
电流响应度Ri(λopt),A/W | ≥0.5 | ≥0.8 | ≥1.0 | ≥1.0 | ≥1.0 | |||||
时间常数T,ns | ≤350 | ≤260 | ≤150 | ≤120 | ≤180 | |||||
电阻×光敏面面积R·A,Ω∙cm^2 | ≥1 | ≥0.5 | ≥0.1 | ≥0.01 | ≥0.002 | |||||
感光面尺寸A,mm×mm | 0.05×0.05,0.1×0.1 | |||||||||
封装 | TO39 | BNC | TO39 | BNC | TO39 | BNC | TO39 | BNC | TO39 | BNC |
接收角ϕ | ~90° | ~102° | ~90° | ~102° | ~90° | ~102° | ~90° | ~102° | ~90° | ~102° |
窗口 | 无 | |||||||||
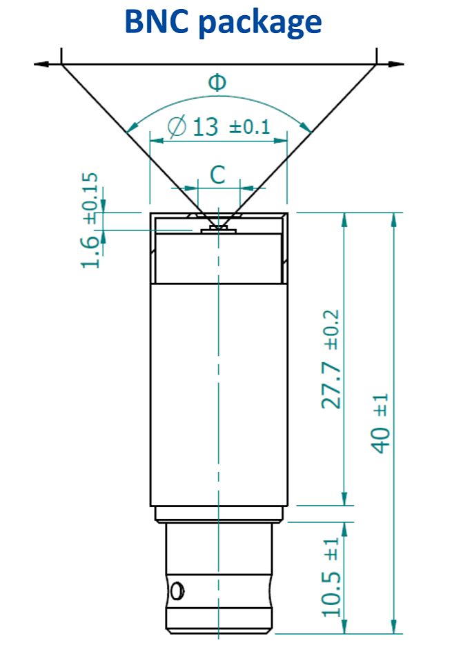
BNC型封装及尺寸


参量 | 数值 |
光敏面积AO;mm×mm | 0.05×0.05-0.1×0.1 |
孔径C,mm | Φ4 |
接收角度Φ | ~102° |
TO39型封装及尺寸


TO39-引脚定义
引脚定义 | |
功能 | 引脚号 |
探测器 | 1 , 2 |
接地 | 3 |
探测器光谱响应特性曲线

| 名称 | 型号货号 | 描述 | 参数 | 价格 |
|---|
