响应波长范围3-7.5μm;最佳波长6μm;相对响应强度≥7.2×10^9 cm∙Hz^(1/2)/w@6μm;光敏面积1×1mm^2;
✱因产品升级或技术原因,产品配图可能有出入,具体请咨询客服!
| 货号 : E80040163 | |
| 库存 : 请咨询客服 | |
| 货期 : 请咨询客服 | |
| 点右侧在线咨询 | |
LabM-I-6是一款实验室红外检测模块。它是基于MCT异质结构的光浸没光伏探测器,集成了跨阻、可编程前置放大器。3 °楔形硒化锌增透涂层窗户防止不必要的干扰效果。为了正确的操作,可编程智能VIGO热电冷却器控制器PTCC-01(单独出售)和智能管理软件(免费软件)是必需的。LabM-I-6模块配有PTCC-01和Smart Manager,是各种MWIR应用中原理样机和研发阶段的优秀解决方案。该集合为系统设计人员的不同需求提供了灵活的方法。
产品特点
● 高性能和可靠性直流补偿
● 与光学配件兼容
● 多功能性和灵活性
用户可配置的参数
输出电压偏移
增益(在40分贝范围内)
带宽(1.5 MHz/3 MHz)
交直流耦合
探测器参数(温度、反向偏差等)
产品应用
● MWIR中红外气体检测、监测和分析
● 烟气脱硝
● 发电厂和其他工业设施的燃料燃烧监测
● 呼气分析
● 瓦斯防爆
● 排放控制(废气、温室气体)
● 非接触式温度测量
Ta=20℃,默认模块设置
参数 | 典型值 |
光学参数 | |
起始波长λcut-on(10%),μm | 3±1 |
峰值波长λpeak(μm) | 5.2±0.5 |
最佳波长λopt(μm) | 6 |
截止波长λcut-off(10%),μm | 6.7±0.3 |
探测效率 D*(λpeak), cm·Hz1/2/W | ≥1.0×1010 |
探测效率 D*(λopt), cm·Hz1/2/W | ≥7.0×109 |
输出噪声密度Vn (10MHz), nV/Hz1/2 | ≤500 |
电学参数 | |
电压响应度 Rv(λpeak), V/W | ≥5.0×104 |
电压响应度 Rv(λopt), V/W | ≥3.5×104 |
低截止频率flo, Hz | DC/10 (adjustable) |
高截止频率fhi, Hz | ≥3M(可调) |
输出阻抗Rout,Ω | 50 |
输出电压范围Vout,V | 1(RL = 50Ω*)) |
输出偏置电压Voff, mV | max±20 |
其它参数 | |
有源元件材料 | 外延HgCdTe异质结构 |
感光区域A,mm×mm | 1×1 |
窗口 | 楔形硒化锌AR涂层(wZnSeAR) |
接收角 | ~36° |
环境工作温度Ta,℃ | 10~30 |
信号输出端口 | SMA |
电源端口 | LEMO (female) ECG.0B.309.CLN |
安装孔 | M4 |
风扇 | 有 |
备注:*) RL – 负载电阻
实验室测试
使用5.26μm激光器(配有准直器),5米简波宽带气室,LabM-I-6红外探测模块搭建气室内水分子的TDLAS测试系统

步骤:
1.5.26μm激光器连接电源和USB,调整好准直器的位置;
2.将激光打入气室的一侧端口,通过激光器驱动控制扫描电流;
3.LabM-I-6探测器模块放置在气室的另一个端口,探测器的输出端接入激光器的前置放大端;口,再由激光器的信号输出端口接入示波器,观察信号波形图。
测试结果及分析验证:
用来测量气室的水分子吸收谱线图如下所示

为了验证是水分子的吸收我们查询了数据库的参数如下:

我们可以看到,数据库里和我们测得的示波器上的吸收峰正好对应,由此也验证了我们示波器上的吸收谱就是水分子的吸收
探测器光谱响应特性曲线

窗口镜的光谱传输特性曲线

工作原理图

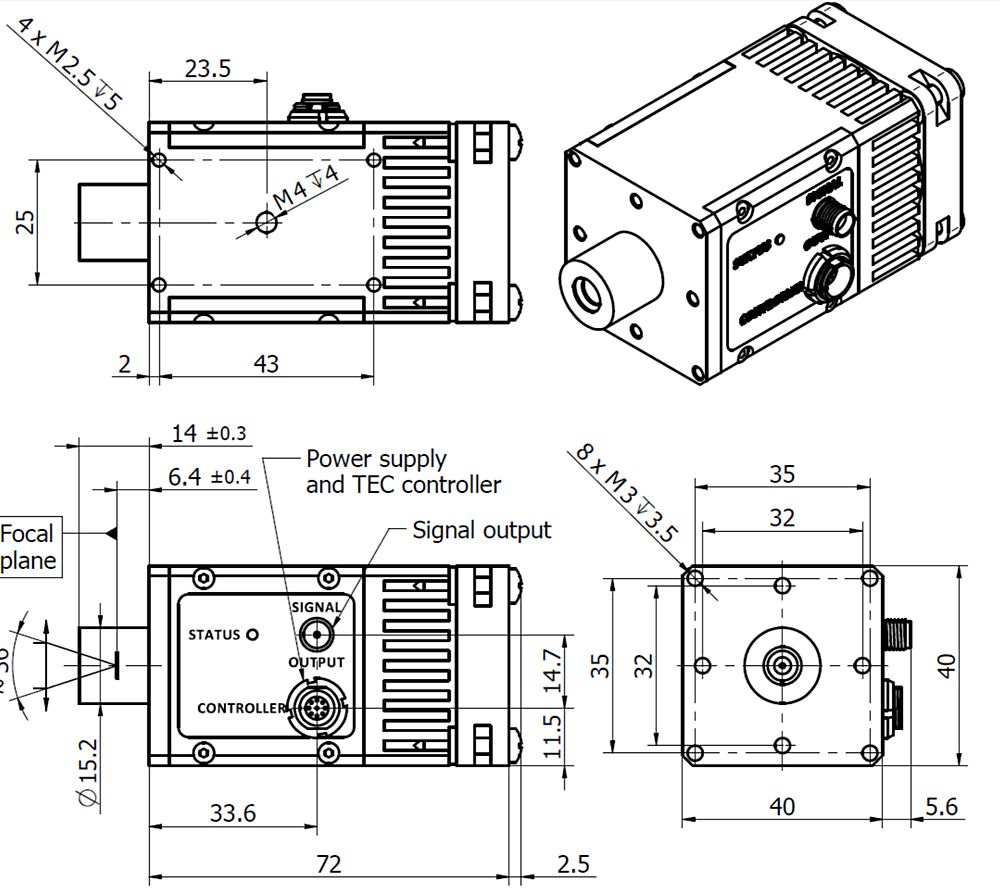
封装及尺寸
单位(mm)

电源和TEC控制插座(LEMO (female) ECG.0B.309.CLN)

功能 | 标签 | 引脚号 |
风扇和可编程前置放大器内部逻辑辅助电源 | FAN+ | 1 |
热敏电阻输出(2) | TH2 | 2 |
TEC电源输入(-) | TEC- | 3 |
电源输入(-) | –Vsup | 4 |
接地 | GND | 5 |
电源输入(+) | +Vsup | 6 |
TEC电源输入(+) | TEC+ | 7 |
热敏电阻输出(1) | TH1 | 8 |
Biderictional数据销 | DATA | 9 |
1、附件:SMA-BNC, LEMO-DB9电缆
2、专用配件:
● PTCC-01-BAS TEC 控制器 + USB: TypeA-MicroB电缆+ AC 适配器
● PTCC-01-ADV TEC 控制器 + USB: TypeA-MicroB电缆+ AC 适配器
● PTCC-01-OEM TEC 控制器 + USB: TypeA-MicroB,KK2-POWER电缆
● OTA光螺纹适配器
● DRB-2底座安装系统
3、用户可配置的参数:
● 输出偏置电压
● 增益(40分贝范围内)
● 带宽(1.5 MHz/15 MHz/200 MHz)
● 耦合AC/DC
● 检测器参数(温度,反向偏置等)
HgCdTe可编程实验室红外检测模块2.5–7.0µm 发货清单
编号 | 名称 | 型号 | 数量 |
1 | 可编程实验室红外检测模块2.5–7.0µm | LabM-I-6-01 | 1 |
2 | TEC控制器 | PTCC-01-BAS | 1 |
3 | SMA-BNC线(信号输出) | SMA-BNC | 1 |
4 | lemo-db9电缆(连接探测器和TEC控制器) | LEMO-DB9 | 1 |
5 | USB 线(连接PC) | TypeA-MicroB | 1 |
6 | 智能控制软件 | 1 | |
7 | AC电源适配器 | 1 |
| 名称 | 型号货号 | 描述 | 参数 | 价格 |
|---|
