;高跨阻增益:3500 V/W (1550nm) ;低噪声:低至-130 dBm/Hz ;噪音等效功率:20 pW/ √ Hz (典型值) ;220 MHz带宽 交流耦合;低于300 kHz的低频截止 波长范围:1000nm至1700nm 光纤耦合:光纤通道接收器 输出:50 Ω SMA插头 宽范围的单电源:11至15V
✱因产品升级或技术原因,产品配图可能有出入,具体请咨询客服!
| 货号 : E80040074 | |
| 库存 : 请咨询客服 | |
| 货期 : 请咨询客服 | |
| 点右侧在线咨询 | |
BPD220MA是InGaAs的一款交流耦合高速光敏接收器。它具有高跨阻增益、低噪声和-3 dB带宽(220 MHz)等特征。BPD220MA采用坚固的铝制外壳,配有两个光纤接收器和一个ΩSMA输出。采用11–15VDC单电源供电。如有要求,可根据要求提供不带外壳的OEM版本。
产品特征
高跨阻增益:3500 V/W (1550nm)
低噪声:低至-130 dBm/Hz
噪音等效功率:20 pW/ √ Hz (典型值)
220 MHz带宽
交流耦合;低于300 kHz的低频截止
波长范围:1000nm至1700nm
光纤耦合:光纤通道接收器
输出:50 Ω SMA插头
宽范围的单电源:11至15V
典型应用
干涉测量法
光学相干断层成像扫描
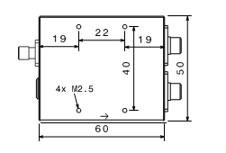
机械性能
光纤耦合: 适用于FC/PC和FC/APC连接器的FC插座
射频输出: SMA
电源电压输入:推挽式LEMO插头(包括二极管)
小尺寸:50×60×20mm
安装:底部4 x M2.5螺纹孔(螺钉长度4mm)

(图为机械等效产品。)
电连接器

电源连接器(前视图)。外壳接地。供电电缆有两种,一种是2线,一种是5线。这些电缆对应的配色方案是:

本数据表中提供的信息是准确可靠的。但是,本公司不对其可能导致的对第三方技术上认可或其他权利的任何侵犯承担责任。价格及规格如有更改,恕不另行通知。商标和注册商标属于各自所有人的财产。
规格
参数 | 条件 | Min. 值 | 典型值 | Max. 值 | 单位 |
| 直流电特征 | |||||
电源电压(VS) | 11 | 12 | 15 | V | |
电源电流 | 110 | mA | |||
| 交流电特征 | |||||
3dB带宽 | 205 | 220 | 235 | MHz | |
交流电低频截止 | 260 | 300 | kHz | ||
输出IP3 | 28 | dBm | |||
二次谐波 | Pout = 0 dBm | -40 | dBc | ||
| pout = -10 dBm | -53 | dBc | |||
三次谐波 | Pout = 0 dBm | -45 | dBc | ||
| pout = -10 dBm | -47 | dBc | |||
噪声谱密度 | 1 MHz–250 MHz | -130 | -125 | dBm/Hz | |
> 250 MHz | -150 | dBm/Hz | |||
噪声等效功率(NEP) | 1 MHz–220 MHz,1550nm | 20 | 35 | pW/√Hz | |
输出阻抗 | 50 | Ω | |||
光学特性 | |||||
输入波长范围 | 1000 | 1700 | nm | ||
跨阻增益 | 波长1550nm | 3500 | V/Wopic | ||
波长1310nm | 3300 | V/Wopic | |||
共模抑制比 | 25 | 30 | dB | ||
Max. 输入功率 | (损伤阈值) | 10 | mW | ||
典型性能特征
频率响应:射频输出功率与频率的关系

测试条件:光输入100µW,1310nm,经EOM调制。
● 高跨阻增益:3500 V/W (1550nm)
● 低噪声: 低至-130 dBm/Hz
● 环境噪声:20 pW/√ Hz (典型值)
● 带宽:1 GHz
● 交流耦合;低于300 kHz的低频截止
● 波长范围:1000nm至1700nm
● 光纤耦合:光纤通道接收器
● 输出: 50 Ω SMA插头
● 宽范围单电源:11至15V
● 超高速SS-OCT成像 (MHz)
● 可单端使用
| 名称 | 型号货号 | 描述 | 参数 | 价格 |
|---|
