传感器类型: CCD; 快门类型 GLOBAL SHUTTER; 灵敏度(nm): 光谱范围:200-900nm; 分辨率: 1360(H) x 1024(V); 单元尺寸(μm): 4.65(H) x 4.65(V); 不带UV滤光片
✱因产品升级或技术原因,产品配图可能有出入,具体请咨询客服!
| 货号 : E80050012 | |
| 库存 : 请咨询客服 | |
| 货期 : 请咨询客服 | |
| 点右侧在线咨询 | |
日本Artray公司成立于1995年,为专业影像采集、处理设备生产上。 其产品分辨率覆盖QVGA分辨率(320×246) - 三千万像素,芯片尺寸覆盖1/2.5” - 135全幅,芯片格式包括CCD、CMOS、InGaAs、InGaAs/GaASSb等类型,可配置模拟输出、USB2.0、USB3.0及HDMI等多种传输界面,其中紫外(200-400nm)相机、近红外CMOS与InGaAs相机、近红外线阵相机、短波红外深度制冷型相机为非常有特色的产品。ARTCAM-407UV-WOM是一款采用CCD传感器并配备紫外线灵敏度的相机。由于与紫外线照明设备的结合,可见光区域很难被识别,而且很容易被识别反射对象表面上的模糊、污点和划痕。本系列采用USB2。0接口,因此数据可以直接传送到PC,无需捕获板。摄像机配备车载存储器,避免传输过程中数据丢失。我们提供各种类型的摄像机,包括外壳摄像机、可轻松与其他设备结合的车载摄像机,等等
主要特点
·1360(H)×1024(V)像素高分辨率,帧率可达12fps;
·相机采用USB2.0接口,数据可以直接传送到PC端,不需要采集卡;
·体积小,重量轻,安装便捷;
·ART-Viewer软件(Windows 7/8/10),用户可以通过这个软件预览,保存图像,更改相机设置;
·2D测量软件(可选),ART-MEASURE软件提供2D测量功能;
·软件开发工具包(可选),对于喜欢创建自己的图像处理软件或使用我们的相机与其他应用程序的客户,可根据要求提供SDK。
产品清单
(1)相机
(2)USB连接线(A-B型连接器,3米,无USB接口的开框型号采用A型连接器)
(3)产品操作手册
(4)软件/设备驱动程序光盘
可选
(1)C型镜头底座
(2)2D测量和归档软件{ART-MEASURE}
(3)软件开发工具包{ARTCCM-SDK}
(4)LabView DLL
(5)5米长USB2.0连接线
相机参数规格
相机传感器图层吸收灵敏度

紫外(UV)发射,可见光吸收滤光片特性
ARTCAM-407UV-WOM配置了紫外发射,可见光吸收滤光片U340。

使用随附的USB2.0数据线连接相机和PC。相机的电源由USB2.0提供。

AD转换(ARTCAM-407UV-WOM系列)

·数字增益:可通过软件或SDK配置,配置范围0-1023,默认值512,数字增益=增益值×0.03125-6(dB);
·模拟增益:可配置为0dB、3dB、6dB、12dB或18dB。
可选功能
触发输入,ARTCAM-WOM系列采用外部触发

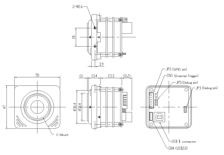
相机尺寸图

ARTCAM-407UV-WOM-OP

ARTCAM-407UV-WOM-OP-CM

| 型号 | 传感器类型 | 分辨率 | 像元尺寸 | 帧率 | 光谱范围 |
| ARTCAM-487UV | CMOS | 2848×2848 | 2.74μm | 38fps | 200 nm ~ 1000 nm |
| ARTCAM-2020UV-CL | CMOS | 2048×2048 | 6.5μm | 43fps | 200 nm ~ 1050 nm |
| ARTCAM-2020UV-USB3 | CMOS | 2048×2048 | 6.5μm | 43fps | 200 nm ~ 1050 nm |
| ARTCAM-9701UV | CMOS | 1280×1024 | 9.76μm | 30fps | 200 nm ~ 1000 nm |
| ARTCAM-407UV-WOM | CCD | 1360×1024 | 4.65μm | 12fps | 200 nm ~ 900 nm |
| 名称 | 型号货号 | 描述 | 参数 | 价格 |
|---|
