close[X]
您的购物车
型号 数量 货期
查看购物车 结算

中红外MIR光电探测器 2.0-3.8um (TO-18 PD内置前置放大器 光敏直径0.3mm)


光敏区尺寸:Φ0.3mm;最大灵敏度范围:2.4-3.1um;截止波长:3.7-3.8um; 暗电流最大值(典型值):<300(80)uA; 分流电阻最小值(典型值):>0.4(1.5)kOhm;TO-18 带玻璃罩和铝管中无窗口的抛物面反射器

✱因产品升级或技术原因,产品配图可能有出入,具体请咨询客服!

货号 : E80043088    
库存 : 请咨询客服
货期 : 请咨询客服
点右侧在线咨询
 
 华北西南东北 Moli
13061644116 同微信 可扫码
 info@microphotons.com
 西北华中华东华南 Daisy
18602170419 同微信 可扫码
 info@microphotons.com

产品总览

LED Microsensor NT 很高兴地宣布推出具有特殊玻璃覆盖层的新型光电二极管,具有更高的响应度(高达 3-5 倍)。这允许在不同的气体、液体和固体传感和分析应用中获得更高的精度。连同其他优势(紧凑的尺寸、高响应速度),我们的光电二极管成为传感器和分析仪的更令人印象深刻的元件基础。

型号参数

器件参数

符号

单位

PD芯片敏感面积大小

d

0.3

mm

操作温度

Topr

0..+50

°C

储存温度

Tstg

0..+40

°C

焊接温度

(时间< 3 秒, 距离外壳3毫米)

Tsol

+180

°C

反向电压

Vr

0.1

V


除非另有说明,所有参数均指环境温度为25°C的光电二极管工作。

光电二极管的参数

条件

符号

单位

截止波长(10%电平)1

-

λcut

3.7 - 3.8

mm

Max. 值。灵敏度范围(80%水平)1

-

λp

2.4 - 3.1

mm

暗电流(典型/Max. )2

V = 0.1 V

Id

typ 80 / max 300

mA

分流电阻(Min. /典型)

V = 10 mV

Rsh

min 0.4 / typ 1.5

电容(典型/Max. )1

V = 10 mV

C

typ 250 / max 300

pF

噪声等效功率(典型/Max. )2, 3

λ = 3.3 µm

NEP

typ 2.5*10⁻¹³ / max 9.6*10⁻¹³

W/Hz1/2

探测性(z低/典型)2, 3

λ = 3.3 µm

D*

min 3.2*10¹⁰ / typ 1.2*10¹¹

cm. Hz1/2.W-1

1  对代表性抽样进行参数测试。

2  对每个设备进行参数测试。

3  使用玻璃覆盖前得到的相同光电二极管的光敏值[A/W]乘以等于有玻璃覆盖和没有玻璃覆盖的PD响应之比的系数(λ = 3.3 μ m)来计算参数。


典型光谱响应及典型电流-电压特性


360截图20230428171524036.jpg




包装

型号

TO-18 带玻璃罩

Lms36PD-03-CG

带有内置前置放大器的PD;到18与玻璃盖和抛物面反射器没有窗口的铝管

Lms36PD-03-CG-R-PA


推荐的PD操作模式

搜狗截图20230428171629.png


当PD在无反向偏置下使用时,我们建议使用光伏模式。

慎用光导模式(偏压反转模式)。




●打开PD前检查您的连接电路;

●注意PD极性:PD阳极用红点标记;

●不要将PD连接到万用表上;

●不要接触玻璃盖,不要用力;

●观察允许的工作温度范围,超过此范围可能会对玻璃罩造成不可修复的损坏


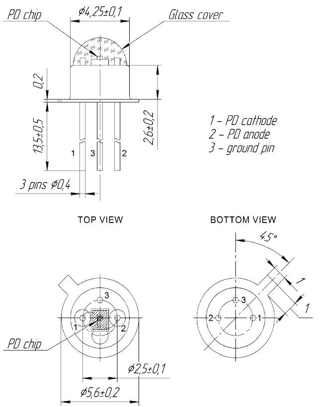
技术图纸


搜狗截图20230428171725.png

搜狗截图20230428171819.png

光电二极管芯片                                                                          前置放大器板




电源输入电压: + 5v,稳定;

连接:

内置前置放大器的PD输出有四根线:

●“+”电源输入(至SDM同步检测器电源输出端子座的“+5V”);

●“接地”电源输入(到SDM同步检波器电源输出端子排的“0V”处);

●“接地”输出光电二极管信号(至SDM同步检测器信号输入端子座的“0V”处);

●“+”输出光电二极管信号(到SDM同步检测器信号输入端子排的“IN”)。

为了正确连接,请注意光电二极管提供的技术资料中所指出的电线的颜色。





通用参数
型号光敏区尺寸
[mm]
Max. 灵敏度范围
在 80% 级别1
[µm]
截止波长
在 10% 水平1
[µm]
暗电流2,3[µА]

Max. 值(典型值)

分流电阻2,4[kOhm]

min(典型值)

电容1,4 [pF]

Max. 值(典型值)

噪声等效功率2

[W/Hz 1/2 ]

Max. 值(典型值)

比探测率

[cm×Hz 1/2 /W]

min(典型值)

工作存储温度 5
LMS36PD-03-CG
0.32.4-3.13.7-3.8<300
(80)
>0.4
(1.5)
<300 (250)<9.6×10 -13
(2.5×10 -13 )
>3.2×10 10
(1.2×10 11 )

0…+50℃

0…+40℃

LMS36PD-05-CG0.52.2-3.43.6-3.7<1000 (120)>0.2 (0.6)<1100
(600)
<2.1×10 -12
(6.0×10 -13 )
>2.0×10 10
(7.0×10 10 )
LMS43PD-03-CG0.33.8-4.24.6-4.7<6000 (4000)>10×10 -3
(20×10 -3 )
-<3.4×10 -12
(1.1×10 -12 )
>9.0×10 9
(2.7×10 10 )
LMS43PD-05-CG0.53.5-4.24.5-4.8<25000
(15000)
>4×10 -3 (5×10 -3 )-<1.1×10 -11
(4.8×10 -12 )
>3.9×10 9
(8.8×10 9 )


所有参数均指光电二极管在环境温度25℃下的工作

*1代表性抽样测试的参数。

*2每个设备的参数测试。

*3对于Lms24PD、Lms25PD模型,在Vreverse=1V时测量,对于其他模型,在V reverse=0.1V偏压时测量。

*4在Vreverse=10 mV时测量。

*5不同包装类型的温度范围可能不同。


其它型号
  名称 型号货号         价格
中红外MIR光电探测器 2.6-4.6um (TO-18 光敏直径0.5mm) E80043093
库存/货期:请咨询客服
联系客服或  
 提交询价单  
中红外MIR光电探测器 2.6-4.6um (TO-18 PD内置前置放大器 光敏直径0.5mm) E80043092
库存/货期:请咨询客服
联系客服或  
 提交询价单  
中红外MIR光电探测器 2.0-3.6um (TO-18 光敏直径0.5mm) E80043091
库存/货期:请咨询客服
联系客服或  
 提交询价单  
中红外MIR光电探测器 2.0-3.6um (TO-18 PD内置前置放大器 光敏直径0.5mm) E80043090
库存/货期:请咨询客服
联系客服或  
 提交询价单  
中红外MIR光电探测器 2.0-3.8um (TO-18 光敏直径0.3mm) E80043089
库存/货期:请咨询客服
联系客服或  
 提交询价单  
中红外MIR光电探测器 3.6-4.6um (TO-18 光敏直径0.3mm) E80043087
库存/货期:请咨询客服
联系客服或  
 提交询价单  
中红外MIR光电探测器 3.6-4.6um (TO-18 内置前置放大器 光敏直径0.3mm) E80043086
库存/货期:请咨询客服
联系客服或  
 提交询价单  

相关产品




使用本网站,即表示您同意我们使用cookie.它可以帮助更好地提供会员服务以及短时间内记录您的浏览记录
已知晓 了解详情
提示