close[X]
您的购物车
型号 数量 货期
查看购物车 结算

1512nm高功率单模DFB激光器 10mW(TO39封装 NH3检测)


中心波长 1512nm;波长偏差 ±1nm;输出功率 10mW;TO39封装;自由空间输出;带TEC;带PD监控

✱因产品升级或技术原因,产品配图可能有出入,具体请咨询客服!

货号 : A80011114    
库存 : 请咨询客服
货期 : 请咨询客服
点右侧在线咨询
 
 西北华中华东华南 Moli
13061644116 同微信 可扫码
 info@microphotons.com
 华北西南东北 Sherry
16628709332 同微信 可扫码
 info@microphotons.com

产品总览

凭借经过优化的光学特性,1512nm 单模DFB成为高要求传感系统应用的理想选择。创新型芯片设计已对高阶纵向与横向模式加以抑制,同时具有线性偏振稳定性。激光器具有出光功率高,线宽窄以及良好的一致性目前深受国内科研客户青睐。目前我们现有库存波长1512nm DFB用于TDLAS氨气检测,以及795nm VCSEL用于Rb原子钟实验,还有852nm VCSEL用于CS原子冷却。

型号参数

产品特点

● 超高输出功率

● 窄线宽 

● 内部TEC和热敏电阻       

● 2 nm TEC的可调性


产品应用

● TDLAS氨气分析检测

● 光学相干实验



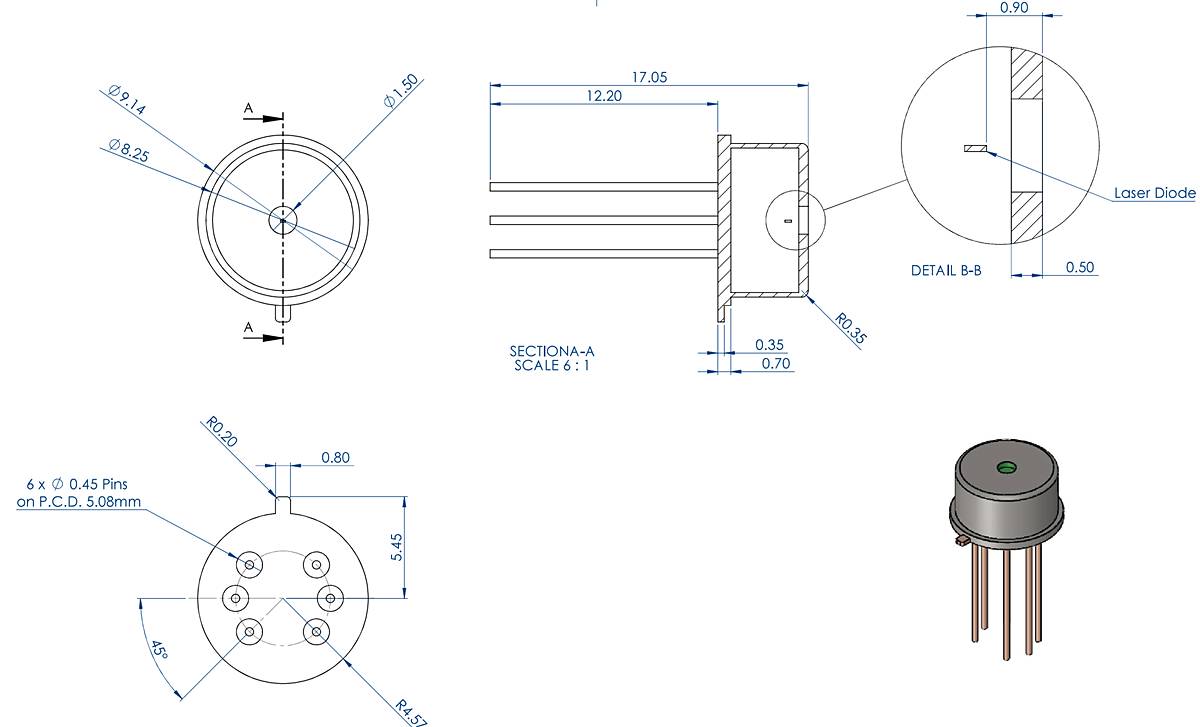
封装及尺寸

t9.jpeg

引脚定义

带TEC管脚配置

t6.jpeg

t7.jpeg


技术参数

参数

符号

Min. 值

典型值

Max. 值

单位

备注

入射波长

λR

1512

1512.5

1513

nm

T = 20°C, ITEC = 0, POP= 35mW

阈值电流

ITH


40


mA

T = 20°C

输出功率

Popt

10

20

30

mW

T = 0 … 50°C

阈值电压

UTH


1.80


V


激光电流

IOP



130

mA

Popt = 35mW

激光电压

UOP


2.0


V

Popt = 35mW

电光转换率

ηWP


12


%

Popt = 20mW

斜率效能

ηS


0.74


W/A

T = 20°C

3dB调制带宽

ν@3dB


3


MHz

Popt = 20mW

(由于ESD防护二极管)

相对噪声强度

RIN


-130

-120

dB/Hz

Popt = 0.3 mW @ 1 GHz

波长调谐电流



0.01


nm/mA


波长调谐温度



0.1


nm/deg


热电阻

Rthermal

3


5

K/mW


边模式抑制


30



dB


光束发散度

θ

10


25

°

Popt = 35mW满1/e2带宽

光谱带宽

Δν


3


MHz

Popt = 35mw

TEC电流

ITEC



1000

mA

需适当散热器

NTC热敏电阻


9.5

10.0

10.5

T= 25°C,

NTC温度依赖性


10/exp[3892·(1/298K-1/TOP)]


dg.png

jue对Max. 值  

储存温度

-40 …   125°C

工作温度

-20 … 80°C

电功率损耗

500mW

正向激光电流

130 mA

反向电流

10 mA

焊接温度*

270°C

(*TEC 温度必须低于 70°C)


光谱图

2d28c442-c11e-4fb4-9ff2-e60b3b4456fa.jpg

L-I-V曲线

15122.png

DFB Linewidth Testing Result

cdb240f7-d458-4a06-9787-fe3371fe9df4.jpg

Central Wavelength

280ebf79-a955-4541-b205-ef92a5d1125b.jpg

光束质量分析

t5.jpeg

氨气吸收谱线

1185ecd7-2e0a-4225-a38e-91535ea3a225.jpg


订购信息:

PL-DFB-□□□□-☆-A8▽-TO5

□□□□:波长

0760:760nm

1270:1270nm

1532:1532nm

1392:1392nm

1512:1512nm

1567: 1567nm

*****

1653.7: 1653.7nm

☆:输出功率

A:10mW

B:20mW

▽:波长容差

1:±1nm

2:±2nm


其它型号
  名称 型号货号         价格
760nm高功率单模DFB激光器 40mW(TO5封装 氧气检测) A80011001
库存/货期:请咨询客服
联系客服或  
 提交询价单  
760nm高功率单模DFB激光器 20mW(TO5封装 氧气检测) A80010203
库存/货期:请咨询客服
联系客服或  
 提交询价单  
1512nm高功率单模DFB激光器 20mW(TO39封装 NH3检测) A80011115
库存/货期:请咨询客服
联系客服或  
 提交询价单  
760nm高功率单模DFB激光器 20mW(TO39封装 氧气检测) A80010200
库存/货期:请咨询客服
联系客服或  
 提交询价单  

相关产品




使用本网站,即表示您同意我们使用cookie.它可以帮助更好地提供会员服务以及短时间内记录您的浏览记录
已知晓 了解详情
提示