close[X]
您的购物车
型号 数量 货期
查看购物车 结算

BeamOn X 高功率光束质量分析仪


光谱响应范围:350-1310nm;光斑大小范围:Φ60 um - Φ5 mm;传感器分辨率:1280x1024 全局快门;动态范围:70 dB,10 位;尺寸:直径63 mm,长92 mm

✱因产品升级或技术原因,产品配图可能有出入,具体请咨询客服!

货号 :     
库存 : 请咨询客服
货期 : 请咨询客服
点右侧在线咨询
 
 华北西南东北 Moli
13061644116 同微信 可扫码
 info@microphotons.com
 西北华中华东华南 Daisy
18602170419 同微信 可扫码
 info@microphotons.com

产品总览

BeamOn X 高功率光束质量分析仪是一款结构坚固的测量设备,内置先进的空冷式光束终止系统,工作波长范围为350至1310nm。设备配备用户友好的专用软件,可通过工业计算机或USB接口连接客户电脑实时显示测量结果。系统新增高达每秒700帧的快速刷新率,显著提升了测量速度。同时,新增的多区域主动分割功能支持多光束同步分析速度,提升了系统速度性能,同时新增了多重活跃区域划分,支持多波束分析。

 

产品特点

内置风冷采样器

Min. 可测量60um的光斑

可精确测量位置和轮廓信息

 

产品应用

激光材料加工

激光器与激光系统制造领域

科研与高端应用

 

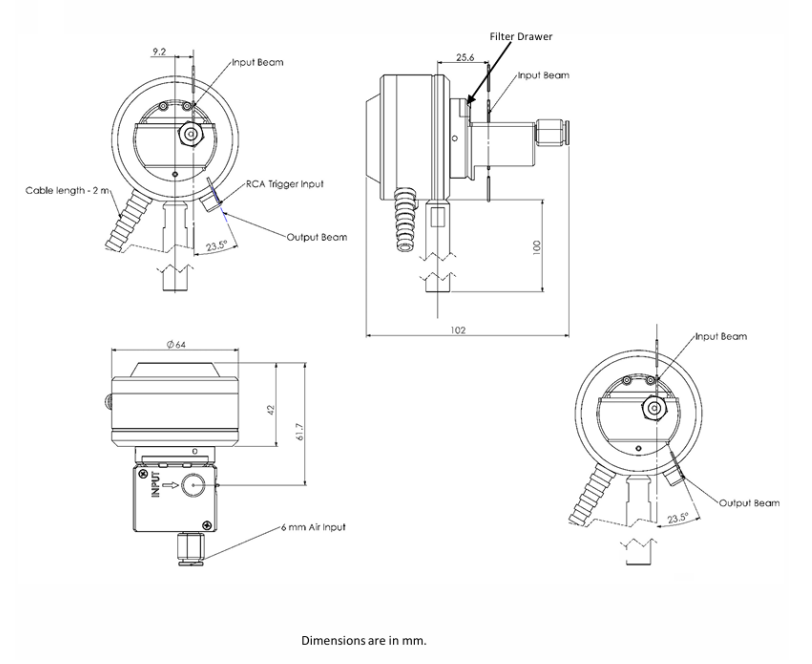
尺寸图

 


详细参数

参数

参数

光斑大小范围

Φ60 um - Φ5 mm

光谱响应范围

350-1310nm

传感器分辨率

1280x1024 全局快门

功率范围@900/1070nm

连续激光1-2500 W, 脉冲激光1 -1000 W

Max. 功率密度

100,000 W/cm2

动态范围

70 dB,10 位

饱和功率密度

~1mW/cm², 不加衰减片

功率测量

需要用户预先选定一个点进行校准

尺寸

直径63 mm,长92 mm

操作环境温度

0-35℃

重量

350g,含数据线

接口

USB 3.0

采样器后侧的输出功率

输入功率的90%。光斑采样器仅使用激光功率的一 小部分用于传感器测量,剩余的大部分功率将按 图纸中绘出的方向输出。

冷却条件

6--8 Bar的压缩空气

传感器类型

1/1.8英寸制式

传感器响应区域

6.78 (宽) x 5.4 (高) mm(对角8.7 mm)

像素尺寸

5.3 um(水平) x 5.3 um(竖直)

快门速度

9–200,000 us

Max. 帧率

超过50 Hz

调零

在连续激光测量模式中,可以使用调零功能去除背 景噪声。

脉冲激光的测量操作

具有捕捉和重放图像及数据的功能,可以在测量慢 速脉冲激光(1~100Hz)时自动过滤掉没有激光脉冲的空bai帧。增益控制和外部衰减片可以使其更为方便地获得最优功率密度。

触发器

硬件下降沿

硬件上升沿

启用/停用延迟触发

触发延迟0.015ms -4.0 sec内可调






使用本网站,即表示您同意我们使用cookie.它可以帮助更好地提供会员服务以及短时间内记录您的浏览记录
已知晓 了解详情
提示