close[X]
您的购物车
型号 数量 货期
查看购物车 结算

1381nm DFB激光二极管


中心波长:1381nm;边模抑制比:30-40dB;阈值电流:20-30mA;工作电流:200-300mA;芯片输出功率:50-80mW;接头:FC/APC

✱因产品升级或技术原因,产品配图可能有出入,具体请咨询客服!

货号 :     
库存 : 请咨询客服
货期 : 请咨询客服
点右侧在线咨询
 
 西北华中华东华南 Daisy
18602170419 同微信 可扫码
 info@microphotons.com
 华北西南东北 Moli
13061644116 同微信 可扫码
 info@microphotons.com

产品总览

1381nmDFB激光二极管模块是一款具有高性价比的高相干激光光源。

该 DFB 激光芯片封装在行业标准的密封式 14 针蝴蝶封装中,内部集成有 TEC(热电制冷器)和 PD(光探测器)。


产品特点

窄线宽:< 2 MHz

行业标准 14 针蝴蝶封装

出色的波长控制及稳定性

无跳模调谐

高可靠性

可提供客户定制波长


产品应用

可调谐二极管激光吸收光谱


尺寸图

1.png


技术参数

电气/光学特性(Tsub=25°C,CW 偏置,除非另有说明)

参数

符号

Min. 值

典型值

Max. 值

单位

中心波长

λ

1380.5

1381.0

1381.5

nm

边模抑制比

SMSR

30

40


dB

阈值电流

lth


20

30

mA

工作电流

lop


200

300

mA

芯片输出功率

Pf


50

80

mW

量子效率

η

0.08

0.12


mW/mA

电流调谐系数

∆λ/∆l


0.015


nm/mA

温度调谐系数

∆λ/∆T


0.12


nm/K

正向电压

Vf


1.3

2

V

热敏电阻阻值

RT

9.5

10

10.5

热敏电阻温度系数



-4.4


%/℃

接头

FC/APC





 

光谱图

2.jpg 

 

L-I 曲线图

 3.png

 

DFB 激光器线宽测试结果

 4.jpg

 

偏振消光比测试(PM版)

 5.jpg

 

光束质量

 6.jpg

2D

 7.png

3D

 

图像分析

 8.png

 

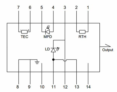
引脚定义

 9.png

 

 

PlN#

定义

PlN#

定义

1

Thermistor

8

Case Ground

2

Thermistor

9

Case Ground

3

LD(-)

10

NC

4

Detector (+)

11

LD(+)

5

Detector (-)

12

LD (-), RF

6

TEC (+)

13

LD(+)

7

TEC (-)

14

NC

 

jue对Max. 额定值:

参数

单位

Min. 值

典型值

Max. 值

外壳温度

-5

25

70

芯片温度

10

25

40

工作电流

mA

0

200

300

正向电压

V

0.8

1.2

1.8

TEC电流

A

-

-

1.2

反向电压(LD)

V

-

-

2

反向电压(PD)

V

-

-

20

 

订购信息

PL-DFB-□□□□-☆-A8▽-XX 

□□□□: Wavelength

1341:1341nm

1381:1381nm

1392:1392nm

1512:1512nm

1567:1567nm

*****

1653.7: 1653.7nm

☆ : Output Power

A: 50mW

B: 80mW

▽: Wavelength Tolerance

1: ±1nm

2: ±2nm

XX: Fiber and Connector Type

SA=SMF-28E+ FC/APC

SP=SMF-28E+ FC/PC 

PP=PM Fiber+ FC/PC

PA=PM Fiber+ FC/APC

其它型号
  名称 型号货号         价格
1360nm DFB激光二极管 货号无
联系客服或  
 提交询价单  
1368nm DFB 激光二极管 货号无
联系客服或  
 提交询价单  
1385nm 分布反馈激光器 货号无
联系客服或  
 提交询价单  
1388nm DFB 保偏激光二极管 货号无
联系客服或  
 提交询价单  
1392nm DFB 保偏激光二极管 货号无
联系客服或  
 提交询价单  
1398nm 分布反馈激光器,用于H2O传感 货号无
联系客服或  
 提交询价单  
1410nm DFB激光二极管 用于激光光源 货号无
联系客服或  
 提交询价单  
1445nm DFB 激光二极管 货号无
联系客服或  
 提交询价单  
1455nm DFB 可调谐激光二极管 货号无
联系客服或  
 提交询价单  

相关产品




使用本网站,即表示您同意我们使用cookie.它可以帮助更好地提供会员服务以及短时间内记录您的浏览记录
已知晓 了解详情
提示