close[X]
您的购物车
型号 数量 货期
查看购物车 结算

1398nm 分布反馈激光器,用于H2O传感


中心波长:1398nm;边模抑制比:30-40dB阈值电流:20-30mA;工作电流:80-120mA;芯片输出功率:15-30mW;连接器:FC/APC

✱因产品升级或技术原因,产品配图可能有出入,具体请咨询客服!

货号 :     
库存 : 请咨询客服
货期 : 请咨询客服
点右侧在线咨询
 
 华北西南东北 Sherry
16628709332 同微信 可扫码
 info@microphotons.com
 西北华中华东华南 Daisy
18602170419 同微信 可扫码
 info@microphotons.com

产品总览

PL-DFB-1398-A81 型 1398nm 分布反馈(DFB)激光二极管模块,是一款经济高效且具有高相干性的激光光源。该 DFB 激光二极管芯片采用行业标准的 14 引脚蝶形封装,封装为密封结构,内置半导体制冷器(TEC)和光电探测器(PD)。

这款模块的设计兼顾了性能与实用性:密封封装有助于提升器件在复杂环境中的稳定性,内置的 TEC 可精准调控温度以保证波长稳定性,而 PD 则可用于实时监测激光输出功率,使其在需要高相干性和波长精度的场景(如气体传感、光纤通信、光谱分析等)中具备良好的应用潜力。

 

产品特点

窄线宽(< 2MHz)

优秀的波长控制和稳定性

行业标准 14 针蝶形封装

无跳模调谐

优秀的可靠性

可提供客户定制波长

 

产品应用

可调谐二极管激光吸收光谱法

H2O监测

 

尺寸图

1.png



光电特性

Tsub=25℃,CW偏置  除非另有说明

参数

条件

Min. 值

典型值

Max. 值

单位

中心波长

λ

1397.5

1398.0

1398.5

nm

边模抑制比

SMSR

30

40


dB

阈值电流

Ith


20

30

mA

工作电流

Iop


80

120

mA

芯片输出功率

Pf

15

20

30

mW

量子效率

η

0.08

0.12


mW/mA

电流调谐系数

∆λ/∆I


0.015


nm/mA

温度调谐系数

∆λ/∆I


0.12


nm/K

正向电压

Vf


1.3

2

V

热敏电阻

RT

9.5

10

10.5

热敏电阻温度系数



-4.4


%/°C

连接器

FC/APC

 

光谱图

2.png

 

 

 

L-I 曲线

3.png

 

 

 

DFB 线宽测试结果

4.png

 

 

波长稳定性

5.png

 

 

无跳模调谐范围 

 

6.jpg


 

光束质量

7.png

 2D

8.png 

3D

 

相机分析

9.png 

 

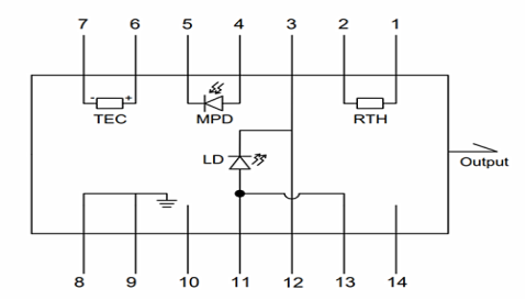
引脚定义(示意图-俯视图)

 10.png

引脚连接

PIN 编号

功能

PIN 编号

功能

1

热敏电阻

8

壳体接地

2

热敏电阻

9

壳体接地

3

LD-

10

NC

4

探测器(+)

11

LD +

5

探测器(-)

12

LD -, RF

6

TEC +

13

LD +

7

TEC -

14

NC

 

jue对Max. 额定值

单位

Min. 值

典型值

Max. 值

壳体温度

°C

-5

25

70

芯片温度

°C

+10

25

40

工作电流

mA

0

100

150

正向电压

V

0.8

1.2

1.8

TEC 电流

A

-

-

1.2

反向电压(LD)

V

-

-

2.0

反向电压(PD)

V

-

-

20

 

订购信息

PL-DFB-□□□□-☆-A8▽- XX

□□□□: Wavelength

1398: 1398nm

1512: 1512nm

1567: 1567nm

1570: 1570nm

*****

1653.7: 1653.7nm

☆: Output Power

A: 15mW

B: 20mW

▽: Wavelength Tolerance

1: ±1nm

2: ±2nm

XX: Fiber and Connector Type

SA=SMF-28E+ FC/APC

SP=SMF-28E+ FC/PC

PP=PM Fiber+ FC/PC

PA=PM Fiber+ FC/APC


其它型号
  名称 型号货号         价格
1360nm DFB激光二极管 货号无
联系客服或  
 提交询价单  
1368nm DFB 激光二极管 货号无
联系客服或  
 提交询价单  
1381nm DFB激光二极管 货号无
联系客服或  
 提交询价单  
1385nm 分布反馈激光器 货号无
联系客服或  
 提交询价单  
1388nm DFB 保偏激光二极管 货号无
联系客服或  
 提交询价单  
1392nm DFB 保偏激光二极管 货号无
联系客服或  
 提交询价单  
1410nm DFB激光二极管 用于激光光源 货号无
联系客服或  
 提交询价单  
1445nm DFB 激光二极管 货号无
联系客服或  
 提交询价单  
1455nm DFB 可调谐激光二极管 货号无
联系客服或  
 提交询价单  

相关产品




使用本网站,即表示您同意我们使用cookie.它可以帮助更好地提供会员服务以及短时间内记录您的浏览记录
已知晓 了解详情
提示