close[X]
您的购物车
型号 数量 货期
查看购物车 结算

用于 C2H6 传感的 1683nm DFB 激光器


中心波长:1683nm;边模抑制比:40dB;阈值电流:20mA;接头:FC/APC

✱因产品升级或技术原因,产品配图可能有出入,具体请咨询客服!

货号 :     
库存 : 请咨询客服
货期 : 请咨询客服
点右侧在线咨询
 
 西北华中华东华南 Daisy
18602170419 同微信 可扫码
 info@microphotons.com
 华北西南东北 Moli
13061644116 同微信 可扫码
 info@microphotons.com

产品总览

我们的PL-DFB-1683-A1,1683nm DFB 激光二极管模块是一款经济高效、高相干性的激光源。该 DFB 激光二极管芯片采用行业标准的 14 针蝶形全密封封装,内置 TEC 和 PD。

 

产品特点

l窄线宽(< 2MHz)

l优秀的波长控制和稳定性

l行业标准 14 针蝶形封装

l无跳模调谐

l优秀的可靠性

l可提供客户定制波长

 

产品应用

l可调谐二极管激光吸收光谱法

lC2H6 监测

 

尺寸图

2产.png


激光器规格

电气/光学特性(Tsub=25°C,CW 偏置,除非另有说明)

参数

符号

Min. 值

典型值

Max. 值

单位

中心波长

λ

1682

1683

1684

nm

边模抑制比

SMSR

30

40


dB

阈值电流

Ith


20

30

mA

工作电流

Iop


80

150

mA

芯片输出功率

Pf

10

15

30

mW

量子效率

η

0.08

0.12


mW/mA

电流调谐系数

∆λ/∆I


0.015


nm/mA

温度调谐系数

∆λ/∆T


0.12


nm/K

正向电压

Vf


1.3

2

V

热敏电阻阻值

RT

9.5

10

10.5

热敏电阻温度系数



-4.4


%/°C

接头

FC/APC

 

光谱

1.png

 

 

L-I曲线

2.png

 

DFB线宽测试结果

3.jpg

 

波长稳定性

4.png

 

波长稳定性

5.png

 2D        

6.png

 3D

 

 

相机分析

7.png

 

 

 

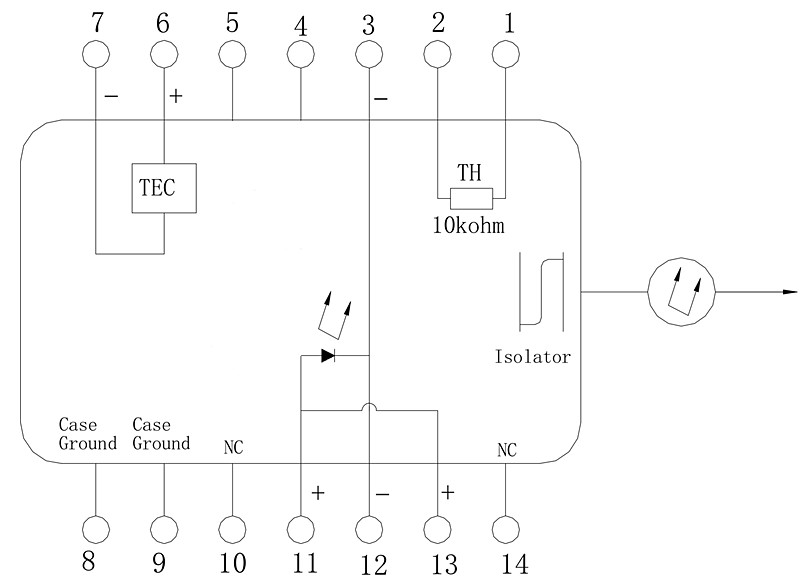
引脚定义

8.png

 

 

PIN#

定义

PIN#

定义

1

Thermistor

8

Case Ground

2

Thermistor

9

Case Ground

3

Laser Cathode (-)

10

N/C

4

N/C

11

Laser Anode (+)

5

N/C

12

Laser Cathode (-)

6

TEC (+)

13

Laser Anode (+)

7

TEC (-)

14

N/C

 

jue对Max.额定参数

单位

Min. 值

典型值

Max. 值

外壳温度

°C

-5

25

70

芯片温度

°C

+10

25

40

工作电流

mA

0

100

150

正向电压

V

0.8

1.2

1.8

TEC电流

A

-

-

1.2

反向电压 (LD)

V

-

-

2.0

反向电压 (PD)

V

-

-

20

  

订购信息

PL-DFB-□□□□--A8-XX

□□□□: Wavelength

1270: 1270nm

1532: 1532nm

1392: 1392nm

1512: 1512nm

1567: 1567nm

1600.3: 1600.3nm

*****

1653.7: 1653.7nm

1683: 1683nm

 : Output Power

A: 10mW

B: 20mW

C: 50mW

: Wavelength Tolerance

1: ±1nm

2: ±2nm

XX: Fiber and Connector Type

SA=SMF-28E+ FC/APC

SP=SMF-28E+ FC/PC

PP=PM Fiber+ FC/PC

PA=PM Fiber+ FC/APC


其它型号
  名称 型号货号         价格
用于 C2H6 传感的 1680nm DFB 激光器 货号无
联系客服或  
 提交询价单  
1692nm 可调谐DFB激光二极管 货号无
联系客服或  
 提交询价单  
1814nm 分布反馈激光二极管,用于NO气体传感 货号无
联系客服或  
 提交询价单  
1962nm DFB 可调谐激光二极管 用于溴化氢(HBr)传感 货号无
联系客服或  
 提交询价单  
1742nm DFB 激光二极管用于 HCl Gas监测 货号无
联系客服或  
 提交询价单  
1850nm分布反馈激光二极管,用作种子激光器 货号无
联系客服或  
 提交询价单  
1910nm DFB 可调谐激光二极管 货号无
联系客服或  
 提交询价单  
2327nm DFB 激光二极管 适用于一氧化碳检测 货号无
联系客服或  
 提交询价单  
2004nm 分布反馈激光二极管,用于CO2气体监测 货号无
联系客服或  
 提交询价单  

相关产品




使用本网站,即表示您同意我们使用cookie.它可以帮助更好地提供会员服务以及短时间内记录您的浏览记录
已知晓 了解详情
提示